体验经济时代,客户希望获得个性化服务,更需要根据他们的需求解决实际问题——换句话说,客户想要更好的体验。但是,用来承载业务信息的CRM系统就像一个复杂的迷宫,在CRM的海量数据中识别出客户行为,建立有效的客户策略,并在每个节点上与客户期望产生共鸣并不容易。
客户体验建设离不开客户认知、客户旅程建设、NPS客户满意度调查这三大版块,在Zoho CRM系统中分别对应路径探查器、旅程构建器和NPS三个功能。路径探查器可用于解决企业对客户旅程及所在位置认知不足的痛点问题,也为做好旅程构建和用户满意度调研打好基础。
CRM路径探查器是什么
在说明路径探查器之前,首先要说清楚其背后的逻辑。近年来“客户旅程”的概念越来越普及,获得企业市场端、营销端、服务端的普遍关注,成为企业提升客户体验的重要工具。拥有客户旅程,企业就拥有了“客户视角”,开始学会了解客户在不同场景下、不同触点时在想什么、情绪如何,以及下一步的行动,逐渐洞悉客户真实需求,全流程管理客户体验。
但是,拥有“客户视角”不容易,了解客户处于旅程的哪个阶段更加困难。您可能也有过如下体验,一般情况下,当我们想要绘制客户旅程,首先要借助过去的经验,想象某个客户从刚开始接触企业,一步一步走向成交,再走到忠诚客户或者流失掉的完整过程。下面这张图,是比较经典的按照传统方式绘制出来的客户旅程。

传统方法绘制客户旅程其实是有问题的,因为它是基于假设推导出来的结论。基于假设和想象,就会掺杂人的因素。做客户旅程的人经验丰富吗? 对客户的了解全面吗?真的可以根据个人经验和对个别客户的了解,就能做出高质量的客户旅程吗?这样做出来的客户旅程,和真实情况之间的差距大吗?有没有一种方法,可以让客户旅程基于数据,而不依赖人的经验和判断?
路径探查器就是一种以实时互动数据为依据,帮助企业获得更接近真实情况的客户旅程工具。
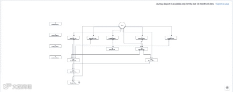
三种报表类型
Zoho CRM的路径探查器的工作原理是捕获客户与企业的实时业务交互,并将这些记录连接成一条路径(旅程)。CRM中有三种不同的图形报表可以描述路径,通过数据更好地理解观察到的客户旅程。
-
第一种类型

-
第二种类型

-
第三种类型

CRM路径探查器的作用
路径探查器生成的这些报表,将揭示业务中的所有路径,推断更多对客户的认知和发现。 例如,一条完整的路径,表示客户完成了旅程;一条破碎的路径,则表示可能存在障碍;一条循环的路径,则表示潜在客户正在重新考虑他们的决定。
企业需要了解客户的路径或路线,比如,客户何时决定继续业务,在哪里停滞不前,哪些路径是被多个客户广泛使用的,哪些路径从未被任何客户使用过。
有了这些见解,企业中的业务人员和管理者即可实现以下目标:
-
优化客户触点的质量和响应能力
-
识别或移除无效的触点
-
发现客户角色和行为模式
-
制定交叉销售和向上销售的策略
-
根据客户行为设计并简化现有流程
-
把营销支出分配给更有效的客户触点
-
在客户旅程的每一步安排个性化和情境化的客户体验
-
促进跨渠道的客户旅程
-
主动阻止客户流失或中途退出
从CRM中获取客户旅程是不是既方便又实用?它提供一种可视化的方式生成客户路径,帮助企业建立对客户更科学、更真实、更深入的观察,从此告别对客户旅程毫无概念,也告别经验主义和想当然,告别雾里看花水中看月,形成对客户行为和客户体验的准确观察。
有了观察结果,下一步将是重塑客户旅程,通过标准化动作,打造更好的客户体验。对此,Zoho CRM也有工具可以实现,下一期我们将讲述三剑客中的客户旅程构建器,敬请关注。


