


信息来源:江苏省工业和信息化厅
发布时间:2021-10-26
GAOKAO
各设区市、县(市)工信局:
为贯彻落实中共中央办公厅、国务院办公厅《关于促进中小企业健康发展的指导意见》,提升广大中小企业专精特新发展水平,推进实施专精特新小巨人企业培育计划,根据《江苏省千企升级三年行动计划(2020-2022年)》和《2021年度中小企业量质提升工作方案》,现组织开展2021年度省级专精特新小巨人企业认定和部分年度省级专精特新小巨人企业复核工作,有关事项通知如下。
一、2021年度省级专精特新小巨人企业申报推荐
(一)申报范围
申报企业须在在江苏境内注册,具有独立法人资格,经营和信用状况良好,按照《关于组织开展2021年度千企升级入库工作的通知》(苏工信中小〔2021〕406号)要求,已完成“千企升级”培育库入库注册申请并通过县(市、区)工信部门审核。
(二)申报类别及基本条件
1、专精特新产品
2020年,申报产品的销售收入占企业主营业务收入的60%以上,拥有2项有效发明(或软件著作权、实用新型)专利或具有专有技术,关键性能指标处于同类产品领先水平,产品的市场占有率位居国内前十位或进入龙头企业供应链体系。
2、小巨人企业
(1)制造类。2020年主营业务收入5000万元以上(含5000万元),或利润总额400万元以上(含400万元),主导产品(服务)市场占有率位居国内同行业前五位或进入龙头企业供应链体系;近3年营业收入年均复合增长率8%以上或平均营业利润率8%以上;生产技术、工艺及产品质量性能国内领先,建立市级以上研发机构;近3年研究开发费用占主营业务收入的比重均值不低于3%。
(2)创新类。2014年(包括2014年)后成立的四新模式(新技术、新产业、新业态、新模式)创业创新类企业,拥有原创技术或产品,且具有高成长潜力,2023年企业营业收入可达到5000万元。
二、部分年度省级专精特新小巨人企业申报复核
(一)申报范围。
2012-2016及2018年度被认定为省级专精特新小巨人企业,且已完成“千企升级”培育库入库注册申请并通过县(市、区)工信部门审核。
(二)复核类别。
对照现行类别和条件,原认定专精特新产品复核“专精特新产品”,原认定科技小巨人企业、隐形冠军企业复核“小巨人企业(制造类)”,原认定隐形小巨人企业复核 “小巨人企业(创新类)”。复核类别需满足的条件与2021年度新申报认定各类别的条件相同。
三、工作组织
(一)企业网上申报。按自愿申报原则,自10月25日起登录“江苏省中小企业公共服务平台-千企升级”(https://www.smejs.cn/qqindex.aspx),点击飘窗“省级专精特新小巨人申报认定和复核填报说明”,严格按“填报说明”流程和步骤,于11月5日前完成认定或复核申报。申报所需提供的材料参考样表(见附件1),企业对在线填报的信息及佐证材料的真实性和准确性负责。
(二)市县审核推荐。各设区市、县(市、区)工信部门须严格把关,对申报认定和复核的企业进行初审。对企业的市场占有率,独立法人地位,有无环境、质量、安全等方面违法记录予以重点把关。各地参照推荐名额(见附件2)择优推荐申报2021年度省级专精特新小巨人企业,若有县(市)未使用完推荐名额,剩余名额可由所在设区市统筹。
(三)评审认定结果。省工信厅将按程序对各地推荐申报2021年度省级专精特新小巨人的企业进行形式审查、组织专家评审等程序择优认定;对申报复核的省级专精特新小巨人企业进行复核审查。认定及复核结果在省工信厅官网站进行公示公告,并发放证书和铜牌,有效期为3年。
四、有关要求
(一)产业导向方面属于制造业核心基础零部件、先进基础工艺、关键基础材料产品和产业技术基础,以及属于我省先进制造业集群和重点产业链中的企业和产品,可予以优先推荐认定。参加创客中国—江苏省中小企业创新创业大赛的企业可申报小巨人企业(创新类),可予以优先推荐认定。
(二)同一家企业只能选择一个新认定项目类别申报;申报复核的企业不可以同时申报新认定,但可以放弃复核申请,重新选择一个新认定项目类别申报。复核通过的企业将被重新公告有效,不申报复核或复核不通过的企业的认定资质将不再有效。
(三)除申报小巨人企业(创新类)外,须提供第三方机构出具的产品市场占有率证明,或者由国内外龙头企业出具的进入其供应链体系证明。证明材料应能反映企业主导产品在所属细分领域的市场地位,国内外市场的占有率及排名,具体格式不限。第三方机构一般为省级以上行业协会、权威媒体及大型咨询机构,无专门指定机构。进入国内外龙头企业供应链体系证明材料,可以是供应商资质证明、供销合同、往来财务凭证等近两年内的有效证明。完税证明以税务部门出具的相关材料为准。企业须对提供各项材料的真实性负责。
(四)各设区市、县(市、区)工信部门要高度重视推荐申报工作,切实加强组织协调,指导符合条件的企业积极申报,对申报材料仔细核对,严格把关“一企仅报一类别”审核,落实申报审核责任,做好政策解读解释,于11月10日前提交在线审核推荐意见,并正式行文,附2021年度省级专精特新小巨人企业申报推荐汇总表(见附件3)。材料纸质版(一式两份,加盖印章)和电子版同时上报省工业和信息化厅。
联系方式:
省中小企业发展中心:025-83780780
省工信厅中小企业局:025-69652765,69652751
邮箱:jsjxwzxqy@126.com
网络技术支持:025-52686656,13776417911
各设区市业务咨询电话:
南京市工业和信息化局 025-68788936
无锡市工业和信息化局 0510-81821654
徐州市工业和信息化局 0516-83843295
常州市工业和信息化局 0519-85681230
苏州市工业和信息化局 0512-68616317
南通市工业和信息化局 0513-85215680
连云港市工业和信息化局 0518-85820151
淮安市工业和信息化局 0517-83750652
盐城市工业和信息化局 0515-86660566
扬州市工业和信息化局 0514-87868159
镇江市工业和信息化局 0511- 85023977
泰州市工业和信息化局 0523-86839267
宿迁市工业和信息化局 0527-84338553
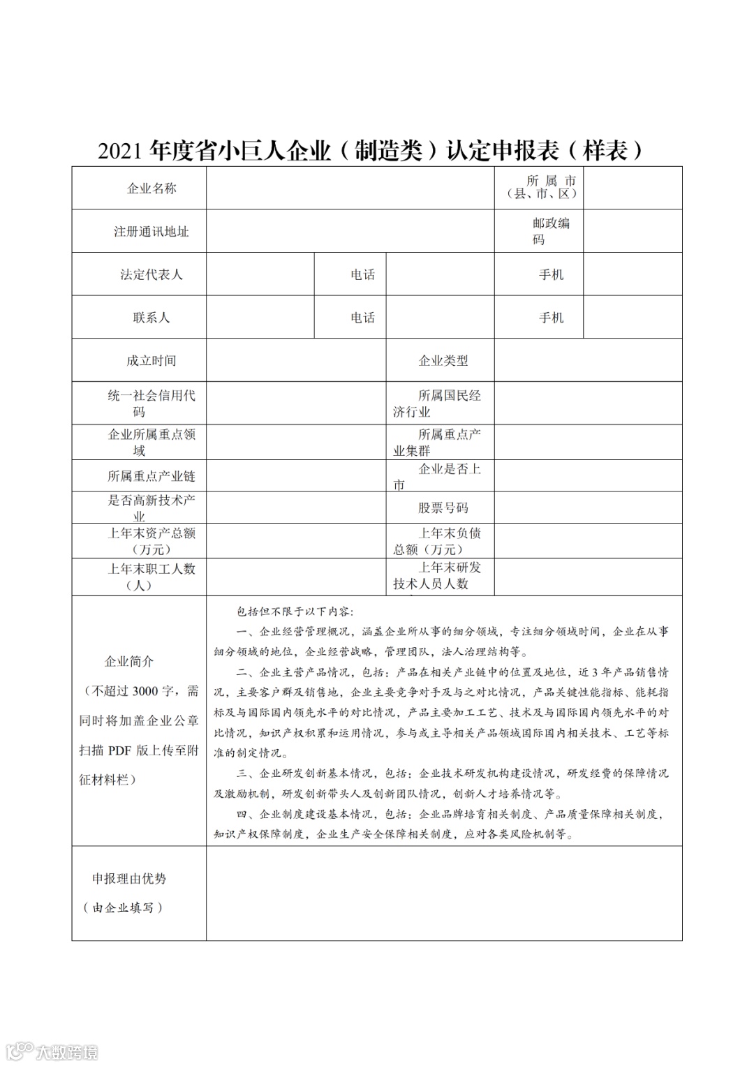
附件:1.2021年度江苏省专精特新小巨人企业申报样表
2.各地推荐名额
3.2021年省级专精特新小巨人企业申报推荐汇总表













END

