分享概述
IPM(智能功率模块)是变频空调驱动系统的核心器件,负责将直流电逆变为交流电以驱动电机。其选型与匹配测试直接影响系统效率、可靠性、噪音、成本及整机性能。本文重点介绍IPM在空调终端系统中的关键评价项目与测试方法。
空调终端系统框图
IPM被誉为“变频心脏”,通过系统级封装技术,可实现95%以上的功率转换效率(较分立方案提升5%-8%),并减少60%的PCB面积。下图为典型空调终端系统架构。
图1 空调终端系统框图
IPM空调终端测评项目
终端测评聚焦于“控制系统-IPM-电机”整体表现,全面评估IPM在不同负载与环境下的功能与适应性。下图为搭建的1.5P家用空调测评系统。
图2 家用1.5P空调终端测评系统
IPM性能受系统结构、软硬件设计影响显著,设计完成后需进行系统级验证。以下为整机评价关键项目清单(本期重点介绍前四项):
表1 整机评价项目清单
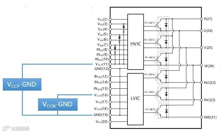
IPM控制侧供电电源
VCCP和VCCN为IPM控制侧供电引脚,提供稳定电压以确保功率器件可靠开关。电压不足会导致驱动能力下降、器件过热;电压过高则可能损坏驱动芯片或功率管。规格书通常推荐工作范围,以下为海信HMR15A060D2(SDIP-26 600V/15A)的推荐值:
表2 VCC规格书推荐值
实测中通过监测VCCP-GND与VCCN-GND电压,判断是否符合设计要求。实测值为14.7V–15.2V,满足规格书标准。
图3 VCC测试电路图
图4 控制侧供电电源上电波形
●以上波形为海信HMR15A060D2在1.5P家用空调实测结果
IPM自举电压
自举电路由自举电阻、二极管和电容组成,核心作用是为高侧驱动供电。在低侧导通时充电储能,高侧工作时释放能量维持驱动电压稳定。电压过高易导致栅极击穿和EMI问题,过低则影响驱动能力。
以下为海信HMR15A060D2的自举电压推荐值:
表3 VBS规格书推荐值
三相自举电路测试如下:
图5 VBS测试电路图
图6 自举电压实测波形
●以上波形为海信HMR15A060D2在1.5P家用空调实测结果
PWM驱动信号
IPM规格书中对PWM信号的工作频率FPWM、死区时间Tdead、最小脉宽PWIN(on)/PWIN(off)等参数有明确要求。FPWM需综合考虑开关损耗与EMI,Tdead应大于规格书最小值以防上下管直通,脉宽需避免窄脉冲引发误动作。
表4 PWM参数推荐值
以U相为例,测试INUP-GND与INUN-GND信号:
图7 U相PWM测试电路图
实测死区时间为2.0μs,满足规格书≥1μs的要求:
图8 死区时间系统实测波形
若PWM信号缺失,将导致相电流异常。如下为W相下管PWM缺失后测得的半波电流:
图9 W相电流半波波形
●以上波形为海信HMR15A060D2在1.5P家用空调实测结果
IPM 保护功能
海信IPM集成短路保护(SCP)、过流保护(OCP)、过温保护(OTP)和欠压保护(UVP)等功能。故障发生时自动关断功率管并输出故障信号,MCU接收到信号后停止PWM输出,实现双重保护。
负载短路是空调系统常见故障,也是导致电路损坏的主要原因。通过短路测试可全面评估IPM性能,检验其在“电-热-力-磁”多物理场耦合下的极限承受能力。
IPM短路安全工作区(SCSOA)表示模块在特定条件下可承受的短路电流与时间范围。只要短路参数在此区域内,模块不会损坏。
图10 短路安全工作区
空调终端短路测试可在系统运行前将UVW三相输出短接,使用示波器监测相电流IO、CIN和FO信号,观察模块进入保护状态的过程。
图11 短路测试原理图
实测短路波形如图12所示,短路时间定义为电流开始上升至下降为止。短路时间与峰值电流均需在安全区内。实际测试中常采用多次短路方式,充分验证模块耐受能力。
建议短路线长度与压机三相端子到电路板的实际距离一致,以真实模拟压机短路场景。若线缆过长,寄生电感增大,短路电流上升率降低,可能导致测试结果偏乐观。
图12 短路测试波形
●以上波形为海信HMR15A060D2在1.5P家用空调实测结果
总结
IPM作为空调主控板的核心元器件,通过研发阶段的系统化测评,有助于提前发现设计缺陷,提升系统可靠性,降低开发成本,并加快产品上市进程。本文所介绍的测试方法可为设计人员提供实用参考,助力IPM在变频空调中的高效应用。

