栅极驱动:功率器件的幕后“指挥官”
在汽车产业向智能化与电动化转型的过程中,栅极驱动技术正成为现代汽车电子系统的“隐形核心”。作为连接低压控制器与高功率电路的关键桥梁,栅极驱动芯片不仅是功率器件的“指挥官”,更是提升整车性能、可靠性和能效的核心元件。
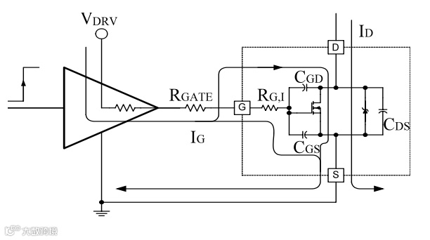
栅极驱动芯片(Gate Driver IC)专为MOSFET、IGBT、SiC MOSFET、GaN等半导体功率器件设计,其核心功能是放大控制信号并提供瞬态大电流,实现功率器件的快速开关,从而降低能量损耗,并保护器件免受异常电压和电流冲击。
以MOSFET为例,其栅极为高阻抗电容输入端,内部存在栅源电容(CGS)和栅漏电容(CGD)。普通MCU的I/O引脚输出电流有限,难以满足快速充放电需求。而栅极驱动芯片可提供强大瞬态电流,显著缩短开关时间,提升系统效率。
在汽车领域,栅极驱动芯片广泛应用于电动汽车(EV)和混合动力汽车(HEV)的电机驱动系统、车载充电器(OBC)、高压直流-直流转换器(DC-DC),以及空调、电动助力转向(EPS)、电子刹车等辅助系统,保障电能高效转换与系统稳定运行。
MOSFET开通过程详解:电流与电压的精密协作
MOSFET的开通过程可分为四个阶段,如图所示:
初始充电阶段
栅极电压从0V升至阈值电压VTH,电流主要用于CGS充电,少量流经CGD。此阶段漏极电流与电压保持不变。
载流启动阶段
栅极电压超过VTH后,MOSFET开始导通,电流持续为CGS充电,直至达到米勒平台电压VGS,Miller。
米勒平台阶段
栅极电压稳定在VGS,Miller,驱动电流集中为CGD充电,促使漏源电压VDS快速下降。此时漏极电流由外部电路限制,保持恒定。
深度导通阶段
栅极电压从VGS,Miller上升至最终驱动电压,CGS与CGD同时充电。随着导通电阻降低,VDS进一步下降,器件进入完全导通状态。
解码栅极驱动的关键参数
驱动电流:效率与干扰的平衡点
驱动电流是衡量栅极驱动能力的核心指标,直接影响功率器件的开关速度与损耗。高驱动电流可加快充放电过程,缩短开关时间,降低能量损耗,但可能加剧电磁干扰(EMI);较小电流则有助于抑制EMI,但会延长开关时间,增加系统损耗。因此,需在效率与EMI之间取得平衡。传统电压模式驱动通过外加电阻调节开关速度,但会延长VGS上升时间,影响系统效率和高频性能。
传播延迟:提升占空比与降低损耗的关键
降低传播延迟是优化系统性能的重要方向。由于VDS变化主要发生在米勒平台阶段,采用分段式电流控制策略可显著改善电机控制表现,主要包括两种机制:
预充电优化:在进入米勒平台前,通过动态预充电与预放电,大幅缩短开通与关断延迟,提升PWM占空比分辨率,同时满足严苛EMI要求。
后充电加速:在米勒平台后增强栅极充放电电流,使MOSFET更快进入低阻态或完全关断状态,减少功率损耗。
图 电流型栅极驱动电路的充电方式
其他关键特性
现代栅极驱动电路通常集成死区时间控制及多种保护功能,如过流保护、温度监测等,提升系统安全性与可靠性。
智芯助力国产栅极驱动芯片发展
智芯推出的Z20A8300是一款适用于汽车中、大功率电机控制的三相MOS管栅极驱动芯片,支持5.5V至48V电源范围,可驱动六个N-MOS管。该芯片三个半桥可独立运行,也可用于无刷直流电机或永磁同步电机的三相桥驱动。内置双电荷泵,支持100% PWM占空比输出及高边N-MOS防反接保护。集成三个可编程增益与偏置的低侧电流检测放大器,并配备过流保护比较器。同时具备芯片级、PCB级和系统级故障诊断机制,支持SPI接口配置参数与反馈故障信息,满足ASIL-B/ASIL-D功能安全系统设计需求。
在此基础上,智芯推出Z20A820x系列车规级电机控制芯片,包括硬件I/O接口的Z20A8200和SPI接口的Z20A8201,覆盖汽车主流直流有刷电机应用。未来产品线将拓展至ASIL-D级栅极预驱、集成功率级的电机驱动及更高集成度的片上系统(SoC)。结合智芯自研MCU、电源管理产品与电机控制算法,可为客户提供完整的系统级电机控制解决方案,全面支持汽车各类电机与执行器应用。


