
导读
随着矿产资源的开发利用,原矿品位不断下降,选矿厂的碎磨需求不断增长。在进行常规分选之前先,对原矿进行预处理,有望显著改善生产成本和资源利用效率。高压电脉冲破碎技术能够将能量释放到矿石颗粒内部,在金属和非金属矿物晶粒的边界上引发电击穿导致矿石破碎。该破碎技术可选择性破碎较高品位矿石颗粒,使矿石沿晶粒间边界破碎或解离,在破碎产物上产生大量裂缝和产物粒度范围窄且细颗粒含量少,在选矿行业受到了广泛关注。
笔者介绍了高压电脉冲破碎技术的原理以及选择性破碎机制,系统总结了高压电脉冲破碎在促进解离、预弱化、预富集、改善堆浸性质领域的应用研究,并对高压电脉冲破碎未来发展进行了展望,以期为高压电脉冲破碎技术在选矿领域的研究提供一定帮助。
1 高压电脉冲破碎技术
1.1 高压电脉冲破碎技术的原理
高压电脉冲破碎技术是脉冲功率技术在破碎处理上的应用。将矿石放置在水中,利用脉冲发生装置在矿石内部引发电击穿,仅在几个毫秒内就能将数十到数百焦耳的能量释放到矿石颗粒内部,使等离子体放电通道周围的材料内部产生强大的压力波,导致矿石颗粒的解体。其原理如图1 所示。

图1 矿石颗粒内部引发电击穿的示意
在高压电脉冲破碎的过程中,矿石颗粒总是浸入电击穿强度大的液体介质中,以确保击穿先通过矿石,而不是通过电击穿强度低的空气。高压电脉冲破碎最合适的液体介质是水。当固体的击穿强度小于施加电压,并且除固体外其他路径的击穿强度较大时,放电将在固体内部发生。这种放电方式的一个必要条件是固体内部的局部电场强度高于击穿场。水、固体材料和空气的击穿强度比较情况如图2 所示。

图2 水、固体和空气介质的动态击穿情况比较
由图2 可以看出,随着脉冲放电时电压前沿上升时间的减小,水的击穿强度会大大增加;当脉冲上升时间低于 500 ns 时,水的击穿强度大于固体材料的击穿强度。随着电压上升时间的增加,固体击穿强度大于水,放电优先在水中发生。空气的击穿强度远低于水或固体的击穿强度,因而在高压电脉冲破碎过程中,不能将矿石暴露在空气中。
放电通道的急剧膨胀和由此产生的应力场的共同作用最终导致颗粒破碎,因此电击穿放电通道发展过程的研究是高压电脉冲破碎机理研究的核心内容。在矿石颗粒内部,电击穿 (见图3) 是在具有不同介电常数和电导率的矿物的边界上开始的,边界内部的静电极化会引起电场的大幅增强,从而产生等离子体通道,不同矿物的电学性质差异越大,越容易发生电击穿。矿石是一种固体电介质,其击穿机理可以借鉴固体电介质电击穿理论。但作为成分与结构复杂的复合物,矿石的电击穿过程受多因素影响,并不完全适用于经典的固体电介质电击穿理论。

图3 水中矿石颗粒的极化过程
Andres 通过求解场势的拉普拉斯方程,研究了固/液体系中电场的分布和击穿路径的位置,其认为击穿路径的位置受不同矿物成分性质的影响,包括介电常数、电导率、形状、电场中的取向、电场的分布和大小。当最大电场集中在固体电介质内部时,等离子体通道才能通过固体内部。Lisitsyn 等人持有不同的观点,认为岩石内部的气泡对电击穿的引发起到关键作用,并在试验中采用加压渗透的方式将花岗岩和凝灰岩样品内部的气泡用水取代,发现原本能够被引发电击穿的样品不再发生电击穿。Kurets 等人讨论了电击穿在非均质固体介质中的发展过程,建立了电击穿放电通道发展的数学模型,解释了金属矿石电击穿过程中裂缝沿金属和非金属矿物晶粒间边界扩展的原因。Usmanov推导了岩石的电击穿数学模型,模拟了放电通道的能量、压强和直径随时间的变化规律。Biela 等人研究了入料岩石对脉冲电路的负载阻抗特性的影响,指出高电压和大电流分别有利于岩石放电通道的产生和其对岩石的破坏。Cho 等人利用高速相机和 X 光 CT 技术,研究了岩石和人造样品电击穿过程中放电通道和裂缝的走向。Zuo 等人采用人造样品,研究了金属矿物嵌布特征对电击穿放电通道走向的影响及放电通道走向对产物粒度分布和裂缝密度的作用。另外一些研究更进一步地指出,放电通道的发展过程与高压电脉冲破碎的能量效率密不可分。
1.2 选择性破碎机制
高压电脉冲破碎具有选择性破碎的特性,主要在于能够沿材料交界面进行破碎,将目的组分有效地分离出来,而不破坏原有材料组分。Bluhm 总结了高压电脉冲选择性破碎的 3 种不同机制。第 1 种机制 (见图4(a)) 是由放电通道直接导致的。组合材料中不同组分在介电常数、电学性质上存在差异,因此增强材料交界面电场强度,吸引放电通道膨胀扩张,从而使不同组分之间发生分离。第 2 种机制 (见图4(b)) 是从放电通道周围产生的裂纹开始的。在放电初期,放电通道周围沿径向会出现大量几毫米大小的裂纹;到后期阶段,通道周围一些径向传播的裂缝与能量释放的速率有关到达颗粒表面的裂纹数量在很大程度上取决于放电释放的总能量。在裂纹到达颗粒之前,颗粒反射的应力波与生长中的裂纹相互作用;当裂纹到达颗粒时,根据入射角的不同会产生分支,并将颗粒从矿石中分离出来。第 3 种机制 (见图4(c)) 与放电通道发射的压缩波的作用有关。由于放电通道的扩大,产生的冲击波逐渐发展为压缩波。研究表明,压缩波在颗粒内部经过折射和反射后转化为拉伸波,在足够高的冲击波作用下,颗粒和矿石之间的整个界面完全分离。

图4 高压电脉冲选择性破碎的 3 种机制
除了完整的放电通道导致选择性破碎外,Andres介绍了局部放电通道导致的选择性破碎。等离子体通道的生成伴随着局部放电通道分支的发展,这些放电通道分支与桥接电极的主放电通道不同,其不能桥接接地电极,如图5 所示。局部放电发生在具有不同电参数的矿物界面上,并在其边界处诱发细裂纹,最终以光和热的形式消失。组合材料在最终爆炸崩解过程中,沿着这些细裂纹进行分裂,实现了有效的解离。

图5 矿石内部放电通道分支的示意
高压电脉冲选择性破碎矿石分为两种情况。一是矿石中含有多种金属矿物。在介电常数或电学性质不同的金属矿物界面,电场强度得到增强,放电通道膨胀,从而实现金属矿物从脉石矿物中解离,或实现各金属矿物的分离。这种选择性破碎能够促进金属矿物的单体解离,为后续磨矿、分选等流程减小处理压力,提高精矿质量。二是多颗粒之间的选择性破碎,这是 JK 研究团队在单颗粒单脉冲破碎矿石时发现的。Zuo 等人开展相关试验,证明了这种矿石颗粒间的选择性破碎现象,并发现含金属矿物的颗粒会被优先破碎,由此提出高压电脉冲的选择性破碎可用于矿石预富集。
2 高压电脉冲破碎的应用
长期以来,高压电脉冲破碎技术在选矿领域的研究重点一直是矿石破碎行为及其对后续拣选、研磨和分选作业的影响。根据不同的应用目的,学者们针对破碎产物的解离特性、粒度分布、裂缝生成和金属矿物品位与粒度的关系等方面,分别对矿石的高压电脉冲破碎行为进行了研究。笔者对高压电脉冲破碎在促进解离、预弱化、预富集和改善浸出性质 4 个方面的应用进行总结。
2.1 促进解离
高压电脉冲破碎使矿石内部的不同矿物组分间发生解离,能够改善有用矿物的解离效果,提高产品品位以及有价元素的回收率。
Andres 等人在 1970 年首次利用高压电脉冲破碎技术对矿石进行解离试验,发现高压电脉冲破碎能够使矿石发生晶粒间解离,从而改善矿物的解离效果。他们指出在高压电脉冲破碎中,放电通道会被吸引到金属和非金属矿物的边界上,从而使矿石沿二者的边界发生拉裂解离,这种晶粒间解离是矿物加工中最理想的解离方式。高压电脉冲破碎技术对矿物解离度的促进作用吸引了研究人员进行了大量的对比试验。这些试验比较了高压电脉冲破碎技术和传统机械破碎技术对铁矿、铅锌矿、锡矿、铜金矿和煤等多种矿物的解离效果。结果表明,在绝大多数情况下利用高压电脉冲破碎能够取得比传统的机械破碎更好的矿物解离效果,同时可以保持解离矿物的完整性。相比机械破碎,高压电脉冲破碎的产物具有更窄的粒度分布和更低的细颗粒含量,能够显著提高浮选、重选、磁选或浸出的回收率和精矿品位。例如,Andres发现,在经过高压电脉冲破碎处理充分解离以后,某铂金矿的浮选回收率可以从 59% 提高到 72%。
2.2 预弱化
高压电脉冲破碎技术在矿石预弱化方面的应用研究始于 1970 年。Usov 等人发现高压电脉冲破碎使被破碎的矿石产生大的裂缝,提出可以应用高压电脉冲破碎技术对矿石进行预弱化处理,从而降低后续细磨作业中的能量消耗。研究人员对多种赤铁矿、铜矿、铅锌矿、银矿和花岗岩进行对比试验,证明了高压电脉冲破碎在矿石颗粒中产生的裂缝可以明显改善矿石的可磨性。
Usov 等人对高压电脉冲破碎的预弱化效应进行了全面研究,指出了 3 种不同的弱化方式。第 1 种是在颗粒内部产生裂纹,即等离子体通道附近形成一个圆形的纵向裂缝网,只有一部分裂缝能够到达矿石表面导致矿石破碎,而大部分裂缝仍在颗粒内部。第2 种是矿石发生机械破碎形成各种缺陷,这一结论通过浸出试验得到证实,高压电脉冲处理后的产物浸出速度提高了 10%~15%。第 3 种是未完成放电的通道会积累更多的局部电荷,导致固体介质的击穿强度和硬度发生不可逆下降,增强弱化效果。
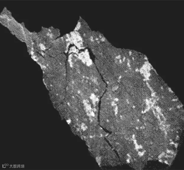
高压电脉冲破碎使矿石裂缝密度和孔隙率得到提高,从而使矿石硬度和可磨性得到改善。Wang 等人探索了单位破碎能量、入料粒度、金属矿物嵌布特征等对高压电脉冲破碎产物粒度分布、裂缝分布和矿石硬度变化的影响规律。他们还借用冲击破碎模型,模拟了单位破碎能量和入料粒度与高压电脉冲破碎产物粒度分布之间的关系,并采用 X 光断层照相术和压汞法进行试验,对比了某铜金矿石在高压电脉冲破碎处理前后的裂缝分布和孔隙率的变化情况,发现高压电脉冲破碎在矿石内部产生了大量宽度为 2.7~230.0µm 的裂缝,并使矿石颗粒的孔隙率从 3.2% 上升到了 13.2%,如图6 所示。随后,其他学者研究了脉冲放电次数、电压、电容和矿石性质对高压电脉冲破碎产物粒度分布和可磨性的影响。Shi指出矿石高压电脉冲破碎预弱化处理可用于改善自磨机/半自磨机的入料、顽石以及球磨机入料的可磨性;采用磨矿流程模拟软件仿真,结果表明高压电脉冲破碎预弱化处理能够明显降低半自磨机磨矿系统的单位能耗。

图6 高压电脉冲破碎的某铜金矿颗粒 (9.5~13.0 mm) X 光断层照片
2.3 预富集
基于高压电脉冲在矿石颗粒之间选择破碎性的现象,高压电脉冲破碎被开发成为用于矿石预富集的新技术。
Zuo对人造样品和天然矿石的高压电脉冲破碎试验发现,由于金属和非金属矿物边界对电击穿的放电通道具有吸引作用,因此,在相同条件下,含有金属矿物的颗粒比脉石颗粒更容易被脉冲放电选择性的破碎,从而具备更细的粒度。基于此,Zuo 等人研究了高压电脉冲破碎产物中金属矿物品位与粒度的关系,提出高压电脉冲破碎技术可用于金属矿石的预富集,对经过高压电脉冲破碎处理的矿石进行筛分试验,得到高品位的筛下产物和低品位的筛上产物,从而实现预富集,如图7 所示。试验假设可以找到一个临界能量,刚好能够探测到颗粒内部是否存在金属矿物,并诱导含金属矿物的颗粒内部产生放电通道使颗粒破碎。4 种低品位铜金矿 (铜品位为 0.05%~0.28%) 的高压电脉冲破碎产物分析结果表明,高压电脉冲破碎的粗产物铜品位可以提高 7%~117%,其中某铜金矿质量分数为 60.5% 的粗产物中富集了占83.8% 的含铜矿物。Zuo 等人针对高压电脉冲破碎产物的粒度分布、硬度变化程度和品位分布,研究了单颗粒矿石的高压电脉冲破碎行为,并建立了单颗粒矿石高压电脉冲破碎的数学模型。该模型能够根据电压、单位破碎能量和入料粒度,预测高压电脉冲破碎产物的破碎概率、粒度减小程度、预弱化程度和预富集程度等指标。Shi 等人指出预富集不会影响预弱化的效果,磨矿流程软件模拟发现,在 2 000 t/h 规模的铜金矿碎磨流程中嵌入高压电脉冲破碎,可在实现预富集的同时达到 5 kW/t 的节能效果。

图7 高压电脉冲破碎预富集作用示意
预富集效果与矿石品位的不均匀性和脉石矿物有关。金属矿物种类不同,预富集的结果也不同。针对人造合成颗粒的研究表明,预富集效果还受颗粒在地面电极上的位置的影响。当不含金属矿物的颗粒比含金属矿物颗粒更靠近接地电极中心时,不含金属的颗粒可能会被优先破碎。
2.4 改善堆浸性质
在实际生产中,堆浸处理效率主要取决于金属矿物的暴露率和溶浸液在矿堆中的渗透性。现有的机械破碎方法会伴随产生大量细颗粒,降低溶浸液在矿堆中的渗透性。高压电脉冲破碎在提高金属矿物暴露率的同时,产物粒度相比机械破碎更粗且细颗粒含量少,能够更好地满足堆浸处理对金属矿物暴露率和溶浸液渗透性的要求,如图8 所示。利用高压电脉冲破碎技术,有望进一步提高堆浸作业的金属回收率、缩短浸出时间和降低溶浸药剂用量。

图8 机械破碎与高压电脉冲破碎处理堆浸原矿效果对比
左蔚然等人提出了一种基于高压电脉冲破碎的低品位金矿石堆浸方法。将原矿石破碎到合适的粒度后,进行高压电脉冲处理,并采用湿式振动筛和分级设备对破碎产物进行联合分级,较细的溢流产品直接浸出,粗粒物料与调碱石灰混合后堆浸。结果表明,金矿石试样中金浸出率提高约 5.85%,氰化钠消耗量减少约 8.74%。黄烈凤等人对紫金山铜矿石进行了高压电脉冲破碎试验,证实高压电脉冲破碎对改善紫金山铜矿石的浸出性质也有积极作用。同时,对破碎产物中金属矿物的暴露程度和裂缝产生情况进行了检测,并对比了高压电脉冲破碎预处理与机械破碎对紫金山铜矿石浸出效率的影响。试验发现,高压电脉冲破碎得到的产物中金属矿物的暴露量与机械破碎相比提高 2 倍多,高压电脉冲破碎产物的渗流能力比机械破碎产物高出 3.3%,在接近或到达浸出终点时,高压电脉冲破碎产物的铜浸出率相比机械破碎产物提高6.6%~11.1%。
3 结语
高压电脉冲破碎作为碎磨的上一级工序,主要用于预弱化、预富集工艺,能够提高下游工艺矿石的可加工性。高压电脉冲破碎与传统的机械破碎方法不同,基于矿石矿物组分的相对介电常数和电导率等特性差异,能够实现选择性破碎,降低工业生产成本,节约能耗,并且具有污染小、无粉尘的优势。利用高压电脉冲破碎对金属矿石进行预处理具有广阔的应用前景。同时,高压电脉冲破碎作为一种新型、多学科融合的技术,不仅应用于选矿领域,还广泛应用于废弃物处理和油气钻探等领域。针对高压电脉冲破碎的相关研究,具有重要的理论与实际意义。
引文格式:
|
|

精彩内容,欢迎点击






