点击上方"佳洋光电"关注我们
在机器视觉系统中,工业镜头作为图像采集的核心组件之一,起着至关重要的作用。镜头的好坏直接决定了图像的质量、分辨率和整个系统的检测精度。
1. 工业镜头的接口类型
在工业镜头的选择上,接口类型是一个非常重要的因素。常见的工业镜头接口有C型、CS型和F型接口。每种接口类型的设计和使用场景都有所不同。
C型接口:
C型接口的特点是镜头与摄像机接触面到镜头焦平面之间的距离为17.5mm。简单来说,C型镜头与摄像机的连接距离相对较长,适用于焦距较长的镜头。它在工业领域中使用较广泛,尤其是在需要高分辨率和精细成像的场合。
CS型接口:
CS型接口与C型接口相比,接触面与镜头焦平面的距离较短,仅为12.5mm。由于CS型镜头和摄像机的距离较小,因此它们可以无缝配合使用。如果你想将C型镜头与CS型摄像机配合使用,可以通过一个5mm的C/CS转接环来实现。需要注意的是,CS型镜头不能与C型摄像机搭配使用,因此在选择镜头时,要确保镜头和摄像机接口匹配。
F型接口:
F型接口是一种通用型接口,通常适用于焦距大于25mm的镜头。F型接口适合在更高要求的领域使用,尤其是当你需要长焦镜头或者需要更大视野的应用时,F型镜头提供了更多的灵活性和扩展性。
镜头总长TTL:
光学总长是指由镜头中镜片的第一面到像面的距离;机构总长是指由镜筒端面到像面的距离在更换镜头时,要考虑镜头总长是否合适。
TTL影响安装位置,TTL太长时,套筒可能不够长,导致无法安装;我们在更换一款镜头时就出现过这种情况。
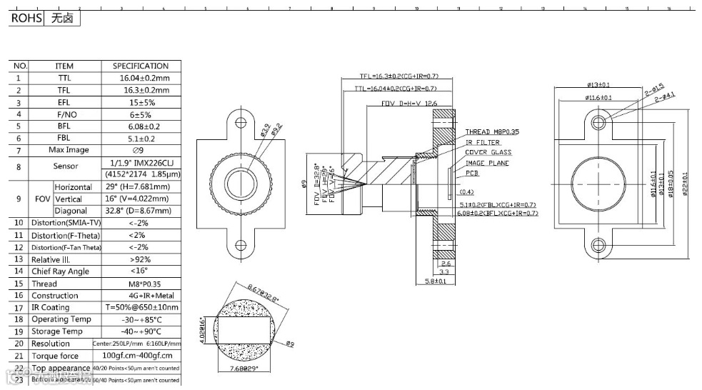
这是一个镜头的规格,TTL = 16mm 。
TTL : 光学总长,镜片的第一面到像面的距离
TFL : 镜头总长/机构总长,由镜筒端面到像面的距离
EFL : 有效焦距,等效焦距
F/NO : 光圈大小
FBL:机构后焦(法兰焦距),镜组的最后一个机构面到像面的距离
BFL(Back Focal Length):光学后焦距,镜片的最后一面到像面的距离
FOV :水平FOV,垂直FOV,对角FOV
Chief Ray Agnle:主入射角
Thread:螺口尺寸,M8 直径8mm,P0.35 螺纹间距0.35mm
Construction:结构,4G+IR+Metal,4 glass 4片玻璃镜头 ,红外滤光片,金属外壳
Resolution:解析度, LP/mm,Line pairs per millimetre,每毫米线对;比如10 lp/mm,意指1mm长度上有10对黑白一组的线,黑白线相加一共20根,那每根线的宽度就是1/20 = 0.05mm
2. 基本参数解析
了解镜头的接口后,我们还需要深入理解镜头的一些关键参数,这些参数决定了镜头的实际使用效果。
镜头成像原理
像距v:镜头到sensor的距离
物距u:物体到镜头的距离
焦距f:镜头焦距参数;定焦镜头,焦距固定;变焦镜头,焦距可变
自动对焦与自动聚焦:自动对焦AF,焦距不变,调整像距和物距(主要是像距离);自动聚焦zoom,调整焦距,物距和像距不变
凸透镜成像原理
凸透镜成像原理是指利用光的折射的原理成像。
u>2f,f<v<2f:倒立缩小的实像(相机应用)
u=2f=v:倒立等大的实像
f<u<2f, v>2f:倒立放大实像(投影仪)
成像公式:1/u + 1/v = 1/f,符合这个条件才能形成清晰的图像。
在相机中,通常u >>> v,物距远远大于像距。所以,AF自动对焦过程,像距v很小的一个变化,就能引起物距u的很大变化。所以通常VCM推动的距离是很短的,却能控制一个很大的清晰成像范围。
视场(FOV)
视场即视野范围,指摄像头能够捕捉到的物体部分的大小。视场越大,镜头能够看到的区域就越广,但同时也可能影响图像的细节。当你需要捕捉大范围的物体时,选择一个视场较大的镜头是一个不错的选择。
视场角、景深之间的关系:FOV越大,相同距离成像越小,景深越浅。
FOV由焦距和传感器尺寸决定:
工作距离(WD)
工作是指镜头前部到被检测物体表面的距离,也就是镜头能够清晰成像的最短距离。在工业应用中,镜头的工作距离需要根据实际情况来选择,过近或过远都会影响图像的清晰度。
分辨率
分辨率是指镜头能够分辨的最小物体特征的大小。通常,视场越小,分辨率越高,因为小视场能够捕捉更多的细节。这一点对于精密检测非常重要,尤其是需要对微小尺寸或细节进行分析时,高分辨率镜头是不可或缺的。
景深(DOF)
景深指的是物体离最佳焦点较近或较远时,镜头仍然能够保持清晰成像的能力。在实际应用中,选择景深合适的镜头,能够保证即使物体发生轻微位移,图像仍然保持清晰。这对于动态检测尤为重要。
焦距(f)
焦距是光学系统中衡量光的聚集或发散程度的一个重要参数。简单来说,焦距越长,镜头能拍摄的物体就越远,视野也会相应缩小;焦距越短,镜头能拍摄的范围越广,视野也会增大。焦距的大小直接影响图像的放大倍数、景深等因素。
焦距大小的影响
·焦距越小,景深越大,适合拍摄需要较大对焦范围的物体;
·焦距越小,畸变越大,可能导致物体形状变形;
·焦距越小,渐晕现象(图像边缘光线衰减)越严重,影响图像的均匀性。
失真(畸变)
失真是指在光学系统中,物体的直线经过镜头成像后,变成了曲线。失真主要影响影像的几何形状,而不影响影像的清晰度。失真在一些精密检测中可能成为问题,尤其是在需要高精度尺寸测量时。
光圈与F值
光圈是控制镜头进光量的装置。镜头的光圈大小通常以F值来表示,比如f/2、f/4等。F值越小,光圈越大,进光量越多,图像亮度越高,适合低光环境下使用。反之,F值越大,光圈越小,进光量减少,适用于光线较强的环境。
3. 如何选择合适的工业镜头
选择工业镜头时,需要综合考虑多个因素:
视野范围和焦距
根据被测物体的大小选择合适的镜头焦距。较小的焦距适合拍摄大范围物体,而较大的焦距则适合拍摄远距离的目标。
分辨率和景深要求如果需要对细微的物体进行高精度检测,选择分辨率较高的镜头。此外,对于动态检测,景深越大越有利于保证图像的清晰度。
接口类型的匹配
根据相机的接口类型,选择合适的镜头接口。确保镜头和相机的接口匹配,以确保成像效果最佳。
光圈选择
光圈影响进光量,光圈越大,进光量越多,成像越亮;同理光圈越小,进光量越小,成像越暗。故光圈的选择影响着图像的亮度和深度。低光环境下需要选择较大的光圈,而在强光环境下则需要使用较小光圈。
在选镜头时,需要根据场景,平衡进光量和景深,选择合适光圈的镜头。
相对孔径的倒数(f’/D),称之为F数,也叫光圈数,记作F/…。
进光量与F数的平方成反比,即 F4.0 光圈的进光量比 F2.8 少一半,曝光时间要加倍。
4. 镜头焦距与光圈对景深的影响
光圈不变情况下,镜头焦距大小与景深大小成反比:
焦距越大,景深越浅 焦距越小,景深越大
焦距不变情况下,光圈大小景深大小成反比:
光圈越大,景深越浅 光圈越小,景深越大
焦距不变情况下,工作距离景深大小成正比:
工作距离越大,景深越大 工作距离越小,景深越小
5.不同光线对焦距的影响
不同波长的光在介质中的传播速度不同,折射率不同,故同一个透镜对不同波长的光,其焦距是不同的,这叫色散,和棱镜的色散道理相同。波长越长焦距越大。
不同颜色可见光的波长范围:
红:770~622nm;橙:622~597nm;黄:597~577nm;绿:577~492nm;蓝、靛:492~455nm;紫:455~350nm。
那我们思考一个问题,在监控摄像头中,在白天是使用彩色的视频图像,而夜晚是红外的视频图像;那如果在IR CUT切换前后,肯定焦点就变了,那就需要重新对焦。
为了适应全天候24小时的监控需求,很多场所不仅要求摄像机能够白天完成监视任务,还要在夜间能够呈现清晰的画面。而且近年,红外摄像机、红外灯大量普及,日夜型摄像机、高清晰彩色摄像机价格一定程度的下降,给镜头厂商也提供了大量的市场机会。IR监控摄像机镜头就这样孕育而生了。
IR镜头即红外镜头,它采用了特殊的光学玻璃材料,并用最新的光学设计方法,消除了可见光和红外光的焦面偏移,因此从可见光到红外光区的光线都可以在同一个焦面成像,使图像都能清晰。此外,IR红外镜头还采用了特殊的多层镀膜技术,以增加对红外光线的透过率,所以用IR镜头的摄像机比用普通镜头的摄像机夜晚监控的距离远,效果好。
6.案例应用
这是一个定焦镜头上面的参数:
16mm:焦距16mm
IR:红外镜头
1/2’‘:靶面尺寸1/2’’
5MP:镜头分辨率,500w像素
F4.0:也写作F/4.0,光圈系数,4.0光圈,焦距/孔径;其他条件不变情况下,光圈系数越小,光通量越大,图像越亮。
靶面尺寸:对应Sensor的尺寸,不能小于Sensor尺寸,当小于Sensor尺寸时会有暗角。
焦距:定焦镜头焦距是恒定不变的;凸透镜越凸,焦距越小;凸透镜越平,焦距越大。变焦镜头通过改变镜头内镜片的相对位置来改变镜头的焦距。镜头焦距定义为无限远聚焦时镜头的光学中心与相机的图像传感器(或胶片平面)之间的距离。在有些情况下,像距与焦距等价。
光圈值:F1.4、F2.0、F2.8、F4.0、F5.6、F8.0…,下一个是前一个的1.4倍(根号2),光通量是前一个的一半。
结束语:我们一起学习,阅读其过程中更进一步。

