
仪表接头包括所有仪表的表接头、仪表管道接头、仪表阀门接头、仪表取源部件接头、仪表电气接头、金属软管接头等等。它品种繁多,规格各异,每种仪表接头都有其自己的功能。

1
标准的管接头由螺帽、卡环(有的只有一个卡环)、接头、以及管子组成。

标准的管接头安装好的形状如图

管接头的密封的原理:是通过螺帽的紧固,使卡环压迫管子变形,形成密封。

2
安装步骤
1、在有螺纹的快速接头处用生料带缠绕适量厚度;
2、用合适的力量拧紧快速接头;
3、将要插入的管子顶端用切刀垂直切平;
4、将切好的管子顶端插入快速接头,用力插到底;
5、验证管子是否连接牢固,用适当的力量拔一下管子,管子拔不出即可。
拆卸步骤
1、首先检查通过接头管路的介质是否隔断;
2、一手用食指和拇指将夹头向快速接头处按住的同时,另一只手将管子拔出。
3
步骤一:将管子插入接头中,确认低到螺帽的低端

步骤二:用手将螺帽旋紧,并在一位置上做好记号(见6点处)

步骤三:用扳手将螺帽顺时针旋转1又1/4圈,见记号在9点处

4
对于1英寸(25mm)及以下管径,用手旋紧后再用扳手旋转1 ¼圈即可。对于1/16、1/8和3/16英寸(2、3、4mm)管径,只需用扳手旋转3/4圈即可。对于1 ¼、1 ½、2英寸和28、30、32、38mm管径的接头安装,则需要专业工具,因在现场使用很少。
图示中可以看出管子的变化

5
对于已经上紧过的管接头,在拆下前请做好螺帽与接头之间位置的记号,在重新安装时,首先用手将螺帽上紧,再用扳手将螺帽上到原来的位置即可。对于重复拆装多次的管接头,可以在螺帽上到原位置后,再旋转10°~ 20°(不超过六角螺帽一面的1/3,即不超过B处) 。

生产厂家提供专用工具,可以用来检查管接头是否上紧,不同的管径有不同的标准

过这种工具可以辨别管接头是否上紧,请注意:它只适用1英寸(25mm)及以下的金属管接头
选择管子时注意事项:要注意管子的壁厚在规定的范围内(见下表),因为管壁太厚,卡环不起作用,管壁太薄,会引起管子变形开裂

6
管接头的密封有以下两种方式
1.生料带的密封:
注意以下几点:
上生料带前要对接头螺纹进行清洁
上生料带的方向为顺时针
生料带不能超出接头螺纹端部
生料带剪断后,要紧贴螺纹

2.密封胶的密封
注意以下几点:
上密封胶前要对接头螺纹进行清洁
用密封胶将螺纹的第二和第三圈涂上。(360°)

7
不锈钢:SS
黄铜:B
碳钢:S
铝:A
尼龙:NL
全氟烷氧基: PFA
TFE: T
注意事项:
因为金属管的硬度要比管接头的材料软,所以不锈钢管不能使用铜接头;
如果管子与管接头是同质材料,金属管需进行退火处理(一般金属材料,如不锈钢、铜、钛、碳钢、合金等已进行了退火处理)
非常软的管子(如Tygon 聚乙稀)或非塑料的PVC管,安装时要加衬垫,并注意密封。
8
名称的标注举例:
1/4管:表示1/4英寸OD的管
管1/4:表示连接1/4英寸OD管的接头
8mm管:表示8mm OD的管
管8mm:表示连接8mm OD管的接头
英制的主要有:1/4、3/8、1/2几种尺寸
公制的主要有:6、8、10、12mm几种尺寸

阳:表示阳接头(公接头)
阴:表示阴接头(母接头)
阳锥或阴锥指的是RT螺纹的接头,即ISO 7/1标准,阳平或阴平主要指的是RS、RP或RG螺纹的接头,即ISO 228/1标准
NPT接头不作专门标注,ST接头在大亚湾核电站用量极少,也没有作专门标注
1
①先将两导线芯线线头成X形相交。

②互相绞合2~3圈后扳直两线头。

③将每个线头在另一芯线上紧贴并绕6圈,用钢丝钳切去余下的芯线,并钳平芯线末端。

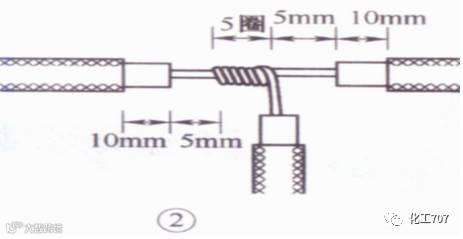
2
①将支路芯线的线头与干线芯线十字相交,在支路芯线根部留出5mm,然后顺时针方向缠绕6~8圈后,用钢丝钳切去余下的芯线,并钳平芯线末端。

②小截面的芯线可以不打结。

3
将两根双芯线线头剖削成图示中的形式。连接时,将两根待连接的线头中颜色一致的芯线按小截面直线连接方式连接。用相同的方法将另一颜色的芯线连接在一起。

4
①先将剥去绝缘层的芯线头散开并拉直,再把靠近绝缘层1/3线段的芯线绞紧,然后把余下的2/3芯线头按图示分散成伞状,并将每根芯线拉直。

②把两伞骨状线端隔根对叉,必须相对插到底。

③捏平叉入后的两侧所有芯线,并应理直每股芯线和使每股芯线的间隔均匀;同时用钢丝钳钳紧叉口处消除空隙。

④先在一端把邻近两股芯线在距叉口中线约3根单股芯线直径宽度处折起,并形成90°。

⑤接着把这两股芯线按顺时针方向紧缠2圈后,再折回90° 并平卧在折起前的轴线位置上。

⑥接着把处于紧挨平卧前邻近的2根芯线折成90° ,并按步骤⑤ 方法加工。

⑦把余下的3根芯线按步骤⑤ 方法缠绕至第2圈时,把前4根芯线在根部分别切断,并钳平;接着把3根芯线缠足3圈,然后剪去余端,钳平切口不留毛刺

⑧另一侧按步骤④~⑦方法进行加工。

5
①将分支芯线散开并拉直,再把紧靠绝缘层1/8线段的芯线绞紧,把剩余7/8的芯线分成两组,一组4根,另一组3根,排齐。用旋凿把干线的芯线撬开分为两组,再把支线中4根芯线的一组插入干线芯线中间,而把3根芯线的一组放在干线芯线的前面。

②把3根线芯的一组在干线右边按顺时针方向紧紧缠绕3~4圈,并钳平线端;把4根芯线的一组在干线的左边按逆时针方向缠绕4~5圈。

③钳平线端。

6
把细导线线头在粗导线线头上紧密缠绕5~6圈,弯折粗线头端部,使它压在缠绕层上,再把细线头缠绕3~4圈,剪去余端,钳平切口。

7
①在离多股线的左端绝缘层口3~5mm处的芯线上,用螺丝刀把多股芯线分成较均匀的两组(如7股线的芯线3、4分)。

②把单股芯线插入多股芯线的两组芯线中间,但单股芯线不可插到底,应使绝缘层切口离多股芯线约3mm的距离。接着用钢丝钳把多股芯线的插缝钳平钳紧。

③把单股芯线按顺时针方向紧缠在多股芯线上,应使圈圈紧挨密排,绕足10圈;然后切断余端,钳平切口毛刺。

8
先将软线拧成单股导线,再在单股硬导线上缠绕7~8圈,最后将单股硬导线向后弯曲,以防止绑脱落。

9
①接线前,先选好合适的压接管,清除线头表面和压接管内辟上的氧化层和污物,涂上中性凡士林。
②将两根线头相对插入并穿出压接管,使两线端各自伸出压接管25~30mm。

③用压接钳压接。

④如果压接钢芯铝绞线,则XX应在两根芯线之间垫上一层铝质垫片。压接钳在压接管上的压坑数目,室内线头通常为4个,室外通常为6个。
10
连接前,先用钢丝刷除去导线线头和沟线夹线槽内壁上的氧化层和污物,涂上凡士林锌膏粉(或中性凡士林),然后将导线线卡入线槽,旋紧螺栓,使沟线夹紧紧夹住线头而完成连接。为防止螺栓松动,压紧螺栓上应套以弹簧垫圈

新闻来源:机械前沿、化工707

免责声明:本文仅代表作者个人观点,与思舶网无关。文章及图片、视频来源于网络,版权归原作者所有,如有侵权,请与我联系删除,其原创性以及文中陈述文字和内容未经本站证实,对本文以及其中全部或者部分内容、文字的真实性、完整性、及时性本站不作任何保证或承诺,请读者仅作参考,并请自行核实相关内容。


