1 引言
火警报警系统是在火灾发生时或火灾初起时,通过各种火警探头探测火灾,及时地发出火灾声光报警信号和控制防火设备信号,引起值班员的注意,指出火灾发生的地点,迅速有效地扑灭火灾,保证船舶安全的重要装置。
目前,船舶上使用的各种类型火警报警产品都是经过不断完善发展而来的,根据规范规定,客船和大于500总吨的货船,应在游客和船员起居处所及机器处所装设手动报警器。此外,载客超过36人的客船起居处所及服务处所和国际航行的干货船上装有爆炸物品或易燃物品的舱室及其相临近的装货舱室内设置失火自动报警系统。船上常用的失火自动报警装置有测温式和测烟式两种,完全满足船舶行业规范中的要求。这些产品的主机有的是采用逻辑回路控制,有的则是采用可变程序控制器来实现控制的,还有就是采用微型计算机控制。它们在系统构成上大同小异,主要有主机、遥控显示器、探测回路、报警控制单元、防火设备回路和电源回路。
根据船舶建造规范中的相关规定,船舶火警报警系统适用于以下船舶:
1.所有航行于国内及国外的海上客船
2.总吨位大于1000登记吨的海上机动货船
3.油船
4.用以装载棉花、麻、亚麻、火柴以及其他易燃物品的干货船
2 船舶火警报警系统简介
2.1 船舶火警系统的基本组成
火警报警系统是通过各种探测器检测火灾前兆所产生的烟雾、不正常的温度、温升和火光,并将其转换为电信号汇集到报警指示器,发出火灾报警信号。其系统的组成:由火灾探测器、手动报警按钮和报警指示器以及声光报警器等组成,如图1所示。火警探测器分布于被保护的舱室内。报警指示器安装于有人值班的驾驶室或消防控制站内,手动报警按钮装设在人员经常出入的过道、走廊、控制站、公共舱室等场所的明显之处。

图1 火警报警系统基本组成
(1)主机 (2)电源回路 (3)蓄电池 (4)遥控显示板 (5)感温探头 (6)感烟探头 (7)报警按钮 (8)感火焰探头 (9) 24V报警铃 (10)220V报警笛 (11)故障报警器 (12)自动停止风机 (13)防火闸电磁阀 (14)自动灭火装置 (15)报警输出继电器 (16)终端电阻
2.2 船舶火警系统的功能
1.失火自动报警功能。根据自动探测器或手动报警按钮从监护现场发来的火灾信号,发出火警声(间断警铃:7短1长)、光(红色闪光)报警,并显示火警部位。
2.故障报警功能。对主、副电源故障可以自动切换,对他的输入输出线路的断线故障进行监控。故障时发出故障声(蜂鸣器)、光(黄色)报警,并显示故障的部位。
3.火警和故障报警的记忆功能。只有在火警或故障已消除后才能人工复位。
4.手动测试功能。用控制面板上的各报警分路的自检按键随时对系统功能进行检验,同时也利用该按键迅速确定断线故障所在回路。
5.火警优先功能。同时发生断线故障和火警报警时,真的切换为火灾报警。
6.其他联动控制功能。如:可以控制关闭风机,防火门;释放真的灭火剂;发出火灾报警后两分钟内若为引起值班人员的注意,则能向船员住所、服务处所、消防控制站和机器处所等发出显著的二次声光报警等。
2.3船舶火警报警系统的一般要求
1.任何要求的带手动按钮的固定探测器和报警系统都要能在任何时间立即动作。
2.系统中探测器和手动报警按钮数量注册后自动录入。
3.用于系统操作的电源和电路要有合适的失电保护和故障监测,一个故障信号的发出要能激发主板上声光故障信号,且区别报警信号。
4.用于火灾探测报警系统的电气设备的电源至少要有两路,当其中失电另一路能自动转换上去。
5.探测器和手动按钮要成组分区,任何探测器或手动按钮的动作都要能激发主板和复试单元的声光报警。
6.当火灾探测系统不包括远距离鉴别单个探测器的方法时,布置在居住、服务和控制区域的探测器回来不允许涵盖超过一层甲板,除非该探测器涵盖的是一个封闭的楼梯。
7.火灾探测系统应能发出声光报警信号,而这两种信号均应不同于非火灾系统的报警信号,并且这些报警信号的设置点应足够的多,以保证驾驶桥楼和轮机员听到和看到报警信号,当驾驶桥楼无人值班时,应能在负责船员的值班处所发出报警。
8.第一个被激发的火警不可以抑制任何其他探测器所激发的进一步报警。
3 船舶火警报警系统的硬件设计
3.1 火警报警系统元件的选择
3.1.1 火警探测器的选择
火警探测器是火警探测回路中最基本、最重要的部件之一。它是根据火灾发生的物理现象,通过感应元件采集到热、光、烟等信号,再将这些信号转化为电信号。
1.感温探测器
感温探测器是利用火灾前兆的热效应,选用对温度或者温升变化率敏感的元件,如双金属片、易熔断元件、热敏电阻、热电偶等。火灾发生时机舱舱室的温度会升高,当温度达到感温探测器的设定值时则会引起探头感温元件常开触点动作,自动发出火灾报警信号。图2为JTY-ZDC-805型温差式感温探测器。

图2 JTY-ZDC-805型温差式感温探测器
JTY-ZDC-805型温差式感温探测器对相对湿度大于95%、无烟火、粉尘量大的环境具有较强的适应能力,适用于在正常情况下有烟尘的场所、厨房、发电机房、烘干房、吸烟室以及其它不适合安装感烟探测器的场所。
性能参数:供电电源:DC 9V~DC28V 工作电流 :静态电流 ≤800uA
报警电流 :≤35mA 恒温报警 : 57℃
差温报警 : 8℃/MIN 工作温度:-10℃~+50℃
相对湿度:≤95%RH 触点容量:2A/DC24V
2.感烟探测器
感烟探测器是利用火灾发生之前所出现的烟雾浓度来监测火警,当烟雾浓度达到规定值时引起探测器感烟元件触头动作,自动发出火灾报警信号。主要分为感烟管式、光电管式和离子式感烟火警探头。图3为RLR1-JTY-LZ-F732型感烟探测器。

图3 RLR1-JTY-LZ-F732型感烟探测器
RLR1-JTY-LZ-F732型感烟探测器的电子线路为密封式,具有很强的防潮能力,还具有功耗低,可靠性高的优势,对环境的适应性强,而且物美价廉,所以在驾驶室,生活区,机舱等地方选用这种型号的探测器。
性能参数:供电电源:DC 20V 工作电流 :静态电流<100uA
报警电流 :≤100mA 恒温电压 :7V~10V
灵敏度 : 三级可靠 工作温度:-10℃~+50℃
相对湿度:≤95%RH
3.1.2火警报警按钮的选择
火警手动按钮属于手动探头,当遇到火灾时,用小锤敲碎报警器表面的玻璃,使按钮复位,便可以发出火灾报警信号。这些报警器一般安装在经常有人出现的场所,如过道、走廊、楼梯口、逃生通道、餐厅等。手动报警按钮实物如图4所示:

图4 SN-911手动报警按钮
1.正常监测状态:手动报警按钮的正常监视状态可以通过面板外观观测到,启动部件不可以破碎,变形或者是移位。
2.报警状态:手动报警按钮从正常监视状态进入到的报警状态过程:
1)敲碎报警器的启动部件
2)使报警器的启动部件移位
3.报警指示灯的确认:报警按钮设定为红色报警,当报警按钮启动部件动作时,报警确认灯当立即被点亮,并一直保持到报警状态复位,
4.复位:报警按钮动作后应仅能使用工具通过下述方法进行复位:
1)对于启动部件不可以重复使用的,应更换新的启动部件;
2) 对于启动部件可以重复使用的,应使启动部件复位
性能参数: 工作电压:24VDC 工作电流:≤8A
触点电阻:≤0.1欧姆 外壳材料:ABS等级
连接方式:常闭或常开 工作温度:-10℃~+50℃
这种型号的手动报警按钮防护等级高,工作可靠,环境适应性强,易于紧急情况下操作,价格适中,适合船上各个场所。
3.1.3 PLC的选择
对于45吨的小型拖轮,由于它的体积小,吨位小,船体的结构设计比较简单,舱室较少,火警报警设备安装的数量也相对较少,所以对PLC的输入输出端口的数量要求较少,因而选用S7—200系列的PLC产品。
本次设计采用西门子S7—200系列CPU224型PLC。该型号的PLC属于S7—200系列中的微型,拥有14个输入、10个输出共24个数字量I/O点。最多可连接7个扩展模块,最大扩展到168路数字量I/O点或35路模拟量I/O点。
该型号的PLC具有强大的CPU功能:
1.脉冲捕捉功能:每个CPU内置的数字量输入点均可独立的设置脉冲捕捉功能
2.高速的计数功能:224型CPU具有6个高速计数器,使用单相编码器时,CPU最高计数频率为30HZ。使用双相编码器时,CPU最高计数频率为20HZ
3.高速脉冲输出功能:224CPU具有2个高速脉冲输出,输出频率为20HZ。同时具有脉宽调制和脉冲序列输出两种模式。
4.数字量,模拟量滤波功能:CPU内置的数字量输入点设置0.2ms—12.8ms的滤波时间,降低噪音干扰。
5.数据记录功能:新一代的S7-200PLC提供指令在存储卡上存储数据记录,存储卡一般为64K或256K
6.新一代的S7-200PLC具有多功能诊断LED:诊断LED由操作系统控制,或者由用户程序通过诊断指令控制,当某个值被强制或者某个I/O错误发生时,诊断LED发光。
3.2 火警探测回路示意图

图5 火警探测回路示意图
(1)防火型感烟探测器 (2)防火型手动报警按钮 (3)普通感烟探测器 (4)通手报警按钮 (5)防火型感温探测器 (6)终端电阻 (7)蜂鸣器 (8)报警指示灯
火警控制面板左侧为输入电路,一共有4条回路,每条回路由各种类型的探测器和手动报警按钮串联组成,根据实际情况的需要选择不同类型的探测器和报警按钮。如回路3从火警控制面板出来第一个接左甲板仓库中的感烟探测器,因为仓库中可能会存放易燃物品,所以对探测器的防火等级要求比较高,因而选用防火型探测器,下一个接船用休息室内安装在天花板上的探测器,像休息室,过道,餐厅没有重要设备和易燃易爆物品,因而选用普通探测器,厨房有很多易燃物品,对探测器的灵敏度和防火等级要求都很高,所以一般在厨房安装感温探测器。接下来的3个普通探测器分别安装在楼梯,餐厅和船长休息室中,之后的两个报警按钮分别安装在餐厅和过道中,最后一个是安装在右甲板仓库的防火型探测器。火警控制面板右侧为继电输出,接声光报警设备,并且要即时切断风机,关闭防火门,启动灭火装置,这里的灭火装置选择CO2。
4 船舶火警报警系统的软件设计
4.1 火警报警系统框图
火警报警系统功能如图6所示:

图6 火警报警系统框图
当探测器探测到烟(报警按钮动作)时,将火灾信号传送到火警控制装置中,火警控制面板上将会显示出现故障的回路,并会发出蜂鸣声,同时将火警信号传送到各个继电器中,使继电器触点动作,发出声光报警,并且切断风机电源,关闭防火门,这些动作同时发生,经过20S延时,启动CO2灭火装置。按下火警面板上的声光报警复位按钮,声光消失,故障回路指示灯依然亮。当火灾消除后,按下故障报警复位按钮,故障报警指示灯灭(如果是误报警,直接按复位按钮,如果不是误报警,按故障报警复位按钮,故障回路指示灯不会灭,除非火灾消除),恢复正常状态。
4.2 I/O地址表

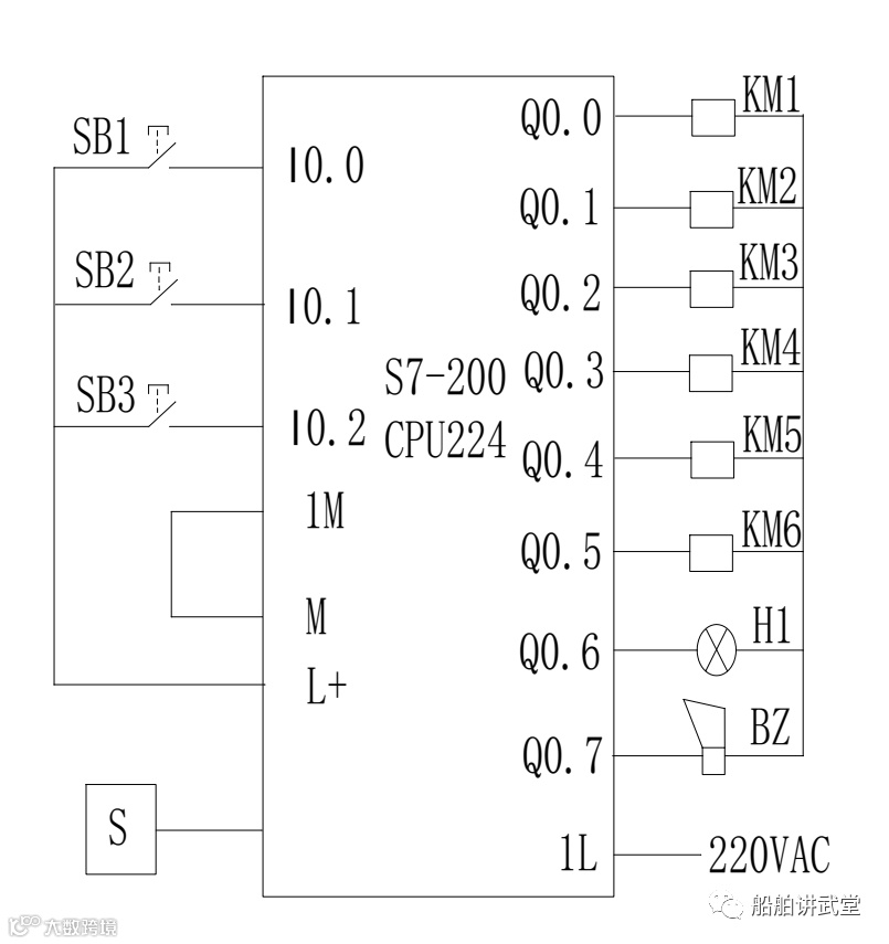
图7是火警报警系统的PLC外围接线图,采用S7-200型PLC,本次设计共使用了4个输入、8个输出。

图7 基于PLC的火警报警系统 PLC接线图
4.4 PLC 控制的火警报警系统程序
图8基于PLC的船舶火警控制程序图。本次设计主要运用了中间继电器M0.0和3个定时器T37,T38,T39。T37和T38两个定时器实现了故障回路指示灯的闪烁,T39实现了声光报警20秒后自动启动灭火装置。
当报警按钮或探测器动作时M0.0得电,触点闭合:
Q0.0声光报警回路继电器1动作,发出声光报警;
Q0.1声光报警回路继电器2动作,发出声光报警;
Q0.2声光报警回路继电器3动作,发出声光报警;
Q0.5故障回路指示灯闪烁,间隔0.5秒(只有火灾消失后才能将其复位)
Q0.6蜂鸣器响(复位按钮I0.2将其复位)
Q0.3风机继电器4动作,切断风机电源;
Q0.4防火门继电器5动作,关闭防火门
以上2动作完成后经20秒延时,CO2 灭火装置继电器KM6动作,启动灭火装置,准备救火。

图8基于PLC的船舶火警控制程序图
小结
本系统主控制器采用了西门子S7-200 PLC,其紧凑的结构,良好的扩展性能,强大的指令功能, 并自行设计相应接口而组成的船舶火警报警系统充分应用了该微型PLC的硬件资源,发挥了其软件优势。输入输出采用差动方式,提高了抗干扰能力,同时,主机和多台终端可以全部并联在一对双绞线上进行多机通讯,节省了传输线,所以本系统小但功能齐全,稳定性好。为用户带来极大的方便;在近两年的实际运行中未出现故障,为船舶的安全、可靠的航运起到了非常重要的作用,同时也为航运公司带来了巨大经济效益。通过PLC程序的控制使得火警报警器的工作过程更加的可靠。同时利用PLC程序的控制能够大大的节约机械继电装置的应用,从而使的火警报警器的形状更加小继而节约船舶的空间。
采用PLC控制则PLC采用了计算机技术,其控制逻辑是以程序的方式存放在存储器中,要改变控制逻辑只需改变程序,因而很容易改变或增加系统功能。系统连线少、体积小、功耗小,而且PLC所谓“软继电器”实质上是存储器单元的状态,所以“软继电器”的触点数量是无限的,PLC系统的灵活性和可扩展性好,PLC的用户程序是按一定顺序循环执行,所以各软继电器都处于周期性循环扫描接通中,受同一条件制约的各个继电器的动作次序决定于程序扫描顺序,这种工作方式称为串行工作。
PLC采用半导体集成电路作定时器,时钟脉冲由晶体振荡器产生,精度高,定时范围宽,用户可根据需要在程序中设定定时值,修改方便,不受环境的影响,且PLC具有计数功能,而电器控制系统一般不具备计数功能。PLC大量的开关动作由无触点的半导体电路来完成,其寿命长、可靠性高,PLC还具有自诊断功能,能查出自身的故障,随时显示给操作人员,并能动态地监视控制程序的执行情况,为现场调试和维护提供了方便。
来源:船舶讲武堂

免责声明:本文仅代表作者个人观点,与思舶网无关。文章及图片、视频来源于网络,版权归原作者所有,如有侵权,请与我们联系删除,其原创性以及文中陈述文字和内容未经本站证实,对本文以及其中全部或者部分内容、文字的真实性、完整性、及时性本站不作任何保证或承诺,请读者仅作参考,并请自行核实相关内容。



