点击上方蓝字关注了解更多精彩内容!!
阿尔茨海默氏症
阿尔茨海默氏症 (AD) 是目前最常见的神经衰退疾病之一, 威胁着 10% 的 65 岁以上的老人。
这个疾病是根据一位德国科学家 Alois Alzheimer 命名的, 他在 1907 年于一个过世的痴呆症患者的脑中发现了出现于神经元中的缠结的纤维。
阿尔茨海默氏症通常与整个大脑皮层中的两种类型的病变相关:就是神经元之间含有淀粉样肽 beta 的斑块和含有 tau蛋白的神经纤维缠结(NFTs)。
淀粉样斑块病变详情可点击:http://www.bio-review.com/amylo-glo-rtd/
Tau蛋白
Tau蛋白在正常人体内的主要功能是诱导与促进微管蛋白聚集成微管,并维持其稳定性。
成人大脑中有6种Tau蛋白亚型,其中三种是有三段微管结合重复区域(2N3R、1N3R、0N3R) ,另三种是有四段微管结合重复区域 (2N4R、1N4R、0N4R)。
2N4R/ Tau-441 是Tau全长蛋白 , K18 和K19 是截短的Tau蛋白,仅含有微管结合重复区域。
Tau蛋白的微管结合能力由翻译后修饰来控制,其中磷酸化修饰是主要方式之一。
Tau 蛋白的 20% 的氨基酸都可以是潜在的磷酸化位点。
通常情况下,tau 蛋白的微管结合区域是带正电的,因此可以吸引带负电的微管。
当这个微管结合区域高度磷酸化以后,它就失去了正电量,从微管蛋白上脱离下来,不再具有结合稳定微管的能力了。
接下来造成微管蛋白的失效,而且高度磷酸化的 tau 聚集沉淀,对神经细胞有毒性,这些后果共同造成了神经衰退病因。
由于Tau蛋白有多个磷酸化位点并且参与调节的蛋白激酶和磷酸酯酶又不止一种,所以这使得AD的发病机制非常复杂。
Tau 前体纤维原
前体纤维原 (PFFs) 可以诱导人工培养的细胞和动物活体中的tau蛋白的聚集,使可溶的单体聚集形成不溶纤维。
在表达tau蛋白的细胞中引入少量的 tau PFFs 就可以引起大量的tau聚集形成丝状包含物类似 NFTs。
合成的 tau PFFs 也可以进入到非神经细胞中聚集tau蛋白形成 NFTs。

上图显示了 tau 蛋白单体在“种子”--活性Tau PFFS存在的情况下聚集成Tau纤维原寡聚体,然后缠绕成螺旋丝,最后形成了神经纤维缠结的整个过程。
硫黄素T检测:硫黄素T (Thioflavin T) 是一种荧光染料,可以和富含β折叠的结构结合,例如α-突触核蛋白纤维原、Tau纤维原等。
一旦结合,硫黄素T的发射光谱就会发生红移 ,并且荧光强度会增强,这是一个很好的用来检测纤维原形成的测试。

上图是这几种蛋白随时间的变化情况,可以明显看出有活性纤维原和活性单体的两组荧光强度增加最快。
SPR-329B和SPR-330B均可用于活体注射制作动物疾病模型。
为了满足不同客户的研究需求,艾美捷科技为您推荐细胞应激领域领导者StressMarq研发的四种活性Tau蛋白,分别是Tau 2N4R P301S 蛋白单体、Tau 2N4R P301S 蛋白PFFs、Tau K18/P301L 蛋白单体、以及Tau K18/P301L 蛋白PFFs。

其中P301S 是指在外显子10上发生了的突变,该突变型Tau的微管结合能力受损。
P301L (PL) 是指编码Tau蛋白密码子301位置的脯氨酸突变成为亮氨酸,这些突变类型的PFFs可以加速Tau纤维缠结的形成。
厂家内部质检:
![]() |
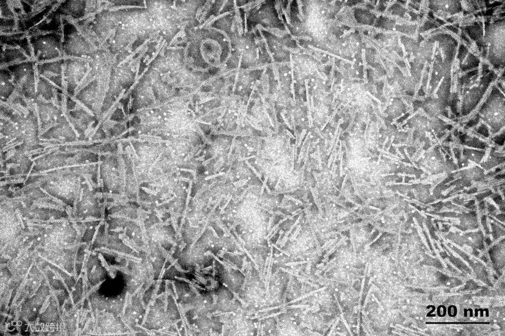
重组tau441(2N4R)、P301S突变型前体纤维原(PFFs)的透射电镜图 (TEM 放大:150kx HV = 80kV)。前体纤维原经超声处理,并用乙酸双氧铀染色。 |
![]() |
重组tau441(2N4R)、P301S突变型前体纤维原(PFFs)的透射电镜图 (TEM)。前体纤维原经超声处理,并用乙酸双氧铀染色。 |
![]() |
67 kDa 人Tau 蛋白2N4R P301S突变型 前体纤维原 (SPR-329).SDS-PAGE图 Lane 1: MW Ladder. Lane 2: Tau 蛋白前体纤维原(SPR-329) |
参考文献
1.Goedert, M. and Spillantini, M. G. (2017). Mol Brain. 10:18.
2.Guo, J.L. and Lee, V.M.Y. (2013). FEBS Lett. 587(6): 717-723.
3.Alberici, A. et al. (2004). J Neurol Neurosurg Psychiatry. 75:1607-1610.
4.Fernandez-Nogales M, Cabrera JR, Santos-Galindo M, Hoozemans JJ, Ferrer I, Rozemuller AJ, Hernandez F, Avila J, Lucas JJ (2014) Nat Med20:881–885.
5.Park, S., Lee, J. H., Jeon, J. H., & Lee, M. J. (2018). BMB Reports, 51(6), 265-273.
6.Iba, M., Guo, J., McBride, J. D., Zhang, B., Trojanowski, J. Q., Lee, V.M. (2013). J Neurosci. 33(3): 1024-1037.
7.Cohen, T. J., Guo, J. L., Hurtado, D. E., Kwong, L. K., Mills, I. P., Trojanowski, J. Q., & Lee, V. M. (2011). Nat Comm, 2(1).
8.Tang, D., Huang, H. and Jiang, Z. (2013). Chemistry of Life. 33(1): 6-13
9.Cohen, T.J. et al. (2013). Nat Struct Mol Biol. 20: 756–762
StressMarq Biosciences Inc. 在2007年成立于加拿大维多利亚,是一家生物科技公司,专门从事试剂与试剂盒研究,服务范围遍及全球50多个国家。
StressMarq公司的核心技术领域为细胞应激(尤其是热休克蛋白(HSP)领域,领先全球),离子通道,载体研究,同时在神经科学领域推出特有的具有生物活性的Tau蛋白与a-突触核蛋白。
产品领域涉及到:细胞凋亡、细胞信号、通路和转运、细胞器标志物、热休克、神经生物学、神经科学、氧化应激、磷酸化运输等。
除了提供用于进一步研究的相关工具外,StressMarq还提供全新的尖端研究工具,用于开发新的生物项目,包括全球独一无二的a B晶体蛋白ELISA试剂盒(现在是公认的乳腺癌标志物);热休克同源蛋白70(Hsc70)ELISA试剂盒;以及用于神经衰退研究的Tau活性蛋白与a-突触核蛋白。
公司已将专业技术扩展到抗体、小分子离子通道与载体等更新领域,前者包括当前热门的核心领域:Nav、Cav、TRP、Kv、KCNQ、HCN,后者包括当前热门的核心领域:ENaC、NCC和NKCC2以及主要水通道蛋白载体。
作为StressMarq在中国的区域总代理,艾美捷科技有限公司将为中国客户提供最全面的StressMarq产品以及订制服务。
赶紧关注我们吧




