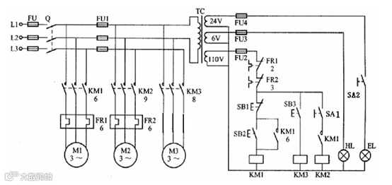
针对上述现象,对车床发生的电气故障进行分析,机床照明灯和指示灯均可正常工作,按下接触器衔铁后,电动机可以正常运行,说明主电路没有问题,就初步判断是控制电路发生了问题。下面采用电压分段测量法查找电气故障,将万用表调到电压档,去测量控制电路电源两端电压,经过万用表测量电压值正常,说明控制电路的电源没有问题,然后再用万用表去测量热继电器FR1常闭触点两端的电压,正常情况下FR1常闭触点两端电压为0,但是用万用表测量FR1常闭触点两端电压为110V左右,接着在测量热继电器FR2常闭触点两端的电压为0,然后再测量按钮SB1两端电压、按下按钮SB2后测量其两端电压、按下按钮SB2后测量KM1线圈电压两端均为0,再用这种方法去测量KM2线圈回路、KM3线圈回路,测量结果表明只有FR1常闭触点两端有电压,其余测量结果均为0。通过发现配电箱内接线良好,FR1触点接线并未出现虚接、压绝缘皮等现象。通过上述测量结果可以判断出FR1常闭触点动作变成常开触点,为什么热继电器触点会动作呢,是因为电动机发生了过载,过载电流流过热继电器热元件,热元件经过能量积累后,热元件弯曲推动推杆使其触点动作。

热继电器按照触点动作后是否可以自动复位分成了自动复位和手动复位两种,自动复位是指热继电器动作后,触点经过一段时间后自动恢复到初始状态,而自动复位是热继电器动作后必须手动按下复位按钮后触点才能复位,恢复到初始状态。发现该机床所用的热继电器是手动复位型,只有手动按下热继电器的复位按钮后,热继电器的触点才能复位。通过手动按下热继电器的复位按钮后,按下机床启动按钮后,机床可以正常工作了。突然发现造成车床不能正常工作的原因很简单,只需按一下热继电器的复位按钮就可以正常工作了,但是如果不熟悉热继电器,那就查找故障就麻烦了。操作工人不能自己解决这个问题,说明操作工人对热继电器不熟悉,如果对热继电器熟悉的话,自己就可以解决这个问题。
下面以正泰公司生产的NR2-25热继电器为例介绍热继电器。热继电器上端三相主线接入与接触器下端口连接,热继电器三相主线出线去接三相电动机。热继电器有一对常开触点和一对常闭触点,常开触点一般接入到控制电路中,当电动机发生过载后,常闭触点断开,从而切断电源,电动机停止工作;常开触点一般去接报警设备,比如报警指示灯、蜂鸣器等。热继电器的动作电流值可以通过调节整定电流调节按钮,一般热继电器的动作电流值取电动机额定电流的0.95~1.05倍。如果选择热继电器整定电流值偏小,电动机不能正常工作;如果选择热继电器整定电流偏大,电动机发生过载时也不能及时切断电源,有可能造成损坏电动机的后果。通过按下测试按钮就可以模拟过载后热继电器动作,其常闭触点断开,常开触点闭合。当热继电器动作后,其触点如何复位,这种热继电器有两种复位方式,一种是自动复位,一种是手动复位,在热继电器上蓝色按钮就是复位按钮,这个复位按钮上面写了两个字母,一个是A,一个是H,A表示自动复位,用十字螺丝刀旋转复位按钮,将A旋转到上面,此时复位按钮被按下,此时处于自动复位状态,即热继电器发生过载后,经过一段时间后,热继电器的触点自动进行复位。用十字螺丝刀将旋转复位按钮,将H旋转到上方此时热继电器处于手动复位状态,即热继电器发生过载后,只有手动按下复位按钮后,热继电器的触点才能进行复位。按下红色停止按钮后,热继电器的常闭触点断开,而热继电器的常开触点不动作,松开红色停止按钮后,常闭触点复位。

猜您喜欢
分享 · 共赢
电气圈,一个有态度的圈子

