
1、论坛概况
2023年2月23日,中国国际汽车电子高峰论坛在上海浦东新区召开,以汽车电子全产业链的视角、多维度的观察方式,开设智慧出行峰会、智能驾驶与预期功能安全论坛、智能座舱与人机交互论坛、电驱电控系统与功率半导体论坛、动力电池与智能充电技术论坛等交流平台,创造跨行业交流机会、促进汽车及汽车电子产业迈进。
茂睿芯应邀出席本次论坛,助力汽车电子产业高质量发展。论坛上,茂睿芯系统与市场总监欧雪春以《智芯智行 - 聚焦车规级芯片》为主题,就汽车电子市场未来趋势和车规芯片的供需情况,公司聚焦新基建赛道,从充电桩到汽车电子产品研发的精进布局与大伙一起进行了深入探讨,同时带来茂睿芯车规系列产品的分享。

2、特色产品分享

Synchronous Rectification

Interleaved PFC
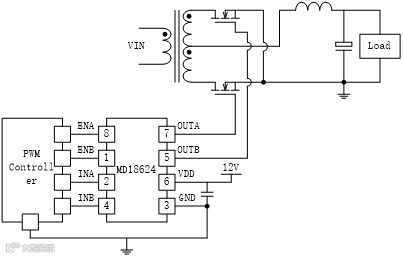
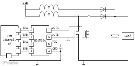
MD18624-Q1
双通道5A低侧栅极驱动
极端工
况更可靠:减少驱动器损坏返修 优化并联机制:便于两通道间的并联使用

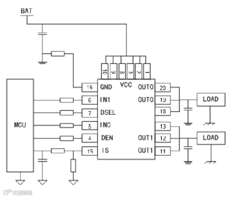
MSD1830-Q1
-
双通道36V 30mΩ 智能高边开关 诊
断:
负载电流, 负载开路, 短路至GND或VCC
保护:UVP, OV钳位, 限流, OTP, GND和VCC断开, ESD

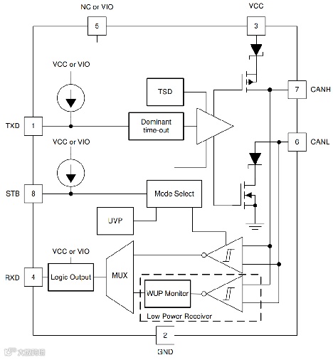
MCAN1042-Q1
-
±70V直流总线保护电压 -
不需要共模扼流圈,系统成本低 -
宽 I/O 电压电平适配,可减少外部组件 插拔支持,上电/关断时无毛刺
3、现场回顾


往期精彩文章

