工业相机
常用品牌与型号整理,
方便使用
工业相机的分类如下:

分辨率计算

工业相机,需要配视觉软件进行使用,同时根据不同应用场景进行二次开发应用方案(需要根据不同项目用配置不能规格的控制器)
智能相机-自带算法软件同时在智能相机内部完成检测直接输出检测结果,常见如康耐视Insight.


康耐视工业相机



巴斯勒工业相机


海康威视工业相机












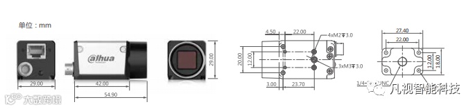
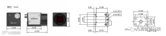
大华工业相机








度申工业相机





凡视智能科技工业相机
常用品牌与型号整理,
方便使用
工业相机的分类如下:

分辨率计算

工业相机,需要配视觉软件进行使用,同时根据不同应用场景进行二次开发应用方案(需要根据不同项目用配置不能规格的控制器)
智能相机-自带算法软件同时在智能相机内部完成检测直接输出检测结果,常见如康耐视Insight.


康耐视工业相机



巴斯勒工业相机


海康威视工业相机












大华工业相机








度申工业相机




