1. 电流、电流和电阻的关系

2. 导体和绝缘体
导体:对电流的阻碍作用很小,容易导电的物体,叫做导体.如各种金属、人体、大地、石墨、酸碱盐的水溶液等都是很好的导体.
绝缘体:对电流的阻碍作用很大,不容易导电的物体叫做绝缘体.玻璃、橡胶、陶瓷、塑料等都是良好的绝缘体.
导体和绝缘体之间没有绝对的界限,只是导电能力的强弱不同.有些绝缘体在一定的条件下也会成为导体,比如玻璃熔化后也可以导电.好的导体和绝缘体都是重要的电工材料.
3. 影响电阻的大小的因素
导体电阻的大小跟导体的材料、长度、横截面积和导体的温度有关.电阻是表示导体对电流阻碍作用的一个物理量,它是导体本身的一种性质.一个导体,它的长度、横截面积、材料和温度确定时,它的电阻是一定的,不管这个导体是否连入电路,是否有电流通过,也不管它两端的电压是否改变,导体对电流的阻碍作用(即电阻)总是客观存在的.无电流通过时,这种阻碍作用仅仅是没有体现出来而已.
4. 串、并联电路的总电阻
(1)两个电阻串联,其中一个电阻增大,总电阻增大;两个电阻并联,其中一个电阻增大,总电阻增大.正确的说法应是两个电阻不论是串联还是并联,其中一个电阻增大,总电阻都增大.两个电阻串联,由公式R=R1+R2易知总电阻增大;两个电阻并联,由公式

当R1增大时,减小,分母减小,分数值R增大;同理当R2增大时,R也增大.
(2)“几个电阻并联起来,总电阻比任何一个电阻都小”和“几个电阻并联,其中一个电阻增大,总电阻增大”.前者指电阻并联得越多,总电阻就越小;后者指并联起来的电阻,若其中一个电阻增大,总电阻增大.
一、 “伏安法”测电阻实验中常见故障的排除法:
伏安法测电阻的原理如下图所示.

故障一:闭合开关,灯泡不亮,示数是零,电压表示数很大.
分析原因:电压表直接接在了电源两极上,小灯泡开路.
排除方法:更换好的小灯泡或检查灯泡与底座是否接触良好.
故障二:闭合开关后发现小灯泡不亮,
都没有示数.
分析原因:电路中除小灯泡外的某处接触不良或同时小灯泡的灯丝断了.
排除方法:将连接各个电路元件的接线处重新连接,若同时小灯泡的灯丝断了则更换好的小灯泡.
故障三:闭合开关S,发现小灯泡不亮,同时电流表和电压表有示数,但非常小.
分析原因:电流表和电压表有示数说明电路是通路,小灯泡不亮,是因为加在小灯泡两端的电压太小,导致通过小灯泡的电流太小而不亮,可能是电源电压太低或滑动变阻器接入电路中的阻值过大.
排除方法:可以适当提高电源电压或将滑动变阻器接入电路中的阻值调小.
故障四:闭合开关S后,小灯泡亮,发现电流表和电压表的指针向左偏转.
分析原因:指针向左偏转说明电流表和电压表的正负接线柱接反了.
排除方法:将电流表和电压表的正负接线柱对调即可.
故障五:连接好实验电路后,闭合开关并移动滑动变阻器的滑片,发现小灯泡变亮,电流表示数变大时,电压表示数反而变小;小灯泡变暗,电流表示数变小时,电压表示数反而变大.
分析原因:电路是通路,但是小灯泡变亮,电流表示数变大时,电压表示数反而变小,是由于电压表并联在滑动变阻器两端.
排除方法:只要将电压表改接到小灯泡的两端即可.
故障六:将实验电路连接好后,闭合开关S,发现小灯泡特别亮,并且无论怎样移动变阻器滑片,灯泡亮度不变.
分析原因:滑动变阻器接线有误.
排除方法:将滑动变阻器一个接线柱接法纠正即可.
二、 解析“欧姆定律”:
欧姆定律是电学中的基本定律和核心内容,是贯穿整个电学的主线,下面我们从以下几个方面进行深入分析.
1. 要理解欧姆定律的内容
(1)欧姆定律中的关于成正比、成反比的结论是有条件的.如果说导体中的电流与导体两端的电压成正比,条件就是对于同一个电阻,也就是说在电阻不变的情况下;如果说导体中的电流与导体的电阻成反比,条件就是导体两端的电压不变.
(2)注意顺序,不能反过来说,电阻一定时,电压跟电流成正比.这里存在一个逻辑关系,电压是原因,电流是结果.是因为导体两端加了电压,导体中才有电流,不是因为导体中通了电流才有了电压,因果关系不能颠倒.
同样也不能说导体的电阻与通过它的电流成反比.我们知道,电阻是导体本身的一种性质,即使导体中不通电流,它的电阻也不会改变,更不会因为导体中电流的增大或减小而使它的电阻发生改变.
2. 要知道欧姆定律的公式和单位欧姆定律的表达式
可变形为U=IR和
但这三个式子是有区别的.
(1)
是欧姆定律的表达式,它反映了通过导体的电流的大小跟导体两端所加的电压这个外部原因和导体本身的电阻这个内部原因之间的因果关系.
(2)U=IR,当电流一定时,导体两端的电压跟它的电阻成正比.不能说成导体的电阻一定时导体两端的电压与通过的电流成正比,因为电压是形成电流的原因.电压的大小由电源决定,跟I、R无关,此式在计算比值时成立,不存在任何物理意义.
(3)
此公式也是一个量变式,不存在任何物理意义.不能误认为导体的电阻跟导体两端的电压成正比,跟导体中的电流成反比.公式中的I、U、R都要用国际单位,即电流的单位为安培,符号A;电压的单位为伏特,符号V;电阻的单位为欧姆,符号Ω,且有
3. 要明白定律的适用范围
(1)定律只适用于金属导电和液体导电,对于气体、半导体导电一般不适用.
(2)定律只适用于纯电阻电路.如:电路中只接有电阻器、电热器、白炽灯等用电器的电路.对于非纯电阻电路,如:电动机电路、日光灯电路等,则不能直接应用.
4. 要理解欧姆定律的注意事项
(1)物理量的同一性.叙述欧姆定律时,在两个“跟”字后面都强调了“这段导体”四个字,它是指对电路中同一导体或同一电路而言.所以在运用欧姆定律
等进行计算时,必须注意同一性,即I、R、U必须是同一导体或同一段电路中的物理量.在表示I、U、R时,注意脚标的一一对应.
(2)物理量的同时性.由于电路的连接方式发生改变,开关的断开或闭合,或滑动变阻器滑片的左右移动都可能使电路中总电阻发生变化,从而可能引起电路中电流和各部分电阻两端的电压发生变化.因此,必须注意在同一时刻、同一过程中的电压、电阻与电流的相互对应,不可将前后过程的I、R、U随意混用.
【趋势总览】
从近三年的各地中考来看,对本部分的考查呈现如下趋势:
1. 欧姆定律是电学部分的重要知识点,是一套中考题中的必考知识,融电流、电压和电阻等问题于一体,综合考查电学部分的基础知识,题型多样.
2. 主要考查知识点有滑动变阻器的使用、欧姆定律的应用,实验题包括探究影响电阻大小的因素,探究电流与电压、电阻的关系以及伏安法测电阻.
3. 利用一只电压表(或一只电流表、或在电表某一量程损坏的情况下)测量电阻的考题越来越多,是近几年中考的热点.
【锦囊妙计】
1. 正确使用滑动变阻器
(1)要了解所使用滑动变阻器的阻值范围和允许通过的最大电流,如一个变阻器标有“20Ω 2A”字样,表示此滑动变阻器的最大阻值是20Ω,允许通过的最大电流是2A,使用时要根据需要对滑动变阻器进行选择,不能使电流超过滑动变阻器允许通过的最大电流值.
(2)将滑动变阻器连入电路时应采用“一上一下”的接法,才能起到改变电路中电阻的目的.若同时使用上面两个接线柱,则滑动变阻器连入电路的阻值为零,同时只使用下面两个接线柱,滑动变阻器连入电路的阻值最大.
(3)滑动变阻器要与被控电路串联;为了保护电路,闭合开关前,应将滑片滑至连入电路的阻值最大的位置.
2. 理解欧姆定律
(1)正确理解
的物理意义.导体中电流的大小取决于该导体两端电压与导体的电阻,跟导体两端的电压成正比,跟导体的电阻成反比.电压是产生电流的原因,导体两端没有电压,无论电阻多大,导体中也没有电流.
(2)变形公式U=IR和
的意义.U=IR是电压的计算公式,已知导体的电阻R和通过导体的电流I时,就可以计算出导体两端的电压U.
表示,导体的电阻等于该导体两端的电压与通过该导体电流的比值.但不能理解为“导体的电阻跟导体两端的电压成正比,跟导体中的电流成反比”,因为导体的电阻是导体本身的一种属性,只与导体的材料、长度、横截面积等因素有关,与导体两端的电压和通过的电流无关.
(3)理解I、U、R的同一性和同时性.欧姆定律的公式及其变形公式中的三个量:I、U、R,这三个量必须是针对同一导体或同一段电路(同一性)在同一时刻(同时性)的电流、电压和电阻.如果三个量中,有的量变化了,一定要分清变化前和变化后,再应用欧姆定律.
(4)根据欧姆定律和串、并联电路特点按照下列思路分析解题:
①在分析电路的特点时,若无特殊说明,电源电压不变,导体或用电器的电阻不变,导线和电流表的电阻为零,电压表视为开路;
②认真审题,分析电路的连接方式(串联或并联),必要时作出等效电路图,分析各已知量和未知量之间的关系,挖掘题中的隐含条件等;
③运用欧姆定律和串、并联电路的特点等规律求解.
3. 串联分压与并联分流

5. 几种电表测电阻的方法
如果只有一只电压表(或电流表),允许选用一些其他器材,如何利用伏安法间接测量出未知电阻?
(1)如果仅有一只电压表,需要一只已知阻值的定值电阻或滑动变阻器.
可根据串联电路中电流处处相等的特点,将已知阻值的定值电阻与待测电阻串联在电路中.


一、 选择题
1.如左下图所示是小明设计的一个简易电子身高测量仪的原理图.以下说法中正确的是( ).

A. 电路中的R是没有作用的
B. 身高表相当于一个电压表
C. 当被测者越高时,身高表示数越小
D. 当被测者越高时,身高表示数越大
2.如右上图所示的电路中,电源两端的电压保持不变,电阻R2与R3的阻值均为10Ω.闭合开关S,电流表A1和A2的示数之比为3∶2.若把电流表A1和A2分别换成电压表V1和V2后,电压表V1的示数为U1,电压表V2的示数为U2.则下列选项正确的是( ).
A. U1∶U2=3∶4 B. R1=5Ω
C. R1=20Ω D. U1∶U2=3∶2
3.如左下图的电路中,灯L标有“3V 1.5W”、滑动变阻器R上标有“50Ω 1A”的字样,电压表量程为0~3V,电流表的量程为0~0.6A,电源电压恒为4.5V.为了保证电路中各元件安全工作,下列说法正确的是(设灯丝的电阻保持不变)( ).

A. 通过电路中的最大电流为0.6A
B. 通过电路中的最小电流为0.25A
C. 变阻器允许接入电路的最小阻值为4Ω
D. 变阻器允许接入电路的最大阻值为10Ω
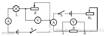
4.将光敏电阻R、定值电阻R0、电流表、电压表、开关和电源连接成如右上图所示电路.光敏电阻的阻值随光照强度的增大而减小.闭合开关,逐渐增大光敏电阻的光照强度,观察电表示数的变化情况应该是( ).
A. A表和V表示数均变小
B. A表示数变小,V表示数变大
C. A表示数变大,V表示数变小
D. A表和V表示数均变大
二、 填空题
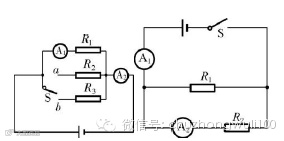
5.如左下图所示,电源电压保持不变,当开关S接a时,电流表A2上的示数与A1上的示数之比为5∶3,当开关S接b时,电流表A2上的示数与A1上的示数之比为3∶2,则电阻R2与R3阻值之比为_____

6.如右上图所示,电路中R1的阻值为6Ω,闭合开关S,电流表A1的示数为1.2A,电流表A2的示数为0.3A.则R2的阻值是_____Ω.
7. “高晓松酒驾案”后,充分说明:驾车既害自己,也害他人,各地公安交警利用酒精测试仪对驾驶员是否酒驾进行严格检查.如图是它的原理图,图中酒精传感器的电阻Rm的倒数与酒精气体的浓度成正比.使用前要通过调节变阻器R0对酒精测试仪进行调零,即让图中A的示数回到某一较小值,此时变阻器R0的滑片应向_____(填“右”或“左”)边滑动,调好零后对驾驶员进行测试,当驾驶员吹出的气体酒精浓度增大时,A的示数______(填“变大”“变小”或“不变”).除了用A表反映酒精气体的浓度外,V1、V2两表中酒精气体的浓度增大,示数也要变大的表是______,此测试仪的电池长久使用导致电压降低时会被误认为是驾驶员吹出气体的酒精浓度______(填“升高”或“降低”).

三、 实验与简答题
8.用图甲所示的电路探究“电压一定时,通过导体的电流与电阻的关系”,已知电源电压恒为4V,实验用到的定值电阻R分别是5Ω、10Ω、15Ω、20Ω、25Ω.


(1)根据电路图甲,将乙图中实物电路连接完整(导线不能交叉).
(2)闭合开关前,将滑动变阻器滑片移至_____(填“A”或“B”)端.将5Ω的电阻接入电路,闭合开关,调节滑动变阻器的滑片,直到电压表示数为2.5V,记下电流表示数.
(3)换用不同的电阻,调节滑动变阻器的滑片,使电压表示数为____V,记下电流表的示数.
(4)经多次实验,得到如图丙所示的电流I随电阻R变化的图像,由图像可得出:电压一定时,______.
(5)为了让提供的电阻都能用到,滑动变阻器的最大阻值应不小于______Ω.
9.小明用图甲所示的电路探究“电阻上的电流跟两端电压的关系”,图乙是小明未完成连接的实验电路.

(1)电压表应选择_____的量程;现要求滑动变阻器滑片向左移动时,电流表示数增大.请你按照对电压表量程的选择和对滑动变阻器连接的要求,用笔画线代替导线,完成图乙中实验电路的连接.
(2)小明按要求正确连接电路后,闭合开关,发现电压表指针偏转到满刻度的位置.其原因可能是_________.(写出一个)
(3)小明在实验中通过调节滑动变阻器滑片,测出通过电阻R的不同电流和对应的电压值,如下表所示.
U/V |
0.5 |
1.0 |
1.6 |
1.9 |
2.5 |
3.0 |
I/A |
0.1 |
0.2 |
0.3 |
0.4 |
0.5 |
0.6 |
①根据表中数据在图丙中画出电阻R的U-I关系图像.
②小明在实验中所用电阻R的阻值为____Ω.

四、 计算题
10.在图甲所示的电路中,电源电压保持6V不变,R1的阻值为10Ω.闭合电键S,电压表的示数如图乙所示.

(1)求通过电阻R1的电流;
(2)求电阻R2的阻值;
(3)现有阻值分别为2Ω、10Ω、50Ω、100Ω的四个定值电阻,请选择其中一个定值电阻替换电路中的电阻R2,要求:电压表选择合适的量程后,闭合开关S,能使电压表指针偏离到图乙所示电压的一半.
请判断:所提供的四个定值电阻是否符合要求,若有符合,请具体说明是______电阻,并指出电压表所选用的量程;若不符合,请说明理由.



孩子冲刺中考的路上,我们与您同行!
长按↓↓三秒即可关注


