
01.基础常见错误
02.柱常见错误
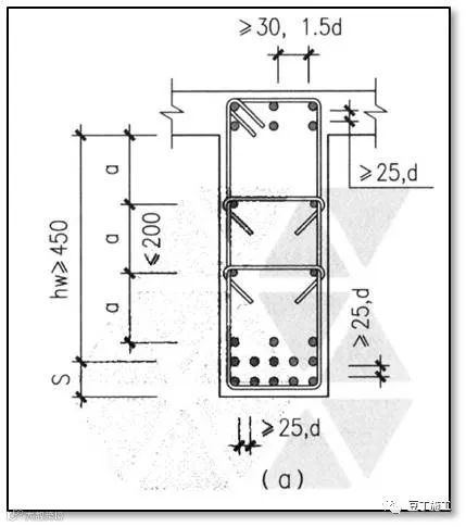
03.墙常见错误
04.梁常见错误
05.板常见错误
来源:豆丁施工
服务面对面
承诺心贴心
服务入口:
服务支持-智能客服
更多体验:
知识课程
长按二维码关注
【广联达客服】
广联达服务号
01.基础常见错误
02.柱常见错误
03.墙常见错误
04.梁常见错误
05.板常见错误
来源:豆丁施工
服务面对面
承诺心贴心
服务入口:
服务支持-智能客服
更多体验:
知识课程
长按二维码关注
【广联达客服】