
以下文章来源于广联达造价圈 ,作者王培峰
透水混凝土也被称为多孔混凝土、无砂混凝土、透水地坪,是一种特殊设计的混凝土铺装材料,它主要由粗骨料、水泥、增强剂、水、必要的彩色强化剂及稳定剂等成分拌合而成,在现代城市建设中,透水混凝土因其生态环保的特性而备受推崇。小编最近做的一个城市公园项目刚好有彩色透水混凝土路面铺装,借此机会,将自己对彩色透水混凝土路面的认识整理出来,与大家分享。
彩色透水混凝土和普通混凝土区别
真正的透水混凝土分为三层,三层的配比和功能都不一样,常用的配比不含砂子,细级料也不高于百分之二十,石子采用间断级配,和ogfc有点像,单方胶凝材料比普通混凝土高60公斤左右,还用到一种含二氧化硅的聚合物叫sr增强剂,成本是普通混凝土的1.8倍~2.5倍。
彩色透水混凝土应用范围
广泛应用于市政道路、景观道路、城市绿道、自行车道、公园、广场、校园、观光桥、商业地产等彩色路面铺装领域。
彩色透水混凝土路面优点
1、垂直向下透水,避免下雨严重积水,减轻城市靠管道集中排洪的压力,有利于海绵城市建设。
3、大量吸收噪音,特别是晚上能够给我们提供安静的睡眠环境。
4、有透气恒温的作用,干燥的时候有地下水汽上升,提高城市空气湿度,避免热岛效应。
5、促进地下水和大气水的循环交流,有利于生态平衡。
彩色透水混凝土路面缺点
1、成本太高,目前没办法大面积普及,主要是思想也跟不上。
2、工艺控制难度大,孔隙率不够,容易堵塞,清理难度大,强度不高,容易破损。
3、不太适合北方寒冷的地区,冬天积水结冰膨胀破裂。
彩色透水混凝土施工工艺
1、将石子、水泥、增强剂、色粉投入搅拌机,按配比搅拌均匀。其中石子要选粒径大点的,推荐10~20mm的。
3、底层摊铺四刮尺找平,底层收光用平板振动夯收平就可以了,不需要用压路机或磨光机去磨,底层需要有一定的粗糙度,太平整太光了,不利于与面层的粘接。
7、3~5天切缝,需要注意的是,底层的胀缝和缩缝也是需要切的,不然后期容易出现开裂现象,还会拉裂面层。板宽与切缝间隔长宽比不宜大于1:1.5,单个板块的面积不宜大于25m2,胀缝间隔10~30m,不宜大于30m。
另外,如果涉及到冬季施工,如果气温在-5℃~0℃左右,可以用防冻剂加强保温覆盖方式施工;如果气温在-10℃及以下,就不要施工了,来年再干吧。
彩色透水混凝土路面常见通病如何预防
由于目前还没有形成一个明确的通用行业标准,材料商和施工队伍水平参差不齐,导致透水混凝土施工方面暴露出不少质量问题,下面和大家讲解以下常见问题的原因和预防解决方案:
1、局部掉子。原因是:增强剂、水泥投放比例不足或搅拌不均匀;表面洒水过度,石子表面浆体流失;周边洗刷时受水侵蚀导致浆体流失;混凝土的压实度不够;养护薄膜缺失。预防解决方案为使用品质合格的透水混凝土增强剂材料,水及水泥按要求足量投放,观察水灰比;洒水养护时压力不可过大,禁止用水管直接喷洒;周边洗刷时做好透水混凝土施工面的遮挡;按照设计混凝土的强度配比进行配料施工,不可随意更改用量;养护薄膜搭接时要密闭严实,且覆膜养护至少要达到七天。
2、面层结浆。原因是:选用的石子、石粉含量超标;搅拌不均匀;水灰比失调;水泥掺量偏大。预防解决方案为不采购、采用含石粉量超标的石子;混凝土的搅拌时长要保持4分钟以上,且需按要求及先后顺序投料;严格执行设计配合比,投料量准确;严格控制水灰比、控制用水量。
彩色透水混凝土立方配合比
彩色透水混凝土,强度等级以C20、C25、C30最为常见,其配合比如下所示:
1、C20彩色透水混凝土,其立方配合比为:水泥358kg/m3,石子1650kg/m3,增强剂10kg/m3,水122kg/m3。
2、C25彩色透水混凝土,其立方配合比为:水泥370kg/m3,石子1650kg/m3,增强剂12kg/m3,水130kg/m3。
3、C30彩色透水混凝土,其立方配合比为:水泥390kg/m3,石子1650kg/m3,增强剂15kg/m3,水138kg/m3。
彩色透水混凝土路面每平米成本
以下是常用的几种厚度的彩色透水混凝土路面的实际成本:
1、8公分透水混凝土路面每平米成本:石子、水泥成本约为35元/m2,增强剂、罩面漆成本大约为10元/m2,人工、机械成本大约23元/m2,税金9%,综合成本约为74元/m2。
2、10公分透水混凝土路面每平米成本:石子、水泥成本约为45元/m2,增强剂、罩面漆成本大约为10元/m2,人工、机械成本大约26元/m2,税金9%,综合成本约为88元/m2。
3、12公分透水混凝土路面每平米成本:纯底层12公分一次成型约98元/m2(含税金);12公分(8+4)两层施工约133元/m2(含税金)。
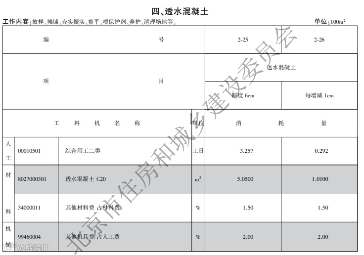
另外,最近各省市都出了新版定额,新版定额都增加了透水混凝土相应子目,编制招标控制价时应按定额执行,编制投标报价时可结合市场实际参照执行,如下图所示:

小编询价的过程中,发现一般彩色透水混凝土施工单位还做沥青路面改色、透水沥青路面、压花地坪,小编顺便将这些成本整理出来,作为知识扩展供大家参考。
沥青改色漆一组,21kg漆+3kg固化剂,常规色一组喷涂60~80平方米,材料大概8元/m2,人工大概4元/m2,常规包工包料市场报价大概13元/m2。
红色陶瓷颗粒15元/m2,25kg/袋,5.5~6kg/m2;灰色陶瓷颗粒15.6元/m2,25kg/袋,5.5~6kg/m2;绿色陶瓷颗粒17.4元/m2,25kg/袋,5.5~6kg/m2;黄色陶瓷颗粒17.4元/m2,25kg/袋,5.5~6kg/m2;蓝色陶瓷颗粒19.2元/m2,25kg/袋,5.5~6kg/m2。
压花地坪的材料包括强化料、脱模粉、保护剂,合计每平米成本在10元/m2左右。
总结
随着人们对生活水平的要求越来越高,城市建设越来越多的应用彩色透水混凝土施工,就连新出版的定额都增加了相应的定额子目,了解并掌握透水混凝土施工工艺及其成本成为当务之急,本文从透水混凝土定义、与普通混凝土区别、应用范围、优缺点、施工工艺、质量通病及预防方法、配合比、单方成本等多个角度进行讲解分析,还扩展了沥青路面改色、透水沥青路面、压花地坪等知识,希望可以带大家对彩色透水混凝土全面了解和掌握。
—End—
文案来源:本文系王培峰原创,独家来稿
转载务必申请授权,并注明作者与出处,违者必究
本文仅代表作者观点,仅供参考,如有异议,烦请留言
编辑:刘歌
审核:王迪
内容来源:广联达造价圈
#开杠有理#第一期,我们来聊聊从事建筑行业工作,证书更重要还是能力更重要?
二建考试才刚过去不久,这两天看到好几个群里又在围绕一建报名讨论,说哪里限制了报名,哪里报名人数太多又进行了考场分流等等。
在建筑行业,几千万的建筑从业人员中,每年都有上百万人参加考证,那么是不是证书更重要呢?
但如果只有证书,领导交代下来的项目,却没有干出业绩,而没有证书能力却很强的同事给公司带来了业绩,是不是说明能力才是王道,才更重要呢?
如今社会的现状:证书和能力无法合二为一。有证书同时又具备能力的寥寥无几,而有能力没有证书的人也大有人在。