



【免费参会限前200人,截止11月20日】本次会议11月20日前报名转发本文到朋友圈会议费全免(免费报名需经过会务组审核方可有效,分享朋友圈获取20个赞,免费人员不包含用餐,报名成功5个工作日内缴纳600元餐费,缴费成功视为报名成功,开会议费发票,过11月20日后按正常收费标准收费)。

光伏技术作为一种可再生能源利用技术,已经成为世界各国重点发展的领域之一。而碳化硅作为一种先进材料,具有高热导率、高耐高温等优点,正逐渐在光伏领域得到广泛应用。
光伏电池是将太阳能转化为电能的装置,而碳化硅作为光伏电池的基底材料,具有热导率高、耐高温等特性,能够有效地提高光伏电池的散热性能,减少光伏电池工作温度的上升从而提高光伏电池的效率和寿命。
光伏逆变器往大功率方向发展,碳化硅是提升效能的不二之选,那么碳化硅在光储逆变器中如何应用,并逐步替代发展?
以下系列方案,有助于提高能量转换效率、降低系统成本,并提供更可靠的电力供应,从而推动绿色能源的发展。

光伏逆变应用方案
光伏逆变器通常包含微逆、单相组串和三相组串逆变器,以及集中式逆变器,功率范围从几千瓦到兆瓦不等。在工商业应用中,常见功率主要集中在10千瓦至320千瓦。
首先,DC-DC变换单元将可变直流电压转化为固定直流电压,通过最大功率点追踪(MPPT)技术从光伏板中提取最大功率。在这一过程中,系统的效率显得尤为重要,SiC二极管和MOSFET在降低成本、提高效率方面发挥着显著作用。DC-AC变换单元将直流电转换成适用于并网的交流电,其中三电平拓扑结构因其显著的效率提升和较小的谐波等优势而得到广泛应用。
储能系统应用方案
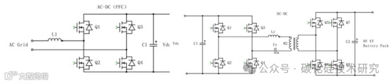
户用储能系统一般功率小于10千瓦,通常采用两级隔离式结构,以确保家庭和住宅用电的安全。通过上述拓扑结构,采用SiC器件可以提高开关频率,从而提高效率、功率密度,减小功率转换系统的尺寸和体积,以及减轻重量,便于家庭安装。

与户用储能系统相比,工商业储能系统的Vbus电压等级较高,通常有1000V系统和1500V系统。在设计时,储能系统的关键是降低损耗,提高能量转换效率。根据不同的场合,可以有针对性地选择三种三电平拓扑结构。
例如,NPC2拓扑结构需要的器件数量相比于NPC1更少,并且NPC2可以同时使用650V和1200V的器件进行搭配使用。
当开关频率较低(小于约20kHz)时,通常选择NPC2拓扑结构,以兼顾高效率和降低成本。
当系统电压为1000V时,NPC1拓扑可以采用650V器件进行设计,能有较低的成本。
当系统Vbus电压为1500V时,更多的采用APNC拓扑结构设计,进一步提高系统的转化效率,但该拓扑结构需要更多的开关器件,同时也增加了控制难度。为了兼顾成本效益和充分发挥三电平拓扑结构的优势,目前主要采用混合搭配结构。
亲,点击下方的“阅读原文”,立即报名研讨会!