一、项目概况
上海浦东新区张江“科学之门”项目,东西塔楼高达320米,建成后将成为中国最高的双子塔。该项目总占地面积约4.38万平方米,总建筑面积约58万平方米,总投资约142亿元。其中56-01地块、57-01地块共由七个单体建筑组成,是一个集商场购物中心、高档办公、五星级酒店、餐饮娱乐等大型城市综合体项目。
项目效果图
二、项目BIM机电管理
正在负责张江“科学之门”机电深化设计的英宝建筑科技(上海)有限公司(以下简称“英宝”)作为BIM总承包统筹管理,从项目之初便制定了系统的机电深化设计工作管理的流程及计划表管控项目进度,根据进度计划判断机电深化工作是否滞后,提前预警。

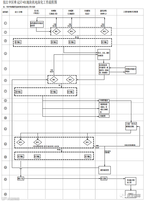
机电深化工作流图

机电深化专项工作流程图
三、本项目机电深化设计的目的及意义
1.发现并解决机电专业蓝图中出现的疏漏。
2.发现并解决机电系统内部各专业之间出现的疏漏。
3.发现机电系统和其他专业的冲突和疏漏,并找到解决的方法。
4.合理排列机电设备及管线的位置走向,施工方便,节省材料及人工。
5.结合精装修标高图等其他对图纸,建筑物内的机电管线进行最佳排位,最大程度减少管道所占空间。
6.有利于各专业安排工序,达到统筹的目的。
7.深化设计应全局把控、重点关注。当各种机电管线出现相互交叉挤占同一空间的问题时,根据各自具有各自的工艺布置要求,应相互协调、布置得当。

四、本项目机电管线深化排布原则
1.归拢主干管线,然后次支管线:有机械车位的排布在车道上,牺牲车道空间;若没有机械车位,排布在车位上空,牺牲车位净高;若整体地下室净高条件较低,优先牺牲车位上净高。
2.定位排水管(无压管):排水管为无压管,不能上下翻转,应保持直线,满足坡度。一般应将其起点(最高点)尽量贴梁底(优先考虑梁内预埋,起点距离板下5~10cm),使其尽可能提高。
3.定位风管(大管):各类风管尺寸比较大,需要较大的施工空间,所以接下来应定位各类风管的位置。风管上方有排水管的(尽量避开排水管,并排处理),安装在排水管之下;风管上方没有排水管的,尽量贴梁底安装。
4.确定了无压管和大管的位置后,余下的就是各类有压水管,桥架等管道。此类管道一般可以翻转弯曲,布置较灵活。其中要注意矿物绝缘电缆的路径和电缆选择,条件允许建议采购柔性矿物绝缘电缆。
5.成排的桥架、管道的外壁之间、管壁距墙体预留100mm~150mm,要注意管道和风管的保温厚度、桥架的弯曲半径。
6.检修和上人空间≥400mm。
所述为管线布置基本原则,管线综合协调过程中根据实际情况综合布置。
地下室管线排布三维漫游
五、本项目现阶段BIM技术主要应用点
1、图纸会审
通过建模和深化,记录过程中发现的图面和设计问题,整理成问题报告作为图纸会审的一部分。除了管线密集无法施工、净高不满足等问题外,还有以下几点需要注意:
总图:①做地库深化的时候一定要看室外的总图,进户的标高和位置是否和地库图纸一致。②排水管标高和地库顶板是否有冲突。
电气专业:①建筑底图是否和建筑图纸一致。②图面标记是否齐全。③预埋的电气管是否有SC50/SC65等大管径,预埋管或预埋线管密集保护层无法达到要求建议调整为桥架。④人防通道口防护墙上是否有电气预留的套管。⑤配电箱、控制箱位置是否有不合理的位置。⑥火灾报警点位与给排水和强电位置是否一致。⑦强电井内竖向留洞是否满足桥架弯曲半径施工或母线槽插接箱安装空间。配电间内的配电箱布置能否排开,门的开启方向是否与配电箱、柜交叉。⑧变电站的进户套管数量和位置是否满足需求。⑨防火卷帘的卷帘盒、人防门、防火门的开启与桥架或配电箱是否有冲突。
通风与空调专业:①建筑底图是否和建筑图纸一致。②图面标记是否齐全。③风机房内是否缺少必要的剖面详图。④穿越楼板、防火隔墙处的防火阀、正压送风系统的泄压阀是否有遗漏。⑤冷凝水的排放是否有序。⑥设备编号是否有序完整无重复。⑦风口的形式和尺寸是否都明确。⑧机房内的设备布置能否满足施工和检修,阀部件的设置是否合理。⑨地库各个通风系统是否都与室外连通,出地面位置是否合理。
给排水专业:①建筑底图是否和建筑图纸一致。②图面标记是否齐全。③是否所有的排水都出室外,进入地库的排水是否都有提升装置。④压力排水、雨水等各个系统图是否对应和完整。消防电梯基坑是否设置了排水措施。⑤集水坑位置是否与土建承台、机械车位等碰撞⑥热水系统是否设置了有效的循环系统。⑦泵房、湿式报警阀间、垃圾站、隔油间等有用水房间是否都设置了排水沟或地漏。⑧水泵房是否布置合理,预留检修空间是否合理。⑨消防泵房内是否设置了减压、泄压、水锤消除器等安全装置。
各专业之间:①关联点位是否一致(配电箱、消火栓、防火阀点位等)。②变电站、配电房等是否有无关的管道穿越。③风机房的门是否与风口,风管冲突。出空调机房处的风管位置是否穿土建砌筑墙体的构造柱。④防火卷帘上空是否与管线冲突。⑤大型管道安装处是否考虑了结构的承载能力。


2、地库管线排布优化
本项目机电系统复杂且庞大,主要包含:强电、弱电、通风、排烟、正压送风、消火栓系统、喷淋系统、给水、中水、排水、压力排水、地库冲洗、太阳能热水系统。
各专业排布心得:
①机械车位保障3.6米以上净高。
②设计院的深化≤DN50的管线不做考虑,本次只要涉及综合支架的管线都需要进行优化。这也说明综合管线优化本质不只是管线的排布,更是综合支架的方案设计。
③管线排布一般都需要进行3遍以上修改,自己改一遍。和其他同事相互检查再优化一次,最后会议讨论再调整一次。因为自己改的一遍其实还有很多“节点”还没有打开或捋顺。只有通过检查才能更加完善。
④复杂节点可以进行全专业讨论,或许在建筑或者结构专业那就很好解决。这也要求管线优化需要具备一定的建筑结构的知识。
深化设计常见忽略考虑的问题:
①走道内排布未考虑风口。
②原设计为普通灯具的管线排布后要改为线槽灯的未考虑线槽灯安装位置。
③未考虑喷淋支管的安装空间。
④未考虑阀门安装和操作空间
⑤人防门开启范围内不应有机电管线穿越防火卷帘门上方
⑥防火卷帘门上方一般空间狭小,机电管线未避让


3、预留套管、结构留洞出图
在管线综合排布结束的基础上进一步对一结构留洞和设置套管进行深化设计,通过深化后的管线位置确定套管和留洞位置,并复核原设计套管做法是否满足规范要求,重点检查出户和穿越人防区域的套管。
地下三层一结构套管图
地下三层二结构留洞图
地下二层二结构留洞图
4、机电管线综合漫游
基于实际工程,参考学习一下由英宝BIM团队深化、制作的管综第一阶段漫游视频展示
六、应用总结
英宝BIM深化技术部经理季帅帅从本项目开工伊始驻场至今,在BIM机电深化实施过程中总结了一下几点:
1.综合支架的固定点位置优先考虑在主次梁上,支架根部避免固定在梁下(梁下侧钢筋密集膨胀螺栓不易固定)。
2.项目均需进行支吊架计算,并上报监理。
3.建议综合支架由总包制作安装,并做好与业主、管理公司的沟通。同时做好深化设计图纸报监和管线深化方案的报监工作,依次作为签证依据。
4.机电管线深化工作越早开始效果越好,调整空间也越大。针对业主变更和调整的,做好各项依据和会议纪要,各阶段的成果可以作为签证依据。
5.作为总包要重视机电专业的重要性,在重视土建的总包方,后期对其他专业机电的管控上经常力不从心。
6.机电深化人员必须不断提高自身专业水平,通过掌握土建、装饰、钢结构等其他专业的知识,这样才能更深入一个层次进行优化。

