
1.背压回路

2.直动溢流阀

3.比例远调压力回路

4.齿轮泵

5.变量泵回路

6.叶片式液压马达

7.冲液阀回路

8.普通单向阀

9.串联同步回路

10.液控单向阀

11.电磁泄荷回路

12.先导溢流阀

13.低压溢流阀

14.分流阀同步回路

15.二位二通换向阀

16.换向回路1

17.换向回路2

18.二位四通换向阀

19.节流阀出口节流回路

20.三位四通换向阀

21.节流阀旁路旁路节流调速回路

22.三位五通换向阀

23.单级调压回路

24.机动换向阀

25.手动换向阀

26.无级减压回路

27.平衡回路

28.液动换向阀

29.减压阀

30.减压回路

31.水冷却器

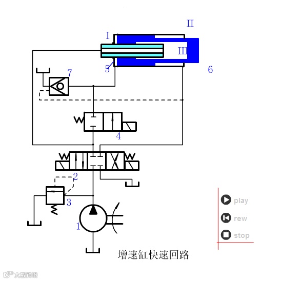
32.增速缸快速回路

33.液压缸差动连接快速回路

34.调速阀并联的速度换接回路

35.调速阀串联的速度换接回路

36.电磁溢流回路

37.进油调速回路

38.节流阀进油调速回路

39.节流阀进油调速回路

40.蓄能器油缸回路

41.气缸快速往复运动回路

42.三压回路

43.双泵回路

44.双压调压回路

45.行程阀控制顺序动作回路

46.行程开关和电磁阀控制顺序动作回路

47.双作用增压缸的增压回路

48.液压泵保压回路

49.锁紧回路

50.蓄能器保压回路

51.中位泄荷回路

52.单作用增压缸增压回路

53.远程调压回路

54.典型机床回路

55.典型机床回路2

56.快进工进回路

57.用行程阀的速度换接回路

58.调速阀串联的二次进给速度换接回路

59.调速阀并联的二次进给速度换接回路

60.调速阀并联的二次进给速度换接回路2

61.行程阀控制的快慢速换接回路

62.行程控制制动式换向回路

63.行程开关和电磁换向阀控制的顺序运动回路

64.行程开关控制的快慢速换接回路

来源:网络!
免责声明:本文系网络转载,版权归原作者所有,如有涉及版权问题,请联系QQ237752585!
不要私存,放到圈子里,让更多人知道吧!
如果对我们公众号有什么好的建议,
欢迎加微信号:zhijiedafb
或者直接后台留言!
…………下期更精彩!千万不要错过哦!!!

扫描下面的二维码,或者点击阅读原文,还可以找到心仪的工作哦!赶快行动吧!!!

“非标自动化”微信所发布、回复的一切内容仅作公益性分享、研讨之用,内容仅供参考,不一定代表“非标自动化”意见,请各位明辨。另外,如因作品内容、图片版权和其它问题请联系我们:微信237752585,我们会及时更正。
“非标自动化”团队分享此文的一切功德,皆悉回向文章原作者和各位读者。
❤ 您的点赞是小编用心运营该账号最大的动力!
另外,悄悄地告诉你,要找好工作就猛戳阅读原文!


