大数跨境
0
0

怎么把电气图转换为PLC梯形图?

怎么把电气图转换为PLC梯形图? 非标自动化
2018-02-27
1
导读:答疑问题:怎么才能每天都收到这种文章呢??答案:只需要点击图片上边的《非标自动化》进行“关注”即可!广受推崇

温馨提示

问题:怎么才能每天都收到这种文章呢??
答案:只需要点击图片上边的《非标自动化》进行关注即可!

广受推崇的微信公众号:zhijiedafb 小编私信:237752585

        PLC程序设计,一般均采用直觉法,也就是说它植基于电路设计者本身之学习经验,较为主观及直接。须经历一段瞎子摸象的尝试错误(tryanderror)时期,对程序进行除错之后才能符合所需功能或动作要求;因此设计出来的程序因人而异,除了原程序设计者之外,使用者或维修人员较不易理解其动作流程,亦即程序的可读性较低。


        但程序设计其实有些许脉络可循,只是坊间的书籍很少提及这一部份。以下姑且抱着野人献曝的心情,以『三相感应电动机故障警报控制』电路为例,由传统电工图转换为阶梯图的过程,浅谈程序设计,相信尔后对于相关的回路转换或程序设计,您或许可触类旁通。


1、传统电工图

已知的三相感应电动机故障警报控制电路,其传统电工图,如图1所示。


图1 三相感应电动机故障警报控制电路图


2、动作说明

1.电源正常时,仅绿灯gl亮,电动机不动作。

2.按下启动按钮pb1,电磁接触器mc动作,电动机立即运转,指示灯rl亮,绿灯gl熄。

3.按下停止按钮pb2,电磁接触器mc断电,电动机停止运转,指示灯rl熄,绿灯gl亮。

4.电动机在运转中,因过载或其它故障原因,致使积热电驿th-ry动作,电动机停止运转,蜂鸣器bz发出警报,指示灯rl熄,绿灯gl亮。

5.按下按钮开关pb3,蜂鸣器bz停止警报,白灯wl亮,绿灯gl亮,红灯rl熄。

6.故障排除后,按下积热电驿th-ry复归杆,则白灯wl熄,绿灯gl亮,红灯rl熄,可以重新起动电动机。


3、i/o编码

使用plc,就是以软件程序来取代硬件配线。传统电工图当中,主电路是plc无法取代的;plc可以取代的部份,是控制电路。由传统电工图转换为阶梯图的第一个步骤,就是i/o编码,亦即将传统电工图中的输入/输出组件,先行确定其在plc中所拟对应之外部输入/输出端子编号,以及外部输入组件接线方式是采用a/b接点,如表1所示。

(a):外部採a接点方式接线

(b):外部採b接点方式接线


4、plc外部接线图

输入/输出组件经i/o编码,并决定外部输入组件是采用a/b接点接线方式后,plc外部接线图如图2所示。图中所示为丰炜vigor-vb系列plc机种,采用npn接线,亦即24v端子与s/s端子并接。


图2 plc外部接线图


5、plc阶梯图

由传统电工图转换为阶梯图之程序设计步骤如下:

(1)将电工图中控制电路直接转成对应阶梯图。因为plc阶梯图中规定,接点在前,输出线圈则必须位于回路的最后。故首先须重新绘制电工图,将图中接点与输出线圈位置适度变更,以符合plc阶梯图的要求,重新绘制后的电工图,如图3所示。


图3 重新绘制后的电工图

(2)以i/o编码后的组件编号,取代电工图中的输入/输出组件,此处要留意的是,th-ry的c-a接点及c-b接点要独立出来,各自成为一个控制回路,如图4所示。


图4 i/o编码后的的电工图


(3)将图4所示的电工图,向左旋转90°,之后再垂直翻转(upsidedown),即可成为plc阶梯图,但因:

 (1)y1、x0接点,

 (2)输出线圈y1和y2,不符合一般编程软件格式,故须适度更正,如图5右方所示。


图5 适度翻转并修正后的阶梯图


※若您使用visio来绘制电工图,则向左旋转90°,之后再垂直翻转,就变的很easy。


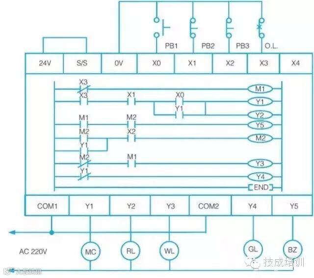
(4)使用编程软件绘制之阶梯图,如图6所示,与适度翻转并修正后的阶梯图,完全相同。


图6 编程软件绘制之阶梯图


6、指令

将阶梯图转换为指令,则如下所示:



7、plc转换接线与阶梯图

传统电工图完整转换后之plc外部输入/输出接线与阶梯图。使用软件程序取代硬件配线后之plc外部输入/输出接线与阶梯图,如下图7所示。


图7 以软件程序取代硬件配线后之plc


8、结束语

plc其研发目的在于取代以继电器为主之顺序控制,亦即使用软件程序以取代硬件配线,因此祇要改变其软件程序即可改变其控制的顺序,而轻易的达成控制上之不同需求。一般的plc系以传统继电器控制回路为基础发展而来,并将继电器的接点和线圈予以符号化,当转换成一般的阶梯图或指令之后,即可实现其控制。


但如此所完成的控制回路,是基于电路设计者本身之学习经验,较为主观及直接,一般使用者往往不易理解其动作流程,亦即程序的可读性较低。

温馨提示:大量粉丝还没有养成阅读后点赞的习惯,希望大家在阅读后顺便点赞,以示鼓励!坚持是一种信仰,专注是一种态度!

如果对我们公众号有什么好的建议,

欢迎加微信号:zhijiedafb

或者直接后台留言!

…………下期更精彩!千万不要错过哦!!!


编辑声明

  “非标自动化”微信所发布、回复的一切内容仅作公益性分享、研讨之用,内容仅供参考,不一定代表“非标自动化”意见,请各位明辨。另外,如因作品内容、图片版权和其它问题请联系我们:微信237752585,我们会及时更正。

  “非标自动化”团队分享此文的一切功德,皆悉回向文章原作者和各位读者。


【声明】内容源于网络
0
0
非标自动化
产品推广与交流平台,携手有志非标自动化方面发展的仁人志士共同为推动工业自动化的普及奋斗!
内容 1235
粉丝 0
非标自动化 产品推广与交流平台,携手有志非标自动化方面发展的仁人志士共同为推动工业自动化的普及奋斗!
总阅读0
粉丝0
内容1.2k