
问题:怎么才能每天都收到这种文章呢??答案:只需要点击图片上边的《非标自动化》进行“关注”即可!
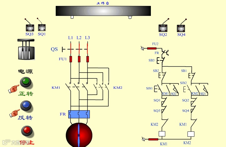
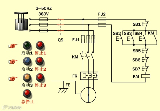
低压电器部分








电动机及控制线路











传感及控制原理






如果对我们公众号有什么好的建议,
欢迎加微信号:zhijiedafb
或者直接后台留言!
…………下期更精彩!千万不要错过哦!!!
“非标自动化”微信所发布、回复的一切内容仅作公益性分享、研讨之用,内容仅供参考,不一定代表“非标自动化”意见,请各位明辨。另外,如因作品内容、图片版权和其它问题请联系我们:微信237752585,我们会及时更正。
“非标自动化”团队分享此文的一切功德,皆悉回向文章原作者和各位读者。
悄悄地告诉你,要找好工作就猛戳阅读原文!


