大数跨境
0
0

自动挡换挡的时候为什么一定要踩刹车?

自动挡换挡的时候为什么一定要踩刹车? 鑫华安救援
2021-08-04
2
导读:「自动档换档是不是必须踩刹车」?只有 P 挡挂入其他挡位时,才强制踩刹车,其他挡位间互相切换是不强制必须踩刹







「自动档换档是不是必须踩刹车」?


只有 P 挡挂入其他挡位时,才强制踩刹车,其他挡位间互相切换是不强制必须踩刹车的。当然了,从安全角度讲,建议一般驾驶员在自动档车辆切换挡位操作时踩刹车。除非你是 @Jeff YU@刘大胖 ——可能是知乎上最暴力对待和测试变速箱的人 。


为什么设置必须踩刹车才能从 P 挡挂入其他挡位?


为了安全。

上世纪 90 年代前后各大汽车厂商频频出现「暴冲事件」或者「非预期加速事件」,其中一种常见的事故情形就是从 P 挡挂入 D 挡或 R 挡的时候发生的。为尽量避免此类事故,现在所有的自动档车辆都配备有换挡锁止功能(shift lock),不允许未踩刹车将 P 挡挂入其他挡位,甚至有的车辆即使踩了刹车,但油门到一定深度或节气门开到一定角度也会不允许将 P 挡挂入其他挡位。


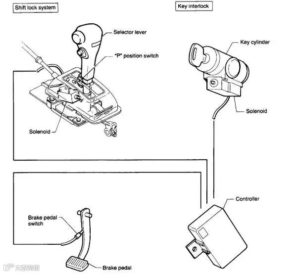
P 挡锁止是什么原理?


以下图为例。

P 挡锁止是由一个电磁阀(solenoid)来进行锁定的,要想解开锁定,需要控制器(controller)发出解锁信号,闭合继电器,控制电磁阀解锁。而控制器发出解锁信号的条件里面肯定会有「接收刹车踏板踩下的信号」这一条。

而具体实现过程要比这个图复杂得多,一般刹车信号会由 ECU 采集,然后将信号发到总线网络上共享给控制器,不同车型会有所不同,一般控制器是 BCM(车身控制模块)或者 TCU(变速箱控制单元),当解锁条件满足时,BCM 或 TCU 发出解锁指令,对 P 挡进行解锁。



接着回答题主的剩下的问题。

手自一体切换到手动模式时加减档时为什么又不需要踩刹车?

自动变速器的加减挡动作是由 TCU 控制进行的,本身就不需要踩刹车,手动模式只不过是原来由 TCU 根据换档曲线进行换档这个自动过程,将一部分主动权交给驾驶员,由驾驶员决定换档的时机而已。

静止时 D、N 挡互相切换需要踩刹车吗?

上面已答,除了 P 挡切换至其他挡位时需要强制踩刹车,其他挡位是不强制的。

当然 N->D 这个过程,有的车设计上会将 P 挡锁止这个功能延伸到 N 挡,原因同上。但不是所有车都是!






【声明】内容源于网络
0
0
鑫华安救援
山东鑫华安信息科技有限公司
内容 6947
粉丝 0
鑫华安救援 山东鑫华安信息科技有限公司
总阅读1.5k
粉丝0
内容6.9k