搜索
首页
大数快讯
大数活动
服务超市
文章专题
出海平台
流量密码
出海蓝图
产业赛道
物流仓储
跨境支付
选品策略
实操手册
报告
跨企查
百科
导航
知识体系
工具箱
更多
找货源
跨境招聘
DeepSeek
首页
>
详解分布式光伏施工
>
0
0
详解分布式光伏施工
找光网
2023-04-30
0
导读:详解分布式光伏施工
光伏系统的组成
1、光伏系统的组成部分
光伏系统由以下重要部分组成:
光伏组件:是由光伏电池片制造成薄膜板放置在封装层之间
逆变器:将光伏组件产生的直流电源逆变成可并网的交流电源
蓄电池:以化学方式存储直流电(DC)的装置
光伏支架:为光伏组件提供支撑定位作用
光伏系统示例图:
2、光伏系统的类型
光伏系统大体可分为两种类型:
并网系统:这类系统的优点在于不用电池蓄能,直接与国家电网相连,不用担心停电的情况;
离网系统:离网系统需要蓄电池来蓄能,这样的成本相对会高些。
并网系统和离网系统的示例对比照:
光伏系统接线
1、光伏系统的串并联连接方式
光伏组件根据要求可以并联也可以串联,也可以串并联混合连接。
例如用4个12V的PV组件设计一个24V的离网系统:
16个34V的PV组件设计一个由两个串联部分组成的并网系统:
2、针对逆变器型号连接组件
各种型号的逆变器可配对的组件数量是一定的,可以根据逆变器的支路数量来分配各组组件的连接数量,如图所示:
3、逆变器连接方式
在逆变器的直流输入端与交流输出端需分别加装直流断路器和交流断路器。如若有多组逆变器需同时连接则每组逆变器的直流端需分别与模组相连,交流端可以并联接入电网,电缆线径要相应加粗。
4、交流端并网连接
一般家庭并网部分是由供电公司接人并网 ,安装单位只需将交流端预留在电表箱,并安装断路开关。若是业主不用并网或还未批准并网。则安装单位需要将交流端接在电源进户开关下端。用户若是三相电接入则需三相逆变器。
支架部分
1、水泥平面屋顶
水泥平面屋顶的支架可分为两部分,一是支架的底座部分,二是支架部分。支架的底座是由标号为C30的混泥土浇筑而成。
水泥墩标号及排布表:
水泥墩排布图:
不同的厂家生产的支架各有不同,依据场地的特有条件适用的支架也各有不同,下面就几种常见的支架安装方式做介绍。
首先了解常见的支架材料:
了解各部件的形状用途也便于快速安装支架:
水泥平面或地面电站常用支架样式:
当围墙过高或者地面有障碍物(避雷带、线管、桥架)的时候可用这种带抬高脚的支架,屋面开阔也可以双排铺设:
2、彩钢瓦屋面
彩钢瓦屋面的安装相对要简单些,依据采光瓦不同的菱角配备不同的扣件如图:
固定扣件是要横竖要保持平衡,密度保持在每平方米4个。
安装扣件支架及光伏板步骤具体如图所示:
1、按图纸指定位置,将钢板夹的正面和背面卡在彩钢板上,并使用螺钉固定(尽量一次性固定所有钢板夹,如果不行则一次固定两行方便安装光伏组件)。
2、使用T型螺钉穿过横梁,并将横梁固定在钢板夹上,调整位置后用螺帽拧紧(同1,尽量一次固定所有横梁,如果不行则一次固定两行方便安装光伏组件)。
3、第一块光伏组件放置完毕后,使用单侧压块固定。
4、单双侧压块固定方式:将T型螺钉滑入横梁(最好预先滑入所有T型螺钉方便安装),使用单、双侧压块贴紧光伏组件。并用螺钉固定紧。
5、重复1-4步骤,直至安装完毕。
3、瓦片倾斜面屋顶
瓦片倾斜面屋顶安装也是比较危险的施工场地,所以在施工前安全措施一定要做好。瓦面屋顶施工细节:
1、在水泥屋面上开膨胀螺栓孔,孔深根据屋面厚度而定;
2、向膨胀栓孔内注入密封胶;
3、放入膨胀螺栓,将弯钩固定在水泥屋面上;
4、弯钩与屋面结合面涂上密封胶;
5、弯钩周围用水泥填充并做好防水处理,将瓦片复原。
现场实例照:
瓦片屋顶的弯钩固定密度与彩钢瓦的密度相当,每平方米固定4个弯钩:
4、开扩的地面
开阔地面支架的安装要根据土质的松软程度确定基础的固定方式一般有以下几种方式:
1、钻井浇筑;
2、钻桩;
3、地面砌基;
4、水泥基块。
地面上的支架与屋面的支架相似 ,不同的就是地面会以多排组件为一组,而屋面以两排或单排铺设为主。
组件安装
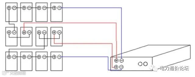
1、组件按照逆变器分组连接
每个组串的模块数因逆变器型号而定,逆变器上有几组正负极插脚,这就要求我们在连接组件的时候要注意区分组串数例如:一台4KW的单项逆变器配了18块组件并且逆变器上有三组正负极插线柱那么我们的连接方式如图所示:
2、组件安装注意事项
水泥平面屋顶安装组件的时候若单排组件比较长,可以从中间开始往两边依次安装,这样可以将组件安装的更水平。瓦片倾斜屋面安装组件时要提前考虑好组件的连接方式和组串数,安装下一块组件前要先将两块组件插脚连接。彩钢瓦面安装组件时同样要注意安装下一块前将两块组件的端子连接。
3、系统可靠接地
系统一定要可靠接地,接地原理如图所示:
4、电缆线排布
电缆线排布要整齐集中,便于检修。穿拉电缆时不能蛮力拉扯以以防损坏电缆。
系统调试
1、检查系统是否按照规定连接
检查系统的每个组串有没有串接,插脚之间有没有差紧固,接地线是否可靠接地。
2、用万用表确定正负极
用万用表两个表笔与每一串组的两根线相连,红笔为正极。之后将每串组的正负极对应逆变器正负极连接。合闸送电前再次确认每串组间的电压是否正常(晴天时每串组的电压等于每块组件的电压之和)。检查交流端的火线和零线是否与电源的火线和零线连接正确。将直流端与交流端的断路器闭合,开启逆变器依照逆变器说明书查看逆变器运行状况。
工程交付
1、向业主方详细讲解系统使用方法
向业主介绍逆变器操作方法,如何查看日发电量,月发电量,和故障显示等常用的状况和操作方法。
2、填写业主回执单
工程结束后要向业主方填写联系人,联系电话,地址,工程满意度,施工方填写系统千瓦数逆变器型号等基本信息以便后期维保。
END
来
源 /
电力造价论坛
编辑 /找光网编辑部
[商务合作]欢迎电话联系:400-100-1988;010-5644 039
9
【声明】内容源于网络
0
0
找光网
北京找光网能源科技有限公司是一家集分布式光伏电站开发、设计、建设、运维等为一体的新能源科技企业。公司愿景是将光伏与物联科技融合,围绕实现“碳达峰、碳中和”战略目标,“合纵连横”赋能第三方安装商,引领分布式光伏市场新生态,普惠千家万户。
内容
573
粉丝
0
关注
在线咨询
找光网
北京找光网能源科技有限公司是一家集分布式光伏电站开发、设计、建设、运维等为一体的新能源科技企业。公司愿景是将光伏与物联科技融合,围绕实现“碳达峰、碳中和”战略目标,“合纵连横”赋能第三方安装商,引领分布式光伏市场新生态,普惠千家万户。
总阅读
132
粉丝
0
内容
573
在线咨询
关注