今天分享的动画资源是来自机械工业出版社出版的《电气控制与PLC(三菱)》一书,作者:杨林建,ISBN:978-7-111-50680-5,感谢机工教育的授权。
低压电器部分








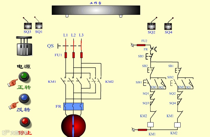
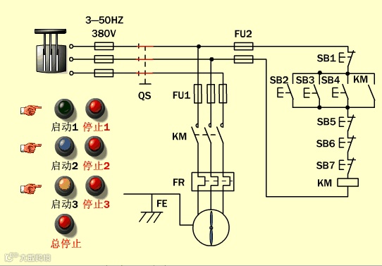
电动机及控制线路











传感及控制原理





原理图纸对照



关注精彩内容,要先点击“JOZO”哦~
如何关注
1.微信查找公众号:JOZO
2.长按下方识别二维码直接关注

联系我们
上海久卓机电设备有限公司
Shanghai JOZO machine& electlc Co,Ltd
电话:021-69008631
传真:021-52655336
网址:www.jozopower.com.

