苏州市工程造价管理处
苏工价〔2023〕2号
关于印发《智能建造(建筑机器人)补充定额》(试行)的通知
各建设、设计、施工、中介咨询机构,市各有关单位:
为贯彻落实市政府《关于加快推进智能建造的实施方案》,推进我市智能建造的发展,满足建筑机器人施工的计价需要,我处组织编制了《智能建造(建筑机器人)补充定额》(试行),现印发给你们,并将有关事项通知如下:
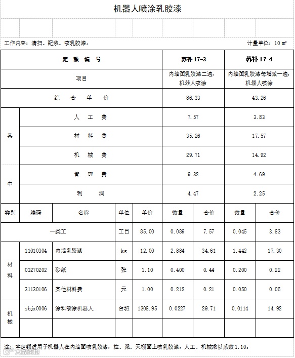
一、本补充定额作为我市现行建设工程计价依据的补充,与《江苏省建筑与装饰工程计价定额》(2014版)配套使用。适用于本市行政区域内采用整平机器人、抹平机器人、喷涂机器人和ALC墙板安装机器人为代表的建筑机器人施工的工程。
二、本补充定额机器人台班单价按租赁考虑,已包含运输费、电费和操作员人工费。我处将根据建筑机器人租赁市场价格变化,适时发布其租赁台班单价。
三、本补充定额由苏州市工程造价管理处负责管理、解释,在执行过程中遇到的问题和意见,请及时反馈。
苏州市工程造价管理处
2023年3月15日
合作联系:177 3908 7628(微信同号)

