
枯藤老树昏鸦,空调WiFi西瓜,葛优同款沙发。
夕阳西下,懒懒往上一趴。
炎炎夏日,酷暑难耐,
相信一杯透心凉的冰饮,
一根冰冰凉的雪糕都能冷却我们燥热的心。
近年来冰柜随着疫情的爆发而逐渐进入大家的生活,居民对各类食品物资的储存需求大幅增长,进而带动了冰柜需求的增长,各种各样的冰柜横空出世给人们的生活带来了很多便利。为方便大家在生活中挑选适合的冰柜,小编在这里说一些冰柜的构造及选型推荐。
箱体的基本作用是绝热,绝热性能的优劣直接关系到箱体的保温性能。
(2)箱门装有磁性密封条防止冷气外漏和热空气侵入。
(3)箱顶的顶板下面垫有高密度聚苯乙烯泡沫板,起隔热作用。
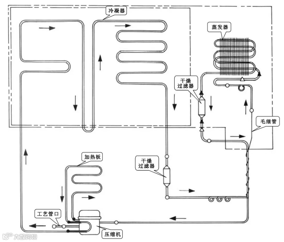
制冷系统中,主要组成有压缩机、冷凝器、蒸发器和毛细管四部分,自成一个封闭的循环系统。其中蒸发器安装在电冰箱内部的上方,其他部件安装在电冰箱的背面。系统里充灌了一种叫"氟里昂12(CF2Cl2,国际符号R12)"的物质作为制冷剂。氟里昂12在蒸发器里由低压液体汽化为气体,吸收冰柜内的热量,使箱内温度降低。变成气态的氟里昂12被压缩机吸入,靠压缩机把它压缩成高温高压的气体,再排入冷凝器。在冷凝器中气态的氟里昂12不断向周围空间放热,逐步液化成液体。这些高压液体必须流经毛细管,节流降压才能缓慢流入蒸发器,维持在蒸发器里继续不断地汽化,吸热降温。就这样,冰柜利用电能做功,借助制冷剂的物态变化,把箱内蒸发器周围的热量搬送到箱后冷凝器里去放出,如此周而复始不断地循环,以达到制冷目的。

当箱内温度过高时接通压缩机,使制冷系统工作,从而使箱温降下来;当箱温降至要求的温度时,使压缩机断电。
单温柜:一个间室,可冷藏冷冻转换,但只能选择一种温度,不能同时有冷藏和冷冻。主要做冰箱的补充。

双温柜:有冷藏和冷冻两个间室,适合没有冰箱的情况。
立式冷柜:属于单温柜,价格稍贵,预算较多可以选择。开门方便,拿取方便,适合给老年人使用。
冷藏柜:如果作为蔬菜、水果、啤酒等冷藏储存条件,要选择饮料柜或啤酒柜,其温度在零上。

如果作为冰箱的补充,一般100升左右;如果作为主要存放食品用,200升左右,一般以双温柜比较合适。
单身or小两口的家庭,100~200升的冰柜基本够用了;但如果家里人多,建议选200~300升的冰柜。
冷冻能力是指在12小时内可以冷冻多少公斤的食物。一般冷柜100升在5kg/12h左右。冷柜一般存储大量食物,需要冷冻速冻快,所以冷冻能力越强越好。急速降温能保证冰晶小,不易刺破细胞,能够尽可能保存食物的营养和口感,所以购买冰柜时应关注冷冻能力。
直冷制冷式:价钱廉价,较为省电,有用容积大,保鲜保湿功能好,但温度不匀,需常常除霜,适于比较干燥的南方和内海洋区。
风冷制冷式:主动除霜,湿度低,冷温度平均,食物易风干脱水,适于沿海、长江沿岸等湿润地域,耗电量高,有用容积小。
直冷风冷制冷式:对冷藏室直送冷,对冷冻室风送冷,兼具两者长处,但耗电量高。
领先未来成立于2007年,是一家服务于央企、政府、军队、民企等机构单位的综合服务型公司,总部位于北京市朝阳区。集团自主研发的一站式物资采购商城依托百万商品和上万供应商服务客户生产、研发、仓储、办公等场景的物资需求。充分利用电子商务的透明便利及线下800+服务网点建设,实现快速响应,使采购更高效、更阳光、综合成本更优。
领先工业主要服务工厂维护、维修和运行阶段的工业品(MRO)采购服务,超过200位工业品专家队伍实现商品及供应商的优选和质量控制。坚守工业品专业自营、一站配齐、极致交付、综合降本的整体服务体系。大数据、系统、全国网点为领先发展的三驾马车,全力助力工厂供应链数字化转型,为中国制造2025添砖加瓦。