郁银泉
中国工程勘察设计大师
中国建筑标准设计研究院副院长、总工程师
教授级高级工程师
一级注册结构工程师
全国超限高层建筑工程抗震设防审查专家委员会委员
中国建筑学会资深会员
中国钢结构协会副会长
中国工程建设标准化协会建筑产业化分会会长
内容较长,建议先收藏!
一、JGJ99-2015修订的主要内容
1.更加明确了适用范围;
2.修改、补充了选材要求、高性能钢材GJ钢、低合金高强度结构钢和高强度螺栓的材料设计指标;
3.强调补充了房屋适用的最大高度;增加了7度(0.15g)、8度(0.30g)抗震设防区房屋最大适用高度的规定;
4.补充了结构平面和立面规则性的有关规定;
5.修改了风荷载标准值作用下的层间位移角限值的规定,增加了风振舒适度计算时结构阻尼比取值及楼盖竖向振动舒适度要求
6.增加了相邻楼层的侧向刚度比的规定;
7.增加了抗震等级的规定;
8.增加了结构抗震性能的设计方法及结构抗连续倒塌设计基本要求;
9.风荷载比较敏感的高层民用建筑钢结构承载力设计时,风荷载按基本风压的1.1倍采用,扩大了考虑竖向地震作用的计算范围和设计要求;
10.修改了多遇地震作用下钢结构的阻尼比,对不同高度范围采用不同值;
11.增加了刚重比的有关规定;
12.修改、补充了结构计算分析的有关内容,修改了节点域变形对框架层间位移影响的计算方法;
13.正常使用极限状态的效应组合不作为强制性要求,增加了考虑结构设计使用年限的荷载调整系数,补充了竖向地震作用作为主导可变作用的组合工况;
14.修改、补充了框架柱计算长度的设计规定;
15.增加了梁端采用加强型连接或骨式连接时强柱弱梁的计算规定和圆管截面柱和十字形截面柱的节点域有效体积的计算公式;
16.修改了框架柱、中心支撑长细比的限值规定;
17.修改了框架柱的板件宽厚比限值规定;主梁腹板宽厚比限值取消了适用调幅连续梁的轴压比规定,补充了梁柱连接中梁腹板厚度小于16mm时采用角焊缝的规定;
18.增加了伸臂桁架和腰桁架的有关规定;
19.修改了人字支撑、V型支撑和偏心支撑构件的内力调整系 数;
20.修改了钢框架抗震设计的连接系数规定,不再作为承载力抗震调整系数列入,改为全部在承载力连接系数中表达;
21.修改了框架梁与H形柱绕弱轴的连接,柱的加劲肋(连 续 板)改为应伸出柱翼缘以外不小于75mm,并以变截面形式将宽度改变至梁翼缘宽度的规定;
22.增加了采用电渣焊时箱形柱壁板厚度不应小于16mm的规定;
23.修改了梁柱刚性连接的计算方法和设计规定;
24.增加了梁与柱现场焊接时,过焊孔的形式,提出了剪力板与柱的连接焊缝要求;增加了梁腹板与柱连接板采用焊接的有关内容;
25.增加了加强型的梁柱连接形式和骨式连接形式;
26.修改了节点域局部加厚的构造要求;
27.补充了采用现浇钢筋混凝土楼板将主梁和次梁连成整体,可不考虑偏心弯矩影响的规定;
28.补充了梁拼接时按受弯极限承载力的计算规定;
29.修改了钢柱脚的计算方法和设计规定;
30.增加了构件预拼装的有关内容;
31.增加了钢板剪力墙、异型柱的制作允许偏差值的规定;
32.修改了焊缝质量的外观检查的允许偏差的规定;
33.增加了防火涂装的有关内容;
34.修改、补充了钢板剪力墙的形式,计算和构造的有关规定;
35.增加了屈曲约束支撑设计的有关内容;
36.增加了高强度螺栓破坏的形式和计算方法的规定。
二、重点内容的详细介绍
1.更加明确了适用范围
1.0.2 本规程适用于10层及10层以上或房屋高度大于28m的住宅建筑以及房屋高度大于24m的其它高层民用建筑钢结构的设计、制作与安装。非抗震设计和抗震设防烈度为6度至9度抗震设计的高层民用建筑钢结构,其适用的房屋最大高度和结构类型应符合本规程的有关规定。 本规程不适用于建造在危险地段以及发震断裂最小避让距离内的高层民用建筑钢结构。 |
| 【条文说明】 《高层民用建筑钢结构技术规程》JGJ99-98(以下简称98规程)没规定适用高度的下限。本次修订将适用范围修改为10层及10层以上或房屋高度大于28m的住宅建筑,以及房屋高度大于24m的其他高层民用建筑,主要是为了设计人员便于掌握对规程的使用,同时也与我国现行有关标准协调。 本条还规定,本规程不适用于建造在危险地段及发震断裂最小避让距离之内的高层民用建筑。大量地震震害及其他自然灾害表明,在危险地段及发震断裂最小避让距离之内建造房屋和构筑物较难幸免灾祸;我国也没有在危险地段和发震断裂的最小避让距离内建造高层民用建筑的工程实践经验和相应的研究成果,本规程也没有专门条款。发震断裂的最小避让距离应符合现行国家标准《建筑抗震设计规范》GB50011的有关规定。 |
| 1.0.4 抗震设计的高层民用建筑钢结构,当其房屋高度、规则性、结构类型等超过本规程的规定或抗震设防标准等有特殊要求时,可采用结构抗震性能化设计方法进行补充分析和论证。 |
| 【条文说明】 高层民用建筑采用抗震性能设计已是一种趋势。正确应用性能设计方法将有利于判断高层民用建筑钢结构的抗震性能,有针对性地加强结构的关键部位和薄弱部位,为发展安全、适用、经济的结构方案提供创造性的空间。本条提出了对有特殊要求的高层民用建筑钢结构可采用抗震性能设计方法进行分析和论证,具体的抗震性能设计方法见本规程第3.8节。 |
2.修改、补充了选材要求、高性能钢材GJ钢、低合金高强度结构钢和高强度螺栓的材料设计指标




3. 调整补充了房屋适用的最大高度;增加了7度(0.15g)、8度(0.30g)抗震设防区房屋最大适用高度的规定
3.2.2 非抗震设计和抗震设防烈度为6度至9度的乙类和丙类高层民用建筑钢结构适用的最大高度应符合表3.2.2的规定。

4. 修改了风荷载标准值作用下的层间位移角限值的规定,增加了风振舒适度计算时结构阻尼比取值及楼盖竖向振动舒适度要求。
5. 修改了风荷载标准值作用下的层间位移角限值的规定,增加了风振舒适度计算时结构阻尼比取值及楼盖竖向振动舒适度要求
3.5.5 房屋高度不小于150m的高层民用建筑钢结构应满足风振舒适度要求。在现行国家标准《建筑结构荷载规范》GB50009规定的10年一遇的风荷载标准值作用下,结构顶点的顺风向和横风向振动最大加速度计算值不应大于表3.5.5的限值。结构顶点的顺风向和横风向振动最大加速度,可按现行国家标准《建筑结构荷载规范》GB50009的有关规定计算,也可通过风洞试验结果判断确定。计算时钢结构阻尼比宜取0.01~0.015。

3.5.7 楼盖结构应具有适宜的舒适度。楼盖结构的竖向振动频率不宜小于3Hz,竖向振动加速度峰值不应大于表3.5.7的限值。楼盖结构竖向振动加速度可按现行行业标准《高层建筑混凝土结构技术规程》JGJ3的有关规定计算。
【条文说明】 本条主要针对大跨度楼盖结构。楼盖结构舒适度控制已成为钢结构设计的重要工作内容。
对于钢-混凝土组合楼盖结构,一般情况下,楼盖结构竖向频率不宜小于3HZ。以保证结构具有适宜的舒适度,避免跳跃时周围人群的不舒适。一般住宅、办公、商业建筑楼盖结构的竖向频率小于3Hz时,需验算竖向振动加速度。
6. 增加了抗震等级的规定
3.7.3 抗震设计时,高层民用建筑钢结构应根据抗震设防分类、烈度和房屋高度采用不同的抗震等级,并应符合相应的计算和构造措施要求。丙类建筑的抗震等级应按现行国家标准《建筑抗震设计规范》GB50011的有关规定确定。对甲类建筑和房屋高度超过50m,抗震设防烈度9度时的乙类建筑应采取更有效的抗震措施。
7.风荷载比较敏感的高层民用建筑钢结构承载力设计时,风荷载按基本风压的1.1倍采用,扩大了考虑竖向地震作用的计算范围和设计要求;
| 5.2.4 基本风压应按现行国家标准《建筑结构荷载规范》GB50009的规定采用。对风荷载比较敏感的高层民用建筑,承载力设计时应按基本风压的1.1倍采用。 |
【条文说明】 按照现行国家标准《建筑结构荷载规范》GB50009的规定,对风荷载比较敏感的高层民用建筑,其基本风压适当提高。因此,本条明确了承载力设计时,应按基本风压的1.1倍采用。 对风荷载是否敏感,主要与高层民用建筑的体型、结构体系和自振特性有关,目前尚无实用的划分标准。一般情况下高度大于60m的高层民用建筑,承载力设计时风荷载计算可按基本风压的1.1倍采用;对于房屋高度不超过60m的高层民用建筑,风荷载取值是否提高,可由设计人员根据实际情况确定。 本条的规定,对设计使用年限为50年和100年的高层民用建筑钢结构都是适用的。 |
5.3.1高层民用建筑钢结构的地震作用计算除应符合现行国家标准《建筑抗震设计规范》GB50011的有关规定外,尚应符合下列规定: 1.扭转特别不规则的结构,应计入双向水平地震作用下的扭转影响;其它情况,应计算单向水平地震作用下的扭转影响; 2.9度抗震设计时应计算竖向地震作用; 3.高层民用建筑中的大跨度、长悬臂结构,7度(0.15g)、8度抗震设计时应计入竖向地震作用。 |
【条文说明】大跨度指跨度大于24m的楼盖结构、跨度大于12m的转换结构,悬挑长度大于5m的悬挑结构。大跨度、长悬臂结构应验算自身及其支承部位结构的竖向地震效应。大跨度、长悬臂结构7度(0.15g)时也应计入竖向地震作用的影响。主要原因是:高层民用建筑由于高度较高,竖向地震作用效应放大比较明显。 |
8.修改了多遇地震作用下钢结构的阻尼比,对不同高度范围采用不同值。
5.4.6 高层民用建筑钢结构抗震计算时的阻尼比取值宜符合下列规定: 1.多遇地震下的计算:高度不大于50m可取0.04;高度大于50m且小于200m可取0.03;高度不小于200m时宜取0.02; 2.当偏心支撑框架部分承担的地震倾覆力矩大于地震总倾覆力矩的50%时,多遇地震下的阻尼比可比本条1款相应增加0.005; 3.在罕遇地震作用下的弹塑性分析,阻尼比可取0.05。 |
| 【条文说明】 本条引用现行国家标准《建筑抗震设计规范》GB50011的规定。采用该阻尼比后,地震影响系数均应按本规程第5.3.5条、第5.3.6条的规定计算。 |
9.增加了刚重比的有关规定
6.1.7 高层民用建筑钢结构的整体稳定性应符合下列规定:
1.框架结构应满足下式要求:

(6.1.7-1)
2.框架—支撑结构、框架—延性墙板结构、筒体结构和巨型框架结构应满足下式要求:

(6.1.7-2)
10.修改了节点域变形对框架层间位移影响的计算方法
6.2.5 梁柱刚性连接的钢框架计入节点域剪切变形对侧移的影响时,可将节点域作为一个单独的剪切单元进行结构整体分析,也可按下列规定作近似计算:
1.对于箱形截面柱框架,可按结构轴线尺寸进行分析,但应将节点域作为刚域,梁柱刚域的总长度,可取柱截面宽度和梁截面高度的一半两者的较小值。
2.对于H形截面柱框架,可按结构轴线尺寸进行分析,不考虑刚域。
3.当结构弹性分析模型不能计算节点域的剪切变形时,可将框架分析得到的楼层最大层间位移角与该楼层柱下端的节点域在梁端弯矩标准值作用下的剪切变形角平均值相加,得到计入节点域剪切变形影响的楼层最大层间位移角。任一楼层节点域在梁端弯矩标准值作用下的剪切变形角平均值可按下式计算:
11.修改、补充了框架柱计算长度的设计规定
7.3.2 框架柱的稳定计算应符合下列规定:
1.结构内力分析可采用一阶线弹性分析或二阶线弹性分析。当二阶效应系数大于0.1时,宜采用二阶线弹性分析。二阶效应系数不应大于0.2。框架结构的二阶效应系数应按下式确定:

(7.3.2-1)
【条文说明】高层民用建筑钢结构,根据抗侧力构件在水平力作用下变形的形态,可分为剪切型(框架结构)、弯曲形(例如高跨比6以上的支撑架)和弯剪型;式(7.3.2-1)只适用于剪切型结构,弯剪型和弯曲型计算公式复杂,采用计算机分析更加方便。
2.当采用二阶线弹性分析时,应在各楼层的楼盖处加上假想水平力,此时框架柱的计算长度系数取1.0。
1) 假想水平力Hni应按下式确定:

(7.3.2-2)
2) 内力采用放大系数法近似考虑二阶效应时,允许采用叠加原理进行内力组合。放大系数的计算应采用下列荷载组合下的重力:

(7.3.2-3)
【条文说明】二阶分析法叠加原理严格说来是不适用的,荷载必须先组合才能够进行分析,且工况较多。但考虑到实际工程的二阶效应不大,可近似采用叠加原理。这里规定了对二阶效应采用线性组合时,内力应乘以放大系数,其数值取自式(7.3.2-3)规定的重力荷载组合产生的二阶效应系数。对侧移对应的弯矩进行反施,这个放大系数也应施加于侧移对应的支撑架柱子的轴力上。
3.当采用一阶线弹性分析时,框架结构柱的计算长度系数应符合下列规定:
1) 框架柱的计算长度系数可以按下式确定:

(7.3.2-4)
2) 对底层框架柱:当柱下端铰接且具有明确转动可能时,K2=0 ;柱下端采用平板式铰支座时,K2=0.1 ;柱下端刚接时, K2=10。
3)当与柱刚接的横梁承受的轴力很大时,横梁线刚度应乘以按下列公式计算的折减系数。
当横梁远端与柱刚接时
(7.3.2-5)
当横梁远端铰接时

(7.3.2-6)
当横梁远端嵌固时
(7.3.2-7)
(7.3.2-8)
4)框架结构当设有摇摆柱时,由式(7.3.2-4)计算得到的计算长度系数应乘以按下式计算的放大系数,摇摆柱本身的计算长度系数可取1.0。

(7.3.2-9)
【条文说明】当一个结构中存在只承受竖向荷载,不参与抵抗水平力的柱子时,其余柱子的计算长度系数就应按照式(7.3.2-9)放大。这个放大,不仅包括框架柱,也适用于构成支撑架一部分的柱子的计算长度系数。
4.支撑框架采用线性分析设计时,框架柱的计算长度系数应符合下列规定:
1)当不考虑支撑对框架稳定的支承作用,框架柱的计算长度按式(7.3.2-4)计算;
2)当框架柱的计算长度系数取1.0,或取无侧移失稳对应的计算长度系数时,应保证支撑能对框架的侧向稳定提供支承作用,支撑构件的应力比 应满足下式要求。

(7.3.2-10)
5.当框架按无侧移失稳模式设计时,应符合下列规定:
1)框架柱的计算长度系数可按下式确定:

(7.3.2-11)
2) 对底层框架柱:当柱下端铰接且具有明确转动可能时,K2=0 ;柱下端采用平板式铰支座时,K2=0.1 ;柱下端刚接时, K2=10。
3) 当与柱刚接的横梁承受的轴力很大时,横梁线刚度应乘以折减系数。当横梁远端与柱刚接和横梁远端铰接时,折减系数应按本规程式(7.3.2-6)计算:当横梁远端嵌固时,折减系数应按本规程式(7.3.2-7)计算。
12. 增加了梁端采用加强型连接或骨式连接时强柱弱梁的计算规定
7.3.3 钢框架柱的抗震承载力验算,应符合下列规定:
3 梁端加强型连接或骨式连接的端部变截面梁与柱连接时:

(7.3.3-2)
Mv ——梁塑性铰剪力对梁端产生的附加弯矩(N·mm),
;
Vpb——梁塑性铰剪力(N);
X ——塑性铰至柱面的距离(mm),塑性铰可取梁端部变截面翼缘的最小处。骨式连接取(0.5~0.75)bf+(0.30~0.45)hb,bf 和hb 分别为梁翼缘宽度和梁截面高度。梁端加强型连接可取加强板的长度加四分之一梁高。如有试验依据时,也可按试验取值。
13. 增加了圆管截面柱和十字形截面柱的节点域有效体积的计算公式
7.3.6 节点域的有效体积可按下列公式确定:
工字形截面柱(绕强轴)
(7.3.6-1)
工字形截面柱(绕弱轴)
(7.3.6-2)
箱形截面柱
(7.3.6-3)
圆管截面柱
(7.3.6-4)
十字形截面柱

(7.3.6-5)

14. 修改了框架柱、中心支撑长细比的限值规定

【条文说明】 框架柱的长细比关系到钢结构的整体稳定。研究表明,钢结构高度加大时,轴力加大,竖向地震对框架柱的影响很大。本条规定比现行国家标准《建筑抗震设计规范》GB50011的规定严格。
【条文说明】 国内外的研究均表明,支撑杆件的低周疲劳寿命与其长细比成正相关,而与其板件的宽厚比成负相关。为了防止支撑过早断裂,适当放松对按压杆设计的支撑杆件长细比的控制是合理的。欧洲EC8对相当于Q235钢制成的支撑长细比的限值为190左右;美国ANSI/AISC341-10规定:对普通中心支撑框架(OCBF)相当于Q235钢支撑长细比的限值为120,而对于延性中心支撑框架(SCBF),不管何钢种的支撑长细比限值均为200。考虑到本规程没有“普通”和“延性”之分,因此作出了“杆件的长细比不应大于120”的规定。
15.修改了框架柱的板件宽厚比限值规定
7.4.1 钢框架梁、柱板件宽厚比限值,应符合表7.4.1的规定。

16. 修改了人字支撑、V型支撑和偏心支撑构件的内力调整系数
7.5.6 人字形和V形支撑框架应符合下列规定:
2 在确定支撑跨的横梁截面时,不应考虑支撑在跨中的支承作用。横梁除应承受大小等于重力荷载代表值的竖向荷载外,尚应承受跨中节点处两根支撑斜杆分别受拉屈服、受压屈曲所引起的不平衡竖向分力和水平分力的作用。在该不平衡力中,支撑的受压屈曲承载力和受拉屈服承载力应分别按
及
计算。为了减小竖向不平衡力引起的梁截面过大,可采用跨层X型支撑(图 7.5.6a)或采用拉链柱(图 7.5.6b)。
7.6.5 有地震作用组合时,偏心支撑框架中除消能梁段外的构件内力设计值应按下列规定调整:
支撑的轴力设计值

(7.6.5-1)
2.位于消能梁段同一跨的框架梁的弯矩设计值

(7.6.5-2)
3.柱的弯矩、轴力设计值

(7.6.5-3)

(7.6.5-4)
17.增加了采用电渣焊时箱形柱壁板厚度不应小于16mm的规定
8.3.1 框架梁与柱的连接宜采用柱贯通型。在互相垂直的两个方向都与梁刚性连接时,宜采用箱形柱。箱形柱壁板厚度小于16mm时,不宜采用电渣焊焊接隔板。 |
【条文说明】 采用电渣焊时箱形柱壁板最小厚度取16mm是经专家论证的,更薄时将难以保证焊件质量。当箱形柱壁板小于该值时,可改用H形柱、冷成型柱或其它形式柱截面。 |
18. 修改了钢框架抗震设计的连接系数规定,不再作为承载力抗震调整系数列入,改为全部在承载力连接系数中表达
8.1.3 钢框架抗侧力结构构件的连接系数α应按表8.1.3的规定采用。


19.修改了梁柱刚性连接的计算方法和设计规定
8.2.1 梁与柱的刚性连接应按下列公式验算:

(8.2.1-1)

(8.2.1-2)
【条文说明】 梁截面通常由弯矩控制,故梁的极限受剪承载力取与极限受弯承载力对应的剪力加竖向荷载产生的剪力。
20.修改了梁柱刚性连接的计算方法和设计规定
8.2.2 梁与柱连接的受弯承载力应按下列公式计算:

(8.2.2-1)
梁与H形柱(绕强轴)连接时

(8.2.2-2)
梁与箱形柱或圆管柱连接时

(8.2.2-3)
8.2.3 梁腹板的有效受弯高度 应按下列公式计算(图8.2.3)
H形柱(绕强轴)

(8.2.3-1)

箱形柱时

(8.2.3-2)
圆管柱时

(8.2.3-3)
8.2.4 抗震设计时,梁与柱连接的极限受弯承载力应按下列规定计算(图8.2.4):

图 8.2.4 梁柱连接
1.梁端连接的极限受弯承载力

(8.2.4-1)
2.梁翼缘连接的极限受弯承载力

(8.2.4-2)
3.梁腹板连接的极限受弯承载力

(8.2.4-3)

(8.2.4-4)
4 梁腹板连接的受弯承载力系数应按下列公式计算:
H形柱(绕强轴)

(8.2.4-5)
箱形柱

(8.2.4-6)
圆管柱

(8.2.4-7)
8.2.5 梁腹板与H形柱(绕强轴)、箱形柱或圆管柱的连接,应符合下列规定:
1.连接板应采用与梁腹板相同强度等级的钢材制作,其厚度应比梁腹板大2mm。连接板与柱的焊接,应采用双面角焊缝,在强震区焊缝端部应围焊,对焊缝的厚度要求与梁腹板与柱的焊缝要求相同。
2.采用高强度螺栓连接时(图 8.2.5-1),承受弯矩区和承受剪力区的螺栓数应分别按弯矩在受弯区引起的水平力和剪力作用在受剪区(图 8.2.5-2)分别进行计算,计算时应考虑连接的不同破坏模式取较小值。
对承受弯矩区:

(8.2.5-1)
对承受剪力区:

(8.2.5-2)


3.腹板与柱焊接时(图 8.2.5-3),应设置定位螺栓。腹板承受弯矩区内应验算弯应力与剪应力组合的复合应力,承受剪力可仅按所分担的剪力进行受剪承载力验算。

21. 增加了梁与柱现场焊接时,过焊孔的形式,提出了剪力板与柱的连接焊缝要求;增加了梁腹板与柱连接板采用焊接的有关内容
8.3.3 当梁与柱在现场焊接时,梁与柱连接的过焊孔,可采用常规型(图 8.3.3-1)和改进型(图 8.3.3-2)两种形式。采用改进型时,梁翼缘与柱的连接焊缝应采用气体保护焊。
梁翼缘与柱翼缘间应采用全熔透坡口焊缝,抗震等级一、二级时,应检验焊缝的V型切口冲击韧性,其夏比冲击韧性在-20℃时不低于27J。


22.增加了加强型的梁柱连接形式和骨式连接形式
8.3.4 梁与柱的加强型连接或骨式连接包含下列形式,有依据时也可采用其它形式。
1.梁翼缘扩翼式连接

2.梁翼缘局部加宽式连接

3.梁翼缘盖板式连接

4.梁翼缘板式连接

5.梁骨式连接,切割面应采用铣刀加工

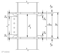
23.修改了节点域局部加厚的构造要求
8.3.8 当节点域厚度不满足本规程第7.3.5条~第7.3.8条要求时,对焊接组合柱宜将腹板在节点域局部加厚(图 8.3.8-1),腹板加厚的范围应伸出梁上下翼缘外不小于150mm;对轧制H形钢柱可贴焊补强板加强(图 8.3.8-2)。

24.修改了钢柱脚的计算方法和设计规定
8.6.1 钢柱柱脚包括外露式柱脚、外包式柱脚和埋入式柱脚三类(图8.6.1-1)。抗震设计时,宜优先采用埋入式;外包式柱脚可在有地下室的高层民用建筑中采用。各类柱脚均应进行受压、受弯、受剪承载力计算,其轴力、弯矩、剪力的设计值取钢柱底部的相应设计值。各类柱脚构造应分别符合下列规定:
钢柱外露式柱脚应通过底板锚栓固定于混凝土基础上(图8.6.1-1a),高层民用建筑的钢柱应采用刚接柱脚。三级及以上抗震等级时,锚栓截面面积不宜小于钢柱下端截面积的20%。

2.钢柱外包式柱脚由钢柱脚和外包混凝土组成,位于混凝土基础顶面以上(图8.6.1-1b),钢柱脚与基础的连接应采用抗弯连接。外包混凝土的高度不应小于钢柱截面高度的2.5倍,且从柱脚底板到外包层顶部箍筋的距离与外包混凝土宽度之比不应小于1.0。外包层内纵向受力钢筋在基础内的锚固长度(la,laE)应根据现行国家标准《混凝土结构设计规范》GB 50010的有关规定确定,且四角主筋的上、下都应加弯钩,弯钩投影长度不应小于15d;外包层中应配置箍筋,箍筋的直径、间距和配箍率应符合现行国家标准《混凝土结构设计规范》GB50010中钢筋混凝土柱的要求;外包层顶部箍筋应加密且不应少于3道,其间距不应大于50mm。外包部分的钢柱翼缘表面宜设置栓钉。
3.钢柱埋入式柱脚是将柱脚埋入混凝土基础内(图8.6.1-1c),H形截面柱的埋置深度不应小于钢柱截面高度的2倍,箱形柱的埋置深度不应小于柱截面长边的2.5倍,圆管柱的埋置深度不应小于柱外径的3倍;钢柱脚底板应设置锚栓与下部混凝土连接。钢柱埋入部分的侧边混凝土保护层厚度要求(图8.6.1-2a):C1不得小于钢柱受弯方向截面高度的一半,且不小于250mm,C2不得小于钢柱受弯方向截面高度的2/3,且不小于400mm。
钢柱埋入部分的四角应设置竖向钢筋,四周应配置箍筋,箍筋直径不应小于10mm,其间距不大于250mm;在边柱和角柱柱脚中,埋入部分的顶部和底部尚应设置U形钢筋(图8.6.1-2b),U形钢筋的开口应向内;U形钢筋的锚固长度应从钢柱内侧算起,锚固长度(la,laE)应根据现行国家标准《混凝土结构设计规范》GB50010的有关规定确定。埋入部分的柱表面宜设置栓钉。
在混凝土基础顶部,钢柱应设置水平加劲肋。当箱形柱壁板宽厚比大于30时,应在埋入部分的顶部设置隔板;也可在箱形柱的埋入部分填充混凝土,当混凝土填充至基础顶部以上1倍箱形截面高度时,埋入部分的顶部可不设隔板。

4.钢柱柱脚的底板均应布置锚栓按抗弯连接设计(图8.6.1-3),锚栓埋入长度不应小于其直径的25倍,锚栓底部应设锚板或弯钩,锚板厚度宜大于1.3倍锚栓直径。应保证锚栓四周及底部的混凝土有足够厚度,避免基础冲切破坏;锚栓应按混凝土基础要求设置保护层。

5.埋入式柱脚不宜采用冷成型箱形柱。
8.6.2 外露式柱脚的设计应符合下列规定:
钢柱轴力由底板直接传至混凝土基础,按现行国家标准《混凝土结构设计规范》GB50010验算柱脚底板下混凝土的局部承压,承压面积为底板面积。
2.在轴力和弯矩作用下计算所需锚栓面积,应按下式验算:

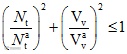
(8.6.2-1)
3.抗震设计时,在柱与柱脚连接处,柱可能出现塑性铰的柱脚极限受弯承载力应大于钢柱的全塑性抗弯承载力,应按下式验算:

(8.6.2-2)
4.钢柱底部的剪力可由底板与混凝土之间的摩擦力传递,摩擦系数取0.4;当剪力大于底板下的摩擦力时,应设置抗剪键,由抗剪键承受全部剪力;也可由锚栓抵抗全部剪力,此时底板上的锚栓孔直径不应大于锚栓直径加5mm,且锚栓垫片下应设置盖板,盖板与柱底板焊接,并计算焊缝的抗剪强度。当锚栓同时受拉、受剪时,单根锚栓的承载力应按下式计算:

(8.6.2-3)
8.6.3 外包式柱脚的设计应符合下列规定:
1.柱脚轴向压力由钢柱底板直接传给基础,按现行国家标准《混凝土结构设计规范》GB50010验算柱脚底板下混凝土的局部承压,承压面积为底板面积。
2.弯矩和剪力由外包层混凝土和钢柱脚共同承担,按外包层的有效面积计算(图8.6.3-1)。柱脚的受弯承载力应按下式验算:

(8.6.3-1)

3. 抗震设计时,在外包混凝土顶部箍筋处,柱可能出现塑性铰的柱脚极限受弯承载力应大于钢柱的全塑性受弯承载力(图8.6.3-2)。柱脚的极限受弯承载力应按下列公式验算:

(8.6.3-2)

(8.6.3-3)

(8.6.3-4)

(8.6.3-5)

4 外包层混凝土截面的受剪承载力应符合下列规定:

(8.6.3-6)
抗震设计时尚应满足下列公式规定:

(8.6.3-7)

(8.6.3-8)
8.6.4 埋入式柱脚的设计应符合下列规定:
1.柱脚轴向压力由柱脚底板直接传给基础,应按现行国家标准《混凝土结构设计规范》GB50010验算柱脚底板下混凝土的局部承压,承压面积为底板面积。
2.抗震设计时,在基础顶面处柱可能出现塑性铰的柱脚应按埋入部分钢柱侧向应力分布(图8.6.4-1)验算在轴力和弯矩作用下基础混凝土的侧向抗弯极限承载力。埋入式柱脚的极限受弯承载力不应小于钢柱全塑性抗弯承载力;与极限受弯承载力对应的剪力不应大于钢柱的全塑性抗剪承载力,应按下列公式验算:

(8.6.4-1)
(8.6.4-2)

(8.6.4-3)

3.采用箱形柱和圆管柱时埋入式柱脚的构造应符合下列要规定:
1)截面宽厚比或径厚比较大的箱形柱和圆管柱,其埋入部分应采取措施防止在混凝土侧压力下被压坏。常用方法是填充混凝土(图8.6.4-2b);或在基础上端附近设置内隔板或外隔板(图8.6.4-2c,d)。
2)隔板的厚度应按计算确定,外隔板的外伸长度不应小于柱边长(或管径)的1/10。对于有抗拔要求的埋入式柱脚,可在埋入部分设置栓钉(图8.6.4-2a)。

4.抗震设计时,在基础顶面处钢柱可能出现塑性铰的边(角)柱的柱脚埋入混凝土基础部分的上、下部位均需布置U形钢筋加强,可按下列公式验算U形钢筋数量:
1)当柱脚受到由内向外作用的剪力时(图8.6.4-3a):

(8.6.4-4)
2)当柱脚受到由外向内作用的剪力时(图8.6.4-3b):

(8.6.4-5)

25. 增加和修订了中心支撑、偏心支撑与框架连接的相关要求
8.7.1 中心支撑与框架连接和支撑拼接的设计承载力应满足下式要求:
1.抗震设计时,支撑在框架连接处和拼接处的手拉承载力应满足下式要求:

(8.7.1)
式中:Njubr——支撑连接的极限受拉承载力(N);
——连接系数,按本规程表8.1.3的规定采用;
Abr——支撑斜杆的截面面积(mm2);
fy——支撑斜杆钢材的屈服强度(N/ mm2)。
2. 中心支撑的重心线应通过梁与柱轴线的交点,当受条件限制有不大于支撑杆件宽度的偏心时,节点设计应计入偏心造成的附加弯矩的影响。
【条文说明】为了安装方便,有时将支撑两端在工厂与框架构件焊接在一起,支撑中部设工地拼接,此时拼接应按式(8.7.1)计算。

8.7.3 中心支撑与梁柱连接处的构造应符合下列规定:
1.柱和梁在与H形界面支撑翼缘的连接处,应设置加劲肋。加劲肋应按承受支撑翼缘分担的轴心力对柱或梁的水平或竖向分力计算。H形截面支撑翼缘与箱形柱连接时,在柱壁板的相应位置应设置隔板(图8.7.2)。H形截面支撑翼缘端部与框架构件连接处,宜做成圆弧。支撑通过节点板连接时,节点板边缘与支撑轴线的夹角不应小于30°。
2.抗震设计时,支撑宜采用H形钢制作,在构造上两端应刚接。当采用焊接组合截面时,其翼缘的腹板应采用坡口全熔透焊缝连接。
3.当支撑杆件为填板连接的组合截面时,可采用节点板进行连接(图 8.7.3)。为保证制成两端的节点板不发生出平面失稳,在支撑端部与节点板约束点连线之间应留有2倍节点板厚的间隙。节点板约束点连线应与支撑杆轴线垂直,以免支撑受扭。

26. 偏心支撑和消能梁段的构造要求
8.8.1 消能梁段及与消能梁段同一跨内的非消能梁段,其板件的宽厚比不应大于表8.8.1规定的限值。

【条文说明】构件宽厚比参照AISC的规定作了适当调整。当梁上翼缘与楼板固定但不能表明其下翼缘侧向固定时,仍需设置侧向支撑。
8.8.2 偏心支撑框架的支撑杆件的长细比不应大于
,支撑杆件的板件宽厚比不应大于现行国家标准《钢结构设计规范》GB 50017规定的轴心受压构件在弹性设计时的宽厚比限值。
8.8.5消能梁段的腹板应按下列规定设置加劲肋(图 8.8.5):
1.消能梁段与支撑连接处,应在其腹板两侧设置加劲肋,加劲肋的高度应为梁腹板高度,一侧的加劲肋宽度不应小于(bf/2-tw),厚度不应小于0.75tw和10㎜的较大值;
2.当a≤1.6Mlp/Vl时,中间加劲肋间距不应大于(30tw-h/5);
3.当2.6Mlp/Vl<a≤5Mlp/Vl时,应在距消能梁段端部1.5bf处设置中间加劲肋,且中间加劲肋间距不应大于(52tw-h/5);
4.当1.6Mlp/Vl<a≤2.6Mlp/Vl 时,中间加劲肋的间距可取本条2、3两款间的线性插入值;
5.当a>5Mlp/Vl 时,可不设置中间加劲肋。
6.中间加劲肋应与消能梁段的腹板等高,当消能梁段截面的腹板高度不大于640㎜时,可设置单侧加劲肋;消能梁段截面腹板高度大于640㎜时,应在两侧设置加劲肋,一侧加劲肋的宽度不应小于(bf/2-tw),厚度不应小于tw和10㎜的较大值;
7.加劲肋与消能梁段的腹板和翼缘之间可采用角焊缝连接,连接腹板的角焊缝的受拉承载力不应小于fAst,连接翼缘的角焊缝的受拉承载力不应小于fAst /4,Ast 为加劲肋的横截面面积。

8.8.7 支撑与消能梁段的连接应符合下列规定: 1. 支撑轴线与梁轴线的交点,不得在消能梁段外; 2. 抗震设计时,支撑与消能梁段连接的承载力不得小于支撑的承载力,当支撑端有弯矩时,支撑与梁连接的承载力应按抗压弯设计。 |
| 【条文说明】 偏心支撑的斜杆轴线与梁轴线的交点,一般在消能梁段的端部,也允许在消能梁段内,此时将产生与消能梁段端部弯矩方向相反的附加弯矩,从而减少消能梁段和支撑杆的弯矩,对抗震有利;但交点不应在消能梁段以外,因此时将增大支撑和消能梁段的弯矩,于抗震不利。 |
8.8.8 消能梁段与支撑连接处,其上、下翼缘应设置侧向支撑,支撑的轴力设计值不应小于消能梁段翼缘轴向极限承载力的6%,即0.06fybftf。fy 为消能梁段钢材的屈服强度, bf 、tf 分别为消能梁段翼缘的宽度和厚度。 |
【条文说明】消能梁段梁段设置翼缘的侧向隅撑,是为了承受平面外扭转作用。 |
8.8.9 与消能梁段同一跨框架梁的稳定不满足要求时,梁的上、下翼缘应设置侧向支撑,支撑的轴力设计值不应小于梁翼缘轴向承载力设计值的2%,即0.02fbftf。f 为框架梁钢材的抗拉强度设计值,bf 、tf 分别为框架梁翼缘的宽度和厚度 |
【条文说明】与消能梁段处于同一跨内的框架梁,同样承受轴力和弯矩,为保持其稳定,也需设置翼缘的侧向隅撑。 |
27.增加了构件预拼装的有关内容
9.11.1 制作单位应对合同要求或设计文件规定的构件进行预拼装。 9.11.2 钢构件预拼装有实体预拼装和计算机辅助模拟预拼装方法。 9.11.4 当采用计算机辅助模拟预拼装的偏差超过现行国家标准《钢结构工程施工质量验收规范》GB 50205 的有关规定时,应进行实体预拼装。 |
【条文说明】 对于连接复杂的构件及受运输条件和吊装条件限制,设计规定或者合同要求的构件在出厂前应进行预拼装。有关预拼装方法和验收标准应符合现行国家标准《钢结构工程施工质量验收规范》GB 50205和《钢结构工程施工规范》GB 50755的规定。 |
28. 增加了防火涂装操作环境的要求
10.10.3 涂装时环境温度、湿度应符合涂料产品说明书的要求,当产品说明书无要求时,温度应为5~38℃,湿度不应大于85% |
【条文说明】 本条规定涂装时温度以5℃~38℃为宜,该规定只适合室内无阳光直接照射的情况,一般来说钢材表面温度比气温高2℃~3℃。如果在阳光直接照射下,钢材表面温度比气温高8℃~12℃,涂装时漆膜耐热性只能在40℃以下,当超过43℃时,漆膜容易产生气泡而局部鼓起,降低附着力。低于0℃时,漆膜容易冻结而不易固化。湿度超过85%时,钢材表面有露点凝结,漆膜附着力差。 |
29. 增加了钢板剪力墙相关构件安装次序的要求。
10.6.10 钢板剪力墙单元应随柱梁等构件从下到上依次安装。吊装及运输时应采取措施防止平面外变形;钢板剪力墙与柱和梁的连接次序应满足设计要求。当设计无要求时,宜与柱梁等构件同步连接。 |
【条文说明】 钢板剪力墙在国内应用相对较少。在形式上又有纯钢板剪力墙和组合式钢板剪力墙,构造形式有加肋和不加肋之分,连接节点又分为高强度螺栓连接和焊接连接,差异性较大。共同特点是单元尺寸大,平面外刚度差,本条仅对钢板剪力墙施工提出原则性要求。 |
创新前沿 | 孙英:中国百年住宅的新型建造模式•新型供给模式,引领社会与资源环境可持续建设转型发展
装配式建筑三大技术标准6月起正式实施,主编单位专家深度解读汇总
装配式建筑标准规范的“四五六”特色 | 《装配式混凝土建筑技术标准》和《装配式钢结构建筑技术标准》编制解读
国内首个国际水准的装配式内装公建项目 | 标准院国际会议中心新型公建内装体系及集成技术
刘东卫︱新型装配式住宅体系︱装配式主体(S/支撑体)+装配式内装(I/填充体)
北京青棠湾公租房项目创新引领装配式建筑的建设发展 | 全国各省市领导专家参观北京青棠湾公租房项目


