
传统方案光伏组串在太阳光照下会持续带电,难以关断。在发生火灾时,消防员有触电风险,无法有效灭火甚至造成生命危险。采用快速关断技术,提高光伏系统的安全防空水平势在必行,世界各国相继颁布了相关法规,快速关断功能必须加装在相应的分布式光伏发现系统当中。
快速关断器 RSD (Rapid Shutdown Device) 以及光伏优化器(MPPT)都拥有快速关断的功能。其通过自动或者手动等方式,将电压降低到一个相对安全的水平。
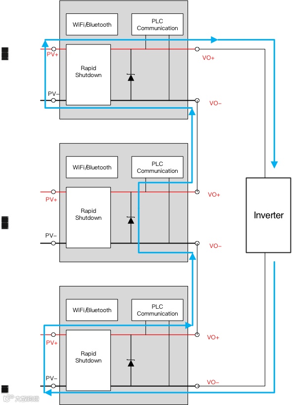
在快速关断器以及优化器中,都需要一个旁路二极管进行电流旁路,如下图所示,PV电池板实际上通过快速关断器/优化器的输出端串联,并最终流经逆变器。当任何一个太阳能电池板发生故障时,则该板串的的电压会崩溃。旁路二极管为受损的太阳能电池板串提供一条并联的电流路径。
传统的旁路二极管使用的是肖特基二极管,这种方法成本低,方便易用。但是其缺点也很明显:肖特基二极管虽然正向压降相对于普通P-N借二极管压降较低,但是在大电流下其压降也会明显升高,高功率场合难以适用。其产生的热量巨大对整个系统的散热设计极具挑战性。同时系统上还存在高级制程芯片(MCU,PLC等),这些芯片往往采用40nm以下工艺,只能忍受85℃最高温度,其寿命在高温下急剧降低。肖特基二极管在高温下耐压时漏电及其严重,其自身可靠性也会急剧降低。
为克服这种系统难题,一种利用能量回收技术的自主控制理想二极管应用而生。
芯朋AP1790系列的理想二极管控制器通过控制外部MOSFET来模仿肖特基二极管。匹配合适的N型功率MOSFET,其正向压降远低于肖特基二极管。能量回收电路在MOSFET体二极管导通时运行,并且当电池板串恢复正常时,其能正常耐压。并且在高温高压下,控制器以及MOSFET几乎“零漏电”。
下图为理想二极管控制器组成部分:
免费申请试用
扫描二维码,可免费申请泰克理想二极管测试以及相关应用设备。
工作示意图如下:
从t0到t1
当系统电流流过芯片时,芯片内部的MOSFET体二极管开始工作,并在芯片两端产生正向压降VF,能量回收电路(电荷泵)从这个VF中开始开始收集能量,并把能量存储于外部电容之中。
从t0到t1
电荷泵充电完成,提升的电压水平足以驱动MOSFET,驱动开始工作,MOSFET开启,电荷泵关断充电。
t1到t2
此时MOSFET正常工作,系统电流回路此时为一个低阻抗回路,不流经MOSFET体二极管。芯片两端压降取决于MOSFET内阻以及电流。
t2
由于MOSFET持续工作,驱动电压逐渐下降至阈值。此时芯片切断MOSFET驱动,电流全部流向体二极管,芯片两端产生正向压降VF, 电荷泵开始工作。这个过程开始循坏。
泰克科技如何协助AP1790
提高光伏快速关断器/优化器寿命
测试框图
在测试中我们并未选用传统的电源产品来作为电流输出,这是因为传统的电源的CC(恒流)模式是属于被动模式,比如我要产生一个20A的恒流输出,就需要设置限制电流为20A,输出电压就不能随便设置了,需要根据被测物的负载来进行计算,比如DUT的阻值为1Ω,那就意味边界电压为20A*1Ω=20V,如果想要电源处于恒压模式,则只需设置电压大于20V,如果想要电源处于恒流模式,那么就需要设置电压小于20V,但是在理想二极管的测试中,由于二极管的工作状态的切换会导致内阻的极大变化,这就会导致电源内部响应判断不及时,从而会出现内阻切换时的输出电流不稳定,如下图所示:
这就会造成工程师对抖动产生误判,而泰克的2651A作为大电流源表就完全没有这个担心,因为他电流源模式为主动电流源模式、不受外部负载影响,所以在负载变化时电流可以保持恒定不变。如下图所示:
接下来我们看看AP1790利用2651A和MSO54B进行的性能展示。
低温升
温升测试中,我们利用2651A提供稳定的20A直流对被测器件进行加热,我们可以看到AP1790搭配外置MOSFET,其最高温度仅为72.8℃。而被动方案(两颗15150肖特基二极管并联),其温升超过150℃。
AP1790搭配MOSFET 最高温度:72.8℃
2x SBD并联 最高温度153℃
温升较好来自于AP1790的充电电流大,其typical充电电流为70uA@0.55V,较高的充电电流带来了高的占空比,MOSFET的工作时间长,体二极管工作的时间短。如下图,其占空比高于国外竞品。
Cushion Start (热短路保护)
在控制器启动时,其需要长时间充电,直至存储电荷的外部电容电压达到开启阈值。当电流过大时,其热量积累时间长,MOSFET的可靠性有可能降低。(例如开机时电流30A,体二极管压降为1.2V,其功率高达36W!)
AP1790在启动时,先冲到5V,再进行阈值变化,分级启动,最后到达7.3V,大幅度降低开机热量。从而防止芯片过热,其开机热量积累仅为竞品的40%。
AP1790开机热量积累时间大幅度优于国外竞品
高驱动电压
100V的高压MOSFET,其开启阈值较高。当驱动电压较低时,其内阻RdsON变化较大,MOSFET工作不稳定,有可靠性风险 ,同时想要观察Rdson的变化就需要通过观察导通电压的变化,而由于MOSFET 的关断电压和导通电压存在量级上的差异所以这个时候就需要示波器和探头具有更高的动态范围和更高的垂直分辨率。所以在此我们使用了泰克12位示波器MSO54B来进行检测。
AP1790驱动电压为7.3V~6.3V,满足高压MOSFET的驱动电压要求。而市场竞争对手的驱动电压较低 (6V~5V),MOSFET的RdsON变化较大 (如下图,黄色为阳极到阴极的压降,在MOSFET工作时,压差变化大)
高耐压
功率器件的EAS能力,远超控制部分以及驱动部分,当电压过冲来临时,为可靠性考虑,我们总是希望功率器件来进行电压钳位,防止击穿。这就要求控制器以及驱动的耐压一定要高于功率器件。
AP1790最高支持到150V耐压,可轻松搭配100V~120V耐压的MOSFET。市场上的竞品最高仅支持到100V。 泰克科技的源表家族可以轻松应对器件的Bv 和漏电测试,电压从40V到3000V、电流从pA到A,均可以满足。
快速防反
AP1790支持快速防反,当阳极-阴极的电压差超过-20mV时,控制器在2uS内迅速关断拉低MOSFET的栅极,防止长时间的系统直通带来的可靠性风险。
工作稳定性高
通过全新平台四系和五系示波器内置的测量结果统计功能,我们可以对AP1790在一段工作时间内的脉冲宽度和周期进行统计分析,通过利用单次和累计抓取两种方式获得更加丰富的数据来绘制直方图,从而更加高效地完成对器件的稳定性评估工作以此来提高工程师的工作效率。
我们可以看到AP1790其在持续工作中(电流保持恒定),其占空比以及周期基本维持不变,工作稳定。
第一个plot为占空比变化,第二个plot为周期变化,第三个plot为工作波形
通过上述测试可以看到芯朋理想二极管控制器AP1790用于光伏优化器/快速关断器内,变现非常亮眼。
泰克相关测试设备推荐
|
产品型号 |
数量 |
|
2651A |
1(20A)或 2(40A) |
|
MSO54B |
1台 |
|
TCP150 |
1根 |
|
TPP1000 |
1根 |
|
钳位探头 |
1根 |
点击阅读原文,了解更多相关产品信息!
欲知更多产品和应用详情,您还可以通过如下方式联系我们:
邮箱:china.mktg@tektronix.com
网址:tek.com.cn
电话:400-820-5835(周一至周五9:00-17:00)
将您的灵感变为现实
我们提供专业的测量洞见信息,旨在帮助您提高绩效以及将各种可能性转化为现实。
泰克设计和制造能够帮助您测试和测量各种解决方案,从而突破复杂性的层层壁垒,加快您的全局创新步伐。我们携手共进,一定能够帮助各级工程师更方便、更快速、更准确地创造和实现技术进步。
扫码添加“泰克工程师小助手”
立享1对1专属服务!
点击“阅读原文”了解更多!

