数字化和电气化仍然是提高生产力和保护环境的两个关键驱动力,当前对高效能源转换的需求正在加速增长。同时地方法规和政策正在号召减少碳排放,那么相较于化石燃料,寻求替代能源日益成为获取能源数据的关键。这促使国营和私营企业大规模投资于新型半导体技术和供应链,以提高半导体功率晶体管、电源模块、电源管理集成电路 (PMIC) 和电源转换 / 逆变系统的效率。
随着低功耗、低电平电压和电流控制半导体器件和设计成熟,投资正转向更优功率表现的方向,一方面是数字化,提高为数据中心供电的效率,另一方面是电气化,提高自动驾驶电动汽车、电池管理系统和电机驱动器的功率转换效率。除数据中心和汽车应用外,投资还集中在其他可提供可观投资回报的电气化领域,包括电网储能、重型车辆等大型交通工具、铁路系统以及即将推出的城市空中交通系统等飞机电气化领域。
政策和经济的双重压力不断推动先进工业和其他高压电力电子产品向更小、更快和更高效的设计方向发展。更小、更轻设计的功率密度优势在电动汽车等空间受限以及移动应用中尤为明显,但紧凑型电力电子设备也是更广泛的理想选择,尤其是从降低系统成本的角度来看。与此同时,随着各国政府推出经济激励措施和更加严格的能效法规,能效的重要性也日益凸显。
预约实测
扫码立即免费预约泰克先进半导体开放实验室!
从发电到用电,电力电子产品都需要提高能效。在整个发电、输电和用电链条中,功率转换器在多个阶段运行,由于这些运行都不是 100% 高效的,因此每个阶段都会出现一些功率损耗。主要由于能量以热量形式损失,整体效率的降低会在整个循环过程中成倍增加。
同样,除了提高效率外,减小功率转换设备的尺寸和重量也至关重要。体积更小、重量更轻的组件通常意味着资本支出(CAPEX)更低,从而运行成本(OPEX) 也会进一步降低。动力设备的效率、尺寸和重量是许多应用的关键设计因素。比方说,就电动汽车而言,所有这三个因素都有助于增加车辆在两次充电之间的续航里程,而较低的设备成本则有助于使车辆的总体成本与传统车辆持平。
电力电子行业既要减小物理尺寸,又要提高能效,面临的一个关键挑战是,这些设计目标通常会相互矛盾。比方说,提高转换器电路的开关频率可使元器件尺寸减小,如减少电感器、变压器和电容器等元件的尺寸,这有助于以更低的生产成本生产出更紧凑的设备。另一方面,较高的开关频率也会产生额外的热量和电磁干扰(EMI)风险。因此, 因发热而损失的电能会造成产品质量和运行成本方面的问题,反而降低了能效。
尽管传统的硅技术仍将用于功率应用领域,但包括氮化镓(GaN) 和碳化硅 (SiC) 在内的宽禁带半导体正在超越传统硅基器件的表现。采用宽禁带半导体突破了硅基器件的局限性,因为硅是一种窄带隙器件,会导致不良导电漏电, 随着温度、电压或频率的升高,漏电现象会变得更加明显。与硅相比,氮化镓和碳化硅通常具有更高的功率密度、更小的尺寸、更优的温度表现、更快的频率响应速度,更少的漏电以及更低的导通电阻,这些都可以带来更高的运行效率。
宽禁带 (WBG) 半导体可以降低传输损耗并加快开关速度,非常适合于设备的快速充电。氮化镓在提高功率密度的同时缩小了尺寸,有助于改善电池充电时间等各方面的性能,尤其是手机、手持电动工具和便携式个人医疗监测系统等工具中发挥作用,当然应用案例在不断拓展,比方说宽禁带半导体还可以用在电子电源供应和射频功率放大器中。氮化镓还适用于电动汽车 (EV) 的信息娱乐系统和其他座舱零部件中。
相比之下,围绕碳化硅的技术更适合大功率应用,如电力传输、大型暖通空调设备和工业系统。与硅金属氧化物半导体场效应晶体管(MOSFET)相比,SiC MOSFET能够在更高的电压和温度下工作。在这些条件下,SiC可提供更高的性能、效率、功率密度和可靠性。这一系列优点有助于设计人员减小功率转换器的尺寸、重量和成本,使其更具竞争力,尤其是在航空航天、军事和电动汽车等利润潜力较大的细分市场。
从传统硅过渡到宽禁带半导体使得电源模块尺寸设计得更小,同时还能提高MOSFET开关速度和能效。而竞争情况导致这些设计参数更加重要,设计工程师必须重新评估他们的验证和测试方法。实际上,在功率转换器的设计和生产中的测试项目以及测试采用的系统和前几代是相似的,但是宽禁带材料要求测试更加严格。
面对更高的功率密度和效率要求,工程师们需要更高的测量精度。根据要求,需要在设备或子系统层面进行功能和可靠性测试,以确保基于新材料的设计在消费领域以外的关键应用中性能足够稳定,在这些应用中,系统的长期可靠性对于满足必要的法规和安全要求至关重要。要提高能效,需要极大提高测试的准确性和严格性,此外,数据测量必须足够可靠,来满足法规和认证要求,还要满足通用的JEDEC JC-70宽禁带功率电子转换半导体标准。
图2:吉时利2400系列图形触摸屏源测量单元 (SMU) 仪器和4200A-SCS参数分析仪。
泰克产品直接面向器件特性表征和验证测试要求,使工程师能够更快地将产品推向市场,以应对电气化的挑战。公司正在测试和测量工具方面取得重大进展, 以帮助电源设计工程师快速获得更可靠的结果。新的仪器功能可帮助工程师应对日常挑战,例如
■ 简化测试设置,减少测量误差
■ 缩短测量时间,提取开关参数
■ 提高设计高效功率转换的测量精度
泰克服务于WBG半导体发展的四个重点领域
宽禁带半导体材料研究
宽禁带器件的表征
双脉冲测试
验证宽禁带器件
为了在降低功耗的同时提高器件密度和性能,人们开始研究具有高载流子迁移率和高导电性的独特二维(2-D)材料。对更环保的发电解决方案的需求正在推动更高温的超导体和功率转换所必需的功率半导体的研究。虽然目前的首选材料是氮化镓和碳化硅,但有关新型WBG材料的研究还在进行中,比如氮化铝(AlN)、氧化镓(Ga2O3)和金刚石。这些新材料有可能具有更优异的功率性能。吉时利是泰克公司旗下的一家公司,致力于生产制造高灵敏度的测试测量仪器,专业水平长期处于世界领先地位。产品线包括图形化系列源测量单元 (SMU) 仪器和半导体参数分析仪系列,可用于电阻率、霍尔效应和迁移率测量,帮助研究人员、科学家和工程师在宽禁带半导体材料领域发挥潜力。
理解碳化硅和氮化镓的电气性能有助于将其应用到新型电源研究中。为此,我们对器件进行了电流与电压(I-V)特性分析。
I-V特性分析是了解硅、碳化硅和氮化镓基本特性的电流与电压关系的基本方法。利用SMU或参数分析仪等仪器和相应软件,可生成I-V图形曲线,用于显示流经电子设备或电路的电流与其端子上施加的电压之间的关系。
吉時利的2400图形化系列SMU、4200A-SCS参数分析仪和2600-PCT大功率I-V曲线测试系統最大程度地縮短了工程师的绘制曲线的时间,可以帮助工程师更快地将半导体器件推向市场。您可以通过图形用户界面或吉时利KickStart或ACS-Basic等应用软件,随时对WBG器件的关键特性进行测量,如I-V测试、击穿电压测试和漏电流测试。
图3:配备ACS-Basic软件的吉时利2600-PCT I-V曲线测试系统
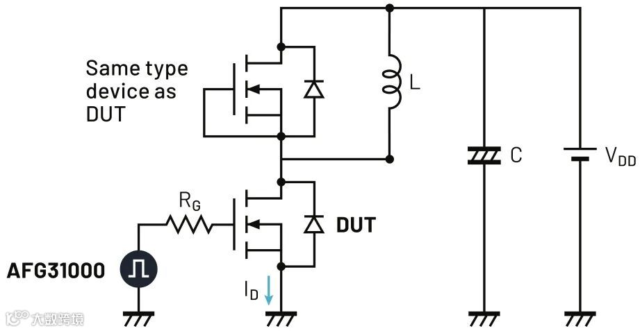
对功率半导体器件工程师来说,尽可能减小开关损耗仍然是面临的一大挑战。这些设计必须经过严格测量,以确保符合标准。测量开关参数和评估硅、碳化硅和氮化镓MOSFET和IGBT动态特性的标准测试方法是双脉冲测试 (DPT)。双脉冲测试用于测量器件导通和关断期间的能量损耗及其反向恢复参数。
双脉冲测试需要用到两个WGB器件,一个器件是待测器件,第二个器件是和待测件相同类型的器件。注意负载电感放在第二个器件一侧。电感电流不能瞬间变化的特性,可以帮助工程师在逆变器设计复制需要用到的电路状态。
图4:双脉冲测试电路
所使用的仪器包括:用于提供电压的电源或SMU、用于输出脉冲以触发MOSFET栅极使其打开从而开始导通电流的任意函数发生器 (AFG),以及用于测量由此产生的波形的示波器。
图5:双脉冲测试系统
一直以来,由于函数发生器通常没有内置测试配置,也不能设置测试的方法,因此调试测试环境的过程非常耗时。最新的AFG(如泰克AFG31000系列)包括一个内置软件应用程序,可直接从仪器的触摸屏界面进行DPT操作,大大简化了工程师的操作过程。
图6:泰克AFG31000系列内置双脉冲测试配置
分析功率损耗和优化电源效率前所未有得重要。影响效率的关键因素之一是开关设备的损耗。例如,典型开关模式电源的效率约为87%,这意味着13%的输入功率在电源内部耗散,其中大部分是废热。在这部分损耗中,很大一部分耗散在开关设备中,通常是MOSFET或IGBT。泰克公司的5B和6B系列MSO示波器和自动功率分析软件可轻松进行开关损耗测量。
由于接通和关断频率高,以及存在高共模电压(如Vds),浮动差分测量(如高压侧Vgs)通常难以进行,因为示波器探头在高带宽下没有足够的共模抑制能力。共模抑制能力差会导致测量结果受共模误差影响,而非实际差分信号。使用泰克 IsoVu™隔离探头可以轻松解决这些问题,在氮化镓和碳化硅器件的工作要求下,IsoVu™探头不会随频率衰减,能够支持进行精确的差分测量。使用IsoVu探头,可以精确计算和验证传导损耗、死区时间损耗和开关损耗。
图7:泰克5B系列MSO示波器和IsoVu探头。
|结论|
我们生活在一个不断变化的世界,利用好有限的能源变得更加重要。碳化硅和氮化镓等宽带隙半导体技术的进步正在推动清洁、可再生和可靠能源生态系统的发展,同时也为工程师带来了新的挑战。旧有的测试工具和技术根本无法满足需求,如果无法测量关键参数值,也无法确保关键设备的功能,我们的进步也只能止步不前。研究人员和工程师对泰克和吉时利的测试测量解决方案抱有极大期望,其解决方案能够助力应对当今和未来的电气化生态系统的挑战。
点击阅读原文,预约泰克半导体实验室免费实测!
欲知更多产品和应用详情,您还可以通过如下方式联系我们:
邮箱:china.mktg@tektronix.com
网址:tek.com.cn
电话:400-820-5835(周一至周五9:00-17:00)
将您的灵感变为现实
我们提供专业的测量洞见信息,旨在帮助您提高绩效以及将各种可能性转化为现实。
泰克设计和制造能够帮助您测试和测量各种解决方案,从而突破复杂性的层层壁垒,加快您的全局创新步伐。我们携手共进,一定能够帮助各级工程师更方便、更快速、更准确地创造和实现技术进步。
扫码添加“泰克工程师小助手”
立享1对1专属服务!
点击“阅读原文”预约泰克半导体实验室免费实测!!

