

GB/T 34544-2017《小型燃料电池车用低压储氢装置安全试验方法》(以下简称“本标准”)在2017年10月14日发布,2018年5月1日实施。本标准规定了小型燃料电池车用低压储氢装置(以下简称“低压储氢装置”)的试验条件和试验方法,旨在确保储氢装置在各种工况下的安全性和可靠性。
通过对本标准的梳理,低压储氢装置共需开展包括气密性试验、氢气循环试验等在内共计10种试验,每种试验均涉及详细的试验要求、试验程序及合格指标,详见下图:
下面重点介绍低压储氢装置涉及氢气检测的跌落试验、高温试验、氢气循环试验的详细信息。
1.1试验目的
1)确保储氢装置在受到跌落冲击时,不会发生破裂、泄漏或其他形式的损坏,从而避免氢气的泄漏和潜在的安全风险;
2)验证储氢装置的设计和制造是否能够承受在运输、安装或使用过程中可能遇到的跌落冲击;
3)评估跌落事件对储氢装置内部压力调节系统、安全阀等安全相关部件的影响;
4)通过模拟实际使用中可能发生的跌落情况,确保储氢装置在各种条件下都能保持其安全性能。
1.2试验方法
注:
a)垂直跌落:带有截止阀和超压泄放装置的端部向下垂直跌落时,初始位置的最低点高度不小于1.8m;
b)夹角为45°角跌落时:其重心高度不小于1.8m,并使带有截止阀和超压泄放装置的端部先跌落;若装置初始位置的最低点高度小于0.6m,则调整跌落角度以确保装置初始位置的最低点和装置重心的高度分别不小于0.6m和1.8m;若装置两端均装配有截止阀、超压泄放装置等附件,则装置仍以45°角跌落并使其抗撞击能力较弱的端部先跌落;
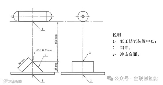
c)水平跌落:低压储氢装置以1.8m的高度,水平跌落于钢锥上时,应使其重心与钢锥顶点的连线与冲击台面垂直(见下图)。钢锥固定于冲击台面上,其尺寸应符合下图的规定。装置在撞击冲击台面前应先撞击钢锥。
1.3合格指标
低压储氢装置的截止阀和超压泄放装置在跌落试验后能正常启闭。
气密性试验结果,采用氦气质谱仪检漏法检漏时,泄漏率≤7.6×10-5Pa?m3/s。
1)评估高温下装置性能,包括热稳定性、密封性和结构完整;
2)确保装置在极端温度下的安全性,防止泄漏、爆炸等风险;
3)验证设计与制造符合安全标准。
将低压储氢装置静置于试验箱内升温至规定试验温度,当低压储氢装置的温度达到规定试验温度时开始计时,保温4h后取出并恢复至常温。
按氦气质谱仪检漏法进行气密性试验。
高温静置试验后,低压储氢装置的外壳不发生变形。
气密性试验结果,采用氦气质谱仪检漏法检漏时,泄漏率≤7.6×10-5Pa?m3/s。
1)评估储氢装置的耐久性:通过模拟实际使用过程中的氢气充放循环,评估储氢装置在长时间使用下的性能稳定性和耐久性。这对于确保储氢装置在燃料电池汽车中的长期可靠运行至关重要;
2)验证储氢装置的安全性:氢气循环试验可以检测储氢装置在反复充放过程中是否存在泄漏、变形、破裂等安全隐患。这对于保障燃料电池汽车在运行过程中的安全性具有重要意义;
3)优化储氢装置的设计:通过氢气循环试验的数据分析,可以识别储氢装置在设计和制造过程中可能存在的问题,为后续的改进和优化提供依据。这有助于不断提升储氢装置的性能指标,满足更高的使用要求。
3.2.1 初始振动试验

3.2.2 气密性检查
安装与检测:完成振动试验后,安装应变测试装置并连接管路,对连接接头按规定进行气密性检查,确保无泄漏。
3.2.3 氢气循环过程
3.2.4 最终气密性试验
再次检查:氢气循环试验完成后,需再次按初始振动试验前的规定进行气密性试验,以确保储氢装置在经历循环试验后仍然保持良好的气密性。
3.3合格指标
实测最大应变不超过许用设计应力下应变的50%,或者最大应变无增长趋势,且气密性试验泄漏率≤7.6×10-5Pa·m3/s。
GB/T 34544-2017标准的发布和实施,为小型燃料电池车用低压储氢装置的安全性能评估提供了统一的规范,有助于推动燃料电池汽车产业的标准化进程,提高产品的安全性和可靠性,也促进了储氢装置技术的研发和创新,鼓励企业不断提升产品质量和技术水平,以满足日益严格的安全要求。

更多资讯
欢迎扫码咨询
编辑|于俊阳
排版|郭艺林
文章仅代表原文作者观点
不代表本平台意见和立场
不构成投资建议
独家| 9月10日全国20省110座加氢站氢气价格

