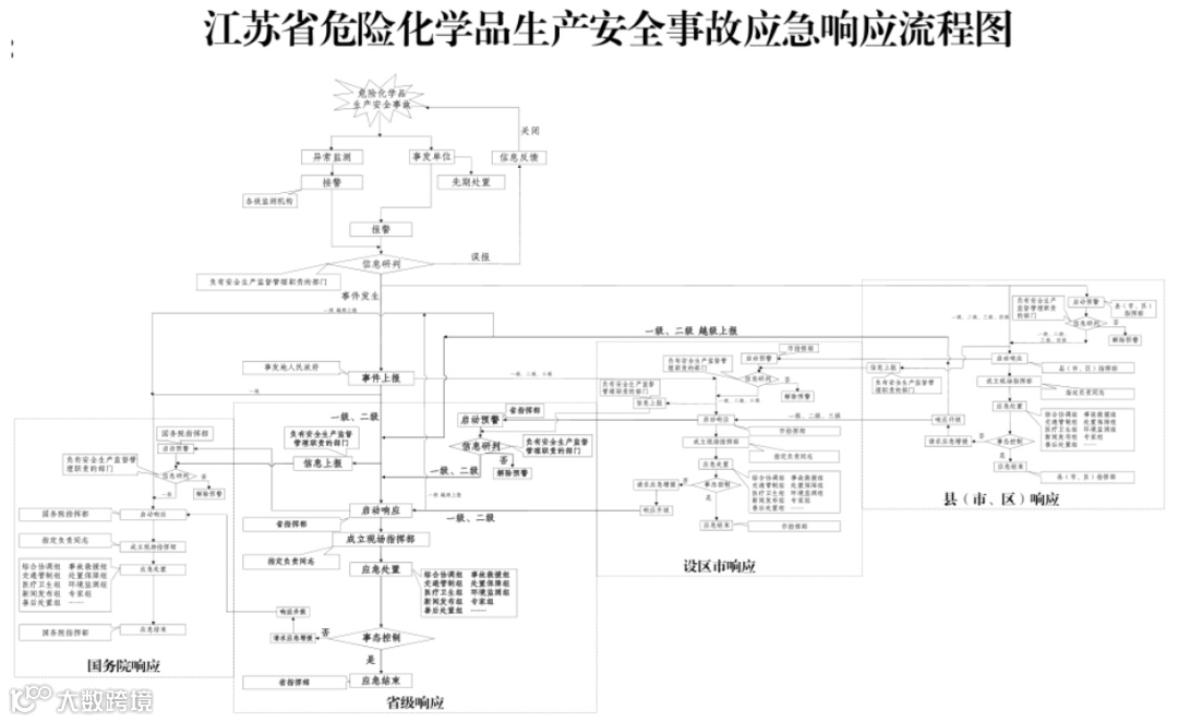
近日,江苏省政府办公厅印发了《江苏省危险化学品重特大生产安全事故应急预案》,明确全省危化品生产安全事故应急响应各级应对主体及其职责,增强各级政府和部门在应急响应程序和措施上的衔接性,确保应急处置工作落到实处。
根据有关法律法规和我省危化品生产安全事故类型特点,预案规范了事前预警准备流程,将事故现场按类型分为火灾爆炸和易燃易爆、有毒有害物质泄漏两大类,细化了处置措施,明确现场侦查、实施警戒、制定救援方案、实施救援、泄漏物清理、现场监测等重点处置环节,为事故的预警响应和处置应对提供操作指引。
预案规定县级以上地方人民政府及其负有安全生产监督管理职责的部门,乡、镇人民政府以及街道办事处等人民政府派出机关,应当至少每2年组织1次危化品生产安全事故应急预案演练,危化品从业单位应当至少每半年组织1次危化品生产安全事故应急预案和现场处置方案演练。
预案适用全省危化品生产、经营、储存、使用等领域生产安全事故应对处置,明确全省危化品应急预案体系包括涉及危化品生产安全事故的省级专项应急预案和部门应急预案、地方应急预案、化工园区应急预案、危化品从业单位应急预案、重大危险源应急预案及为应急预案提供支撑的工作手册和事件行动方案,进一步完善我省生产安全领域应急预案体系建设,为各级政府及基层单位开展危化品生产安全事故应急预案编修工作提供指导依据。
-END-
同企人工智能科技有限公司是同济人工智能(苏州)研究院旗下专注于安全生产信息化建设与运营的服务商,荣膺江苏省化工行业协会会员、中国化学品安全协会理事等头衔。公司聚焦安全生产的痛点,发挥研究院的科研优势,结合标杆客户的服务经验,助力实现安全、环保、智能、高效的数字化转型升级。
点击 阅读原文 ,查看文件详细内容。

