丰田模式及其成功启示
引言
企业的发展需要找到适合自身的道路。以丰田为例,其成功的关键在于掌握并实践了“制造哲理”,即通过摒弃七大浪费实现持续改善的“丰田生产方式”。
丰田模式的内涵与运作方式
丰田模式是一种综合体系,包含产品制造、生产管理和物流方式的理念[1]。其核心是彻底消除一切浪费,主要由“准时化生产”和“自働化”两大支柱支撑。前者强调在需要时按需生产,后者则是自动监控异常情况的技术[2]。
制造系统的规划
为满足准时化生产,丰田对制造系统有明确要求:设备布局精益化、运行可靠化以及产品质量稳定化。例如,在设备选择上注重系统协调性与可靠性,倾向于结构简单、功能精简的设备;在设备负荷设计方面,则优先考虑可靠性而非一味追求高负荷[3]。
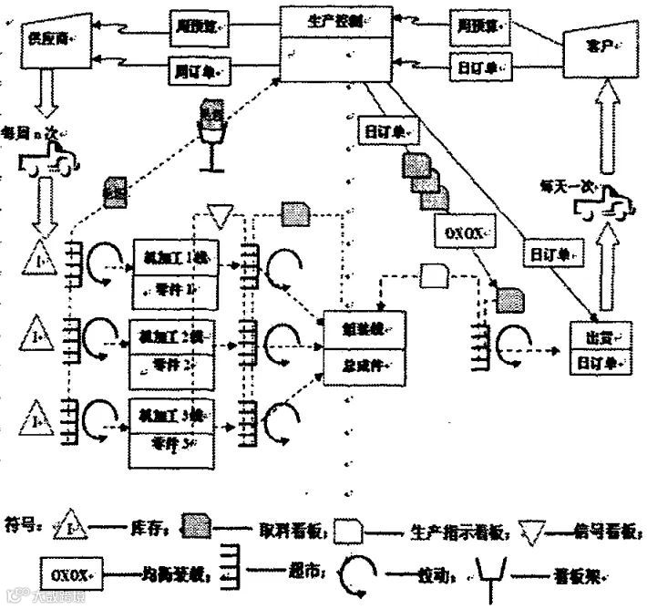
生产的实施
为减少浪费并保证准时性,丰田采用了均衡化生产和看板式管理。均衡化生产通过缩短作业转换时间来实现小批量甚至单件流生产;看板式管理则利用拉动机制确保从成品发货到原材料供应步调一致,避免不必要库存[4]。
设备维护与人员管理
丰田使用“可动率”而非传统“开动率”评估设备绩效,强调按需启动设备,减少非必要运行时间。同时,公司重视员工作用,不仅赋予他们处理问题的决策权,还提供全面培训以提升整体素质[5]。
丰田模式与精益思想的关系
美国学者将丰田生产方式总结为“精益思想”,即以最少资源投入获取最大用户价值的理念。精益思想包括五个原则(价值、价值流、流动、拉动、尽善尽美)及五个实施步骤。这些理论揭示了丰田模式的本质,并推广至更广泛领域[6]。
成功的启示
丰田模式源于对效率差距的深刻洞察。上世纪五十年代,面对日本与美国生产效率的巨大落差,丰田提出了消除七大浪费的基本理念,逐步发展出今日广受认可的生产管理体系[7]。
丰田生产方式的演进与启示
探索与改进:消除浪费的方法论
为了解决生产中的浪费问题,大野耐一等人向美国汽车工业学习,但在考察福特公司时发现,大量生产方式虽提高了效率,但也带来了库存积压[1]。这种库存掩盖了质量问题、设备状况及管理漏洞,被视为严重浪费。通过分析大量生产方式的优缺点,丰田继承其“流动性”特点,并探索出一种全新的生产方式,旨在彻底消除各环节浪费。
两大支柱:自働化与准时化
消除浪费的思想在丰田内部由来已久,从“自働化”到“准时化”,均为此目标提出的工作原则。随着经营压力增大,这些理念逐渐成为关注焦点,并发展出一系列具体方法,如“拉式生产”、“看板方式”等,使丰田生产方式成为一个完整的管理体系。
推广与影响:从内部到全球
最初,丰田生产方式仅在内部实施,但随着协作企业的需求增长,以及石油危机后丰田盈利表现的凸显,该方式逐步推广至外部。20世纪70年代起,丰田生产方式开始引入中国,在外资和合资企业的带动下得到进一步传播。然而,国内企业在应用上仍存在差距,仅有少数企业取得显著成效。
成功要素与经验总结
丰田生产方式的成功得益于五个关键方面:经营环境的推动、对未来方向的把握、对制造哲理的理解、“持续改进”的行动原则,以及精益企业文化的确立[2]。这些因素共同塑造了丰田的核心竞争力。
启示与借鉴
丰田的成功案例表明,正确经营理念和持续改进是长期发展的关键。同时,违背制造哲理的企业必将遭受惩罚。在众多资源中,“人”被丰田视为最重要的要素,因此其在管理和培养人才方面投入颇深。
结语:建设精益化企业
当前,我国制造业的人均劳动生产率与发达国家仍有较大差距。技术差异虽是一方面,但更重要的是资源整合能力的不足。借鉴丰田模式,建设“精益化”企业,将是提升竞争力的最佳路径[3]。
免责声明:本文转载的文章均已注明作者及来源,如有侵权请及时联系我们处理。
$$材料: [1] 在考察福特公司时,大野耐一发现大量生产方式虽然大幅度地提高了生产效率,但同时也伴随着大量库存的产生。 [2] 丰田生产方式的成功得益于五个关键方面:促使“精益化”变革发生的经营环境、对汽车制造业未来发展方向的把握、对“制造哲理”的深刻理解、“持续改进”作为“精益化”变革的行动原则、建立起一个能保证其“精益化”变革成功的企业文化。 [3] 实践证明,丰田的运作模式更好地体现了整合制造资源的能力。因此,借鉴丰田,建设一个“精益化”的企业,将是一个企业通向成功之路的最佳选择。 $$

