新品
6EDL04x065xR和6EDL04N03PR
系列三相栅极驱动器
650V和300V三相栅极驱动器,带过电流保护(OCP)、使能(EN)、故障检测和集成自举二极管(BSD)
产品型号:
■ 6EDL04I065NR
■ 6EDL04I065PR
■ 6EDL04N065PR
■ 6EDL04N03PR
产品特点
英飞凌薄膜-SOI技术
最大阻断电压+650V
输出源/吸收电流+0.165A/-0.375A
集成超快、低RDS(on)自举二极管
SOI技术使桥输出对高达-50V的瞬态负电压不敏感
六个驱动器均有独立的控制电路
过流和欠压检测
过电流检测后故障清除延迟可由外部编程
出错时'关闭'所有开关CMOS和LSTTL兼容输入(负逻辑)
每相信号互锁,防止交叉导通
应用价值
更小的占板面积
更高的效率
提高可靠性
易于设计
竞争优势
集成自举二极管
节省空间
降低BOM成本
针对VS引脚上的负瞬态电压,具有出色的坚固性和抗噪能力
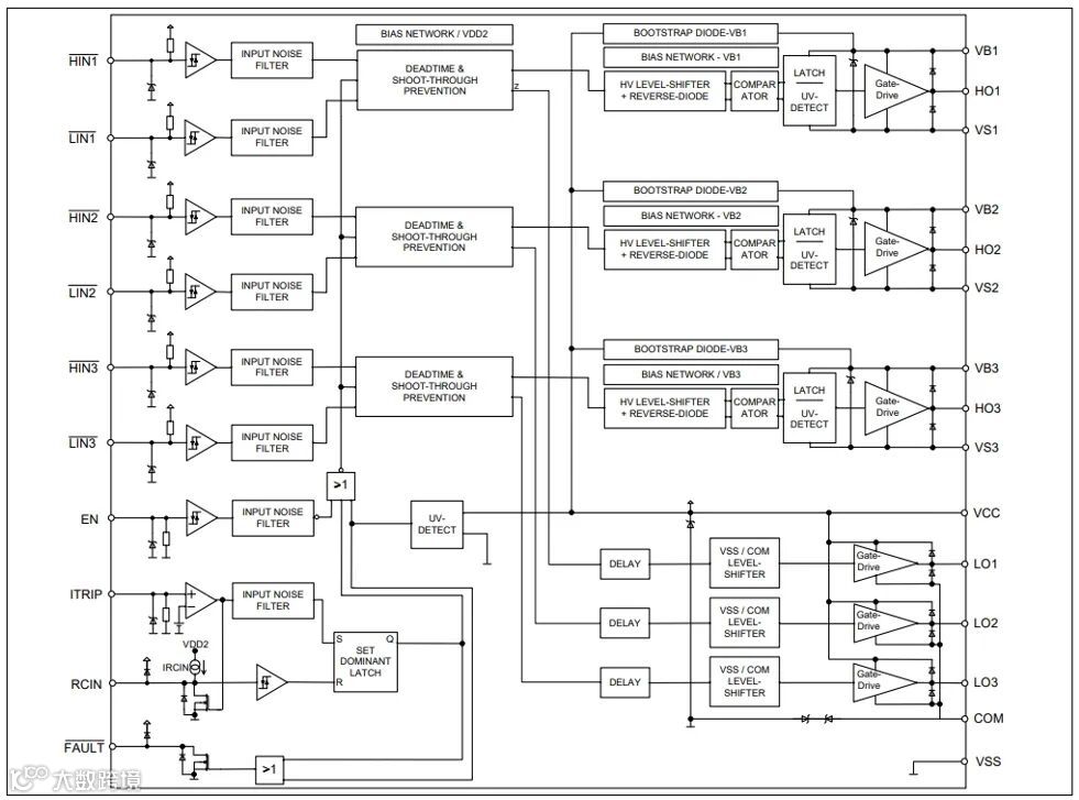
框图
应用领域
洗碗机
冰箱
洗衣机
水泵
风机
热泵
缝纫机
如果您对上文中的产品(推文代码:2024NPI55)感兴趣,需要英飞凌销售团队或代理商联系您,请识别“产品需求提交”中二维码,填写表单。

扫描二维码关注英飞凌工业半导体
增你强是大中华区领先业界的半导体零组件通路商,我们的使命是成为「技术领先的加值通路商」,持续不断地专注于“以客为尊”的服务理念,用最短的时间协助客户将新产品上市,并提供技术加值服务的整体解决方案。

