TLE4973
TLE4973是英飞凌在前两代电流传感器TLE4971和TLE4972基础上推出的新一代产品,该芯片是业内首款满足ASIL B功能安全的电流传感器芯片,同时其全新的封装设计体现了英飞凌在半导体技术领域的持续创新能力和颠覆传统的开拓精神。在上一篇文章《业内首发ASIL B等级、低阻抗小封装电流传感器芯片TLE4973》中我们重点介绍了TLE4973针对OBC/辅驱/EDC等应用的集成导体式类别(TLE4973- Axxx,TLE4973- Rxxx),本文将着重介绍针对主驱等应用的外置导体式TLE4973- xE35xx类别。
01
多种封装形式
TLE4973利用片内的差分霍尔来感知芯片外电流产生的磁场实现测量电流的目的。
其中集成导体式产品(PG-TISON-8封装)电流流经芯片内部,优点是整个传感器在封装完成之后进行调校,所以精度较高,但是受制于内部导体的阻抗,所以可测电流有效值一般低于100A。英飞凌该封装的产品达到了0.22mΩ的导通阻抗,处于业内领先水平。前文曾有更为详细的对比。
外置导体的优势是待测电流不流经芯片本体,因此不会在芯片内造成热累积,所以可测电流范围可以达到2KA以上,相较于使用磁芯进行聚磁的电流传感器模块来说,这种方案在成本和体积上都更有优势,目前正受到越来越多的用户青睐。TLE4973- xE35主要采用PG-VSON-6和PG-TDSO-16两种封装。PG-VSON-6因为体积较小,更适合于铜排载流的场合,PG-TDSO-16则推荐应用于PCB载流。
TLE4973目前一共使用到的3种封装形式总结如下图:
02
数字通讯功能带来的
全方位优势
单总线通过DCDI口实现对多个芯片进行
自动寻址和功能配置
独特的单总线数字通讯功能使MCU可实现对板上最多8个TLE4973的自动寻址和通讯,即占用最少的MCU资源实现功能的最大化,通过数字通讯可实现的功能包括:
灵敏度配置功能:
用户仅需采用一个型号即可以粗调实现下面9种灵敏度,之后可以再在粗调基础上再实现±15%的灵敏度精调,从而减少用户管理的型号种类。
输出模式配置功能:
TLE4973后缀为S0001的产品可以配置为单端输出、半差分输出、全差分输出模式,采用差分输出模式在输出信号PCB走线较长时可提高抗干扰能力,同时可提高测量精度。
向下滑动查看
1
芯片温度实时获取
2
过流阈值点设置,过流反应时间设置,过流消抖时间设置
3
比例输出Radiometric功能配置
4
诊断功能:对主模拟路径(灵敏度)自检和OCD模拟路径自检。
通过发送指令给芯片,芯片的模拟输出会输出指定值,用户采样该值进行验证。OCD功能自检用于检验内部过流检测比较器是否正常。
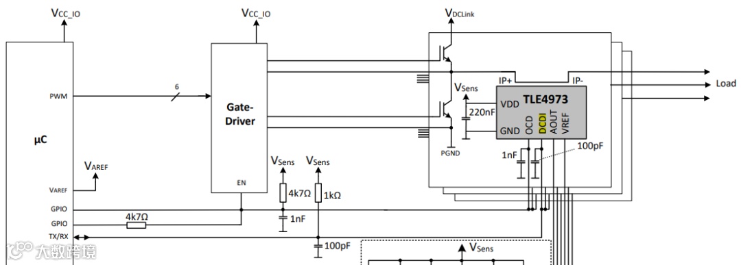
另外,需要着重说明一下,DCDI可兼容5v/3.3v供电的MCU,因DCDI内部为OPEN DRAIN结构,因此可以将其信号上拉至MCU电平,从而实现TLE4973--->MCU方向信号的兼容;而对于DCDI的接收信号,大于1.6v视为高电平,低于1v视为低电平,因此无论是5v还是3.3v供电的MCU,其输出信号均能被TLE4973识别,从而实现MCU--->TLE4973的方向信号传输。
03
两类应用方案
方案一,用户可根据我司官网提供的仿真工具设计铜排或多层PCB。
简单来说平面S-Bend方案相较于平面Straight方案的阻抗上升大,但是crosstalk(相间互扰)较小;相较平面方案,垂直安装方案对芯片相对位置变化敏感性更低。具体可在我司官网进行相关误差评估。
向下滑动查看
方案二,使用英飞凌 HybridPACK™ Drive G2 模块的场合。
该模块使用了英飞凌的下一代芯片技术 EDT3(SI IGBT)和 CoolSiC™ G2 MOSFET ,实现在 750 V 和1200 V 电压等级内达到 300 kW 的功率。其PIN脚的铜排在结构上进行了优化,可方便地嵌入内置TLE4973-xE35芯片的Swoboda电流传感器模块,覆盖从500A -2500A 量程的所有测量需求。用户仅需要对该模块进行配置后即可使用,无需进行结构设计和仿真。
Swoboda模块的频率响应图如下,可知带宽达到100Khz以上,因此可完全覆盖电驱应用所需的采样频率。
04
相关评估板及软件
TLE4973根据不同封装目前可以提供5款评估板,具体介绍如下表:
以上评估板可以使用相关编程板进行编程和调试,该编程板也可以对用户自行设计的板上的TLE4973进行编程。
利用与编程板配套的软件可以方便地对片内的EEPROM或寄存器进行访问,也可以实现数据记录仪的功能,对温升、电流等进行多点采集记录,进而进行评估相关系统指标。
向下滑动查看
如上所述,TLE4973芯片凝聚了英飞凌的创新思维和匠心设计,覆盖了各种应用场景,为用户提供了多种解决方案,同时配套有相关仿真软件和开发工具以方便用户使用。TLE4973是电流传感器数字化的先行者,为电力电子设备未来更加小型化,智能化贡献了力量。
扫描二维码关注英飞凌汽车电子
寻找更多应用或产品信息

