1
热泵简介
热泵,英文heat pump,它有2个定义,定义1:从低温热源吸热送往高温热源的循环设备。定义2:以消耗一部分高品位能源(机械能、电能或高温热能)为补偿,使热能从低温热源向高温热源传递的装置。所以,热泵广泛用于冬天取暖,产生热水,工业烘干,温室养殖等。
简单讲,热泵就是一个能量的搬运工,对于用户而言,花了一份电费,获得了四份甚至更多的热量,这多出来的热量,就来源于大自然,根据热源的不同,热泵分为空气源热泵,水源热泵,地热源热泵等。所以,热泵的能效天然就是大于1的,只赚不赔……
说了这么多,热泵究竟长啥样呢,图1来自于美的集团空气源热泵的一份产品手册,是不是和常见的空调外机非常像,对的,从其内部硬件来看,它确实和空调外机没什么区别,只是空调采用的是卡诺循环原理,把热量从室内搬运到室外,而热泵采用的是逆卡诺循环原理,把热量从室外搬运到室内。一正一反,不得不感叹科学的神奇。
图1 空气源热泵及其应用示意图
2
热泵的结构以及谐波电流法规
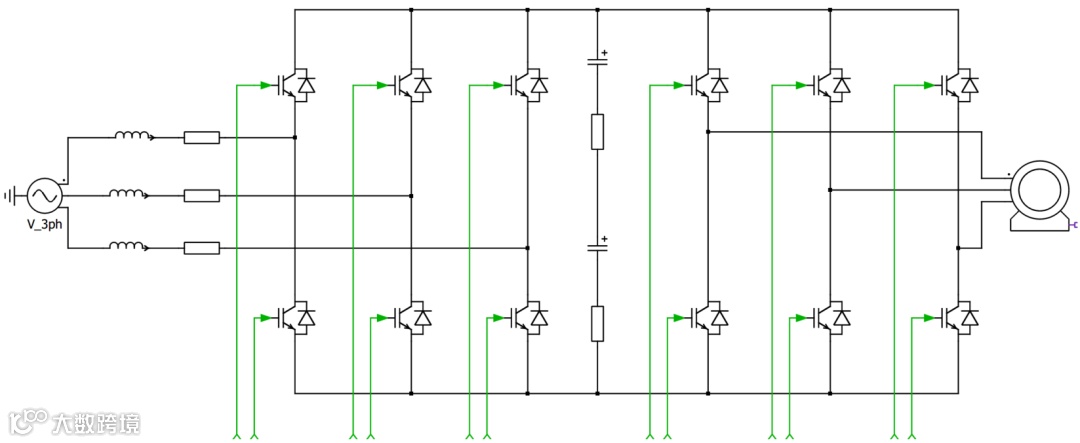
热泵按照交流输入电源可以分为单相热泵和三相热泵,其输出电功率可覆盖3 kW到几十千瓦。如图2所示,热泵的室外机,主要由三部分构成,包含PFC、压缩机逆变器和风机逆变器。
估计眼尖的读者已经注意到了,无论是单相热泵,还是三相热泵,都包含了PFC这一功率环节。没错,对于用电设备产生的谐波电流,全球各国以及地区都制定了明确的法规,热泵产品只有满足了谐波电流法规要求,才能在所在国家和地区进行销售,PFC也就是功率因素校正, 则可以有效改善用电设备的输入谐波电流并提高其功率因素。
图2 热泵室外机电路结构框图
根据用电设备的输入相电流大小,可以把用电设备分为两大类,适用不同的法规进行谐波电流的市场准入管理。如图3,以输入相电流有效值等于16A为界,当用电设备的输入相电流有效值小于或者等于16A时,适用IEC 61000-3-2,对应的国标就是GB17625.1,这也是广大工程师最熟悉的;当用电设备的输入相电流有效值大于16A时,则适用IEC 61000-3-12。这两个主要的谐波电流法规最近有更新,但内容主体基本不变。最新的IEC 61000-3-2: 2019+A1-2021,将于2024年4月9日起执行;国标GB17625.1-2022,将于2024年7月1日起执行。
这里需要敲黑板的是,是以输入相电流有效值,而不是根据单相输入还是三相输入,来决定究竟适用哪个法规。确定好适用的法规后,再根据对应的细分类别去查看具体的谐波电流限值要求。
图3 输入谐波电流法规和分类
(点击图片可放大查看)
3
英飞凌的产品解决方案
正如前面所讲到,无论是单相热泵还是三相热泵,都需要PFC,逆变器和对应的驱动IC,控制器IC,作为业内知名半导体厂商,英飞凌当然可以提供一站式解决方案。
3.1 当输入相电流有效值大于16A时(模块方案)
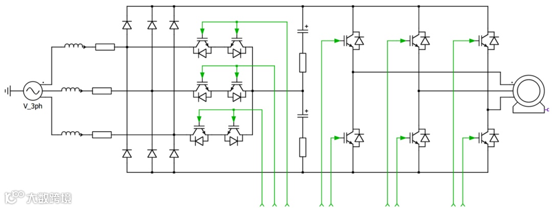
以三相热泵为例,对于输入相电流有效值大于16A的热泵产品,因为谐波电流标准相对比较宽松,所以,采用被动式PFC,也就是通过在直流母线上串联直流电抗器,与母线电解电容一起构成LC 滤波器的方式,即可满足谐波电流限值的要求,因此,PIM模块就成了当仁不让的最佳选择,如图4,PIM模块将三相整流桥,制动桥臂和三相逆变桥全部集成到了一个模块中,充分满足了客户PCBA小型化的需求。根据逆变IGBT电流的不同,英飞凌提供了EASY和Econo两个大类封装的多款PIM模块,如图5,工程师朋友们可以灵活选择。
图4 IGBT PIM模块及被动式PFC电路框图
(相电流>16A)
图 5 EASY封装和Econo封装IGBT7
PIM模块可选电流范围
3.2 当输入相电流有效值小于等于16A时(模块方案)
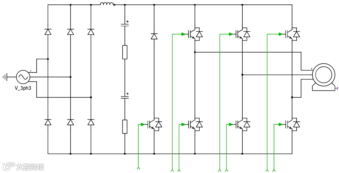
对于输入相电流有效值小于或者等于16A的三相热泵产品,目前市场上被动式PFC和主动式APFC的方案并存,如图6,图7,图8。图6是被动式PFC方案,可以选用25A的PIM模块,在整流桥之前加入三相交流电抗器,这种方式简单易操作,当然,缺点也很明显,为了满足谐波电流限值的要求,在单个交流电抗器上的压降可达到输入相电压的2%-4%,所以,交流电抗器感值大,效率低,个头重,不能安装在PCB板上,只能安装到机壳内壁,然后通过导线连接到PCB板上,导致生产线装配成本也上去了。
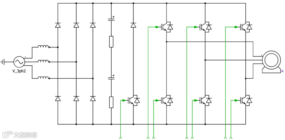
通常,只有提高开关频率,才能有效减小磁性器件的体积,所以,既能满足谐波电流法规,又高效,还能把电感或者电抗器安装到PCB板上的有源PFC方案就成了最优选择,如图7,图8,三电平Vienna整流器和三相B6的APFC方案,均可满足谐波电流限值和板载PFC电感的要求。
图6 采用被动式PFC的热泵电路框图
(相电流≤16A)
图7 采用三电平Vienna主动式APFC的
热泵电路框图
图8 采用三相B6主动式APFC的
热泵电路框图
对于三电平Vienna整流器,英飞凌有EASY2B封装的FS3L35R07W2H5_C56和FS3L35R07W2H5_C40两个模块可选,封装如图9,两个模块的区别是C56是焊接版本,C40是压接版本,其他参数都一样。模块内部IGBT采用35A的H5,可支持开关频率到40 kHz,输出功率8 kW左右。
图9 FS3L35R07W2H5 Vienna模块
对于三相B6的有源PFC方案,英飞凌则提供了高集成度的1200V SiC MOSFET IPM方案,IM828-XCC,最高可支持开关频率80kHz,其内部框图见图11。目前已经有客户采用IM828-XCC做三相B6 PFC,开关频率36kHz,输出功率8 kw,最高效率达到98.1%。
图10 SiC MOSFET IPM IM828
3.3 当输入相电流有效值小于等于16A时(单管IGBT方案)
如果基于成本考虑,也可以采用单管去搭建三相B6 APFC,因为B6是两电平的拓扑,每个开关直接承受全部的母线电压应力,所以,如果采用常规的IGBT,通常开关频率只能设置为10kHz左右,这样导致三相PFC的电感感值还是偏大,个头重,放置在PCB板上还是挑战颇大,因此,如果有一款IGBT的单管,既能满足比较高的开关频率,成本还有竞争力,那就相当有吸引力了。
英飞凌的1200V H7系列IGBT单管,则是这样一款优秀的产品,见图12,相比此前的多个系列的IGBT,其总损耗下降了40%~50%,所以,如果保持输出电流不变,H7系列单管IGBT的开关频率则可提升一倍,或者,通过选择更大额定电流等级的CH7单管IGBT,把开关频率进一步提升,见图13,单个IGBT的电流已经可以达到140A,也就意味着即使不用单管并联的方式,也可以输出非常高的功率。
图11 H7与其他系列IGBT的损耗对比
图12 H7系列单管IGBT型号与封装
当然,英飞凌也同步推出了650V的H7系列单管IGBT,可用于单相的Boost PFC和交错式PFC,详情请登录英飞凌官网查看。
小结
对于热泵应用中的输入谐波电流,无论是采用被动式PFC还是主动式APFC,英飞凌均有丰富的产品系列,简要概括见表1。被动式PFC的优点是简单易操作,缺点也很明显,更换输入电压或者功率后,电抗器就得重新去试凑匹配,不然某次谐波就会像打地鼠一样超标冒出来;主动式APFC则没有这个烦恼,主要的难度在于软件控制算法层面,需要投入大量的研发资源去开发。长远来看,随着谐波电流法规的趋严以及终端客户的更高要求,采用主动式APFC是一个必然趋势。
表1 英飞凌三相热泵解决方案概要
欢迎扫描二维码关注
英飞凌工业半导体微信

增你强是大中华区领先业界的半导体零组件通路商,我们的使命是成为「技术领先的加值通路商」,持续不断地专注于“以客为尊”的服务理念,用最短的时间协助客户将新产品上市,并提供技术加值服务的整体解决方案。

