大数跨境
0
0

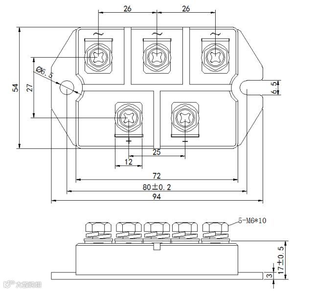
W54N·超薄型三相整流桥新品发布

W54N·超薄型三相整流桥新品发布 常州瑞华
2018-05-02
2
导读:W54N——超薄型三相整流桥特点·应用·典型参数


W54N(超薄型三相整流桥新品发布)





特点


1.采用高导热DBC绝缘片,绝缘大于等于 AC 3000V。

2.超薄型外形,便于整流桥与IGBT功率器件PBC板一起安装。

3.体积小,重量轻,采用高真空焊接,具有优良的温度特性和功率循环能力。

4.正向压降小。

5.高的浪涌能力。



应用


整流器设备,不间断电源,直流电机励磁,逆变器的直流电源,新能源

典型技术参数



【声明】内容源于网络
0
0
常州瑞华
专业化、规模化电力半导体模块制造企业。主营:晶闸管、整流管、超快恢复二极管、MDST组合模块、新能源专用防反二极管、硅整流组件、IGBT单管及IPM智能功率模块等。公司秉承“和谐进取,务实创新,智慧诚信,科技发展”的经营宗旨为您服务!
内容 68
粉丝 0
常州瑞华 专业化、规模化电力半导体模块制造企业。主营:晶闸管、整流管、超快恢复二极管、MDST组合模块、新能源专用防反二极管、硅整流组件、IGBT单管及IPM智能功率模块等。公司秉承“和谐进取,务实创新,智慧诚信,科技发展”的经营宗旨为您服务!
总阅读21
粉丝0
内容68