大数跨境
0
0

新品模块发布-W45B

新品模块发布-W45B 常州瑞华
2020-09-24
2
导读:W45B新品模块发布

W45B新品模块发布

W45B



(一)特点

1.采用DBC陶瓷片,高的绝缘性能。

2.插针式的外形,便于线路板的安装,标准国际封装。

3.良好的热疲劳性能。

4.正向压降小。

5.高的浪涌能力。


(二)应用

整流器设备、不间断电源、直流电机励磁、逆变器的直流电源、新能源等


(三)典型技术参数


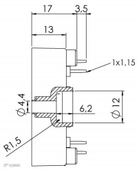
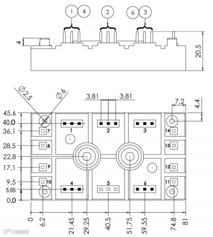
(四)尺寸图


【声明】内容源于网络
0
0
常州瑞华
专业化、规模化电力半导体模块制造企业。主营:晶闸管、整流管、超快恢复二极管、MDST组合模块、新能源专用防反二极管、硅整流组件、IGBT单管及IPM智能功率模块等。公司秉承“和谐进取,务实创新,智慧诚信,科技发展”的经营宗旨为您服务!
内容 68
粉丝 0
常州瑞华 专业化、规模化电力半导体模块制造企业。主营:晶闸管、整流管、超快恢复二极管、MDST组合模块、新能源专用防反二极管、硅整流组件、IGBT单管及IPM智能功率模块等。公司秉承“和谐进取,务实创新,智慧诚信,科技发展”的经营宗旨为您服务!
总阅读32
粉丝0
内容68