
组件内增光设计专利技术概览
专利公开号:CN107833936A
专利名称:双面发电光伏组件
专利附图及技术内容:

双面发电电池片1上焊接有凹凸双面反光焊带4,反光焊带一侧的凹凸面与双面发电电池片焊接,另一侧的凹凸面用于接收并反射光能,背面钢化玻璃上设置有白色镀釉部分5,光照从正面钢化玻璃和背面钢化玻璃入射后,经过白色镀釉部分5和凹凸双面反光焊带4反射至双面发电电池片1上。利用白色镀釉背面钢化玻璃和凹凸双面发光焊带,不论组件的正面还是背面,可以将不同角度的入射光线更多的反射到电池片上,进而提升组件的发电量。
专利公开号:CN206023700U
专利名称:基于双面太阳能电池的光伏光热一体化组件
专利附图及技术内容:

本实用新型中,玻璃盘管位于光伏电池片间隙处,玻璃盘管具有正面透光和背面反光的特性。将正面直射过来的太阳光反射到背面,再次被双面电池所吸收利用,从而提升太阳电池组件的发电功率。
本实用新型中,玻璃盘管也是导热管,利用热传导原理,构成水循环冷却系统,将电池片产生热量带走,降低组件工作温度,使组件功率提升,同时实现对冷水加热的功能。
专利公开号:CN205900559U
专利名称:一种N型双面电池
专利附图及技术内容:

N型硅片衬底的两面均形成了凹坑绒面层2,由反应离子刻蚀法进行制绒形成凹坑绒面层,使得入射光线在凹坑绒面层的反射次数增加,更进一步的降低了光反射,增加了光吸收率,从而提高了双面N型电池的光电效率。
SiNx减反射膜5,起到保护及调整光学参数,折射率范围为2.01~2.1,表面反射率在1%~2%,能够有效降低反射率。
专利公开号:CN104966748A
专利名称:一种双面匀光的双面电池组件
专利附图及技术内容:

1、第一光伏电池;2、第二光伏电池;3、间隙;4、反射件;401、弧形面;5、匀光件;501、入口。
光伏电池的上表面直接与太阳光线接触,而下表面一直未被利用,所以通过多个光伏电池之间设置间隙,间隙能够满足光线的射入, 在利用反射器的反光原理,以及在反射件和光伏电池之间设置的匀光件,实现将光线均匀地射入光伏电池的下表面上,增强导入到电池两面的光能量。
专利公开号:CN204834646U
专利名称:一种具有双面发电功能的太阳能电池组件
专利附图及技术内容:

外层玻璃1,玻璃背板2,绝缘层3,
第一太阳能电池板4,第二太阳能电池板5,
互连条6,电池片7,粘结密封夹胶8,接线盒9,
透光孔10,呼吸膜11,反光膜12,过光空间13,支撑块14。

相邻电池片之间设置有透光孔10,所述透光孔贯穿外层玻璃、第一太阳能电池板、绝缘层和第二太阳能电池板,透光孔的空口处设置有呼吸膜11,所述玻璃背板上面向第二太阳能电池板的一面设置有反光膜12,所述第二太阳能电池板与反光膜之间设置有过光空间13。所述第二太阳能电池板与反光膜之间设置有支撑块14,所述支撑块位于相邻电池片之间。
所述呼吸膜11的材质为膨体聚四氟乙烯。
所述电池片7为四角可透光电池片。
专利公开号:CN204809231U
专利名称:一种双玻光伏组件
-
专利附图及技术内容:

下玻璃板10、下EVA板20、双面电池片30、上EVA板40和上玻璃板50
一种双玻光伏组件,包括双面电池片和反光焊带,其中,所述反光焊带设置于所述双面电池片的主栅线,所述反光焊带用于将照射到所述双面电池片的阳光反射到玻璃板,并由所述玻璃板反射到所述双面电池片。
利用反光焊带的聚效果及双面电池片的共同收集电流作用来提高组件的功率,以提高双玻组件的光伏系统发电量。
专利公开号:CN104868001A
专利名称:一种新型双面光伏太阳电池组件
专利附图及技术内容:

正面太阳光入射到双面太阳电池组件上,穿过高透玻璃1和封装胶EVA2,一部分光射到双面太阳电池的正面,被双面太阳电池的正面所吸收,一部分光射到双面反射膜5的正面,由于双面反射膜5的上表面为微棱形结构,则太阳光会反射到高透玻璃1表面,再从高透玻璃1表面反射到双面太阳电池的正面,被双面太阳电池正面所吸收,直射到双面反射膜5上的光可经过两次或多次反射到双面太阳电池表面。
同样,背面太阳光入射到双面太阳电池组件上,由于双面反射膜5的下表面为微棱形结构,则太阳光会反射到高透玻璃1表面,再从高透玻璃1表面反射到双面太阳电池的背面,被双面太阳电池背面所吸收。
专利公开号:CN204538042U
专利名称:一种双面太阳能电池组件
专利附图及技术内容:

1为超白低铁钢化玻璃,2为第一封装层,3为双面太阳能电池片,4为第二封装层,5为透明背板,6为双面反光层。
双面太阳能电池片下方设置有双面反光层6,此双面反光层位于透明背板上表面,具有高反射率。双面反光层上下表面均具有规则排列的V型沟槽结构,沟槽内夹角为130度。当双面太阳能电池组件正上方的太阳光透过钢化玻璃和EVA层入射至电池片间隙下方的V型沟槽内表面时,光线被反射至钢化玻璃上表面,此时的入射角为50度,大于钢化玻璃-空气界面的临界角,故光线被再次反射至双面太阳能电池片正面被其吸收利用。同理,双面太阳能电池组件正下方的光线也会遵循同样的原理并最终反射至电池片背面。
组件外增光设计专利技术概览
专利公开号:CN206004586U
专利名称:光伏支架系统及光伏电站
专利附图及技术内容:

光伏支架系统100包括立柱110、双面发电光伏组件120、反射板130、转动装置140和转轴150。
上述光伏支架系统中,当太阳光垂直照射在间隔位于双面发电光伏组件的背光面的反射板130上时,反射板能够将这部分太阳光线反射至双面发电光伏组件的背光面上。同时,转动装置能够使双面发电光伏组件和反射板始终正对着太阳光线。上述整体提高了太阳光照的利用率,有利于应用。
专利公开号:CN205509955U
专利名称:一种双面工作的太阳能电池板结构
-
专利附图及技术内容:

一种双面工作的太阳能电池板结构,水平相邻的太阳能电池2之间的支撑板1中设有竖向贯通支撑板的光通孔3,支撑板1下部连接有支撑盒4,且支撑板1底面作为支撑盒4顶面,支撑盒4内底部设有球形漫反射镜5。支撑盒4左、右侧盒壁分别设有通光口6,支撑盒4盒底左、右侧分别水平连接有延伸台7,延伸台7远离支撑盒4的台沿分别转动连接有反射镜架8,反射镜架8的上表面嵌入有反射镜9,反射镜架8的下表面转动连接有支撑杆10。
利用光通孔3使光进入下部支撑盒内,然后通过球面漫反射镜5使光反射至底面的太阳能电池,可实现太阳能电池板的双面发电,同时侧部的通光口亦可作为补充光入口,提高了太阳能电池板整理利用率。
专利公开号:CN105830231A
专利名称:光伏结构
专利附图及技术内容:

壁10的表面的相当大的部分102不被光伏模块遮罩而允许入射辐射穿过所述壁。
传输至内部空间12的辐射的很大一部分至少部分地由壁11的反射面110回收,并指向双面电池,特别是指向双面电池的背面。
壁10由轻质且对于太阳辐射至少部分透明的材料制成。存在各种适合于该用途的材料:这些特别地包括特别是销售的商标名称为MylarTM的聚氨酯、聚对苯二甲酸乙二醇酯(PET),以及销售的商标名称为RivertexTM的工艺织物。
壁11可以通过在其面110上金属化的衬背形成。例如,可由透明的聚合物(例如PET、PMMA或PC)制成并涂覆有反射层。反射层有利地为金属层,例如铝或银。
专利公开号:CN105553415A
专利名称:一种利用地面反射进行光伏发电的系统和方法
专利附图及技术内容:

反射板2主要设置在光伏双面发电组件1的背面对应区域,用于接收太阳入射光,并将其反射至光伏双面发电组件1的背面,实现光伏双面发电组件1的背面吸光发电,另外该设置方式中,反射板2与水平地面角度的夹角β可自由可调,实现多种光特性(反射光、折射光和 散射光)的再利用,使得本发明伏双面发电组件1完全发挥双面发电的优势。
专利公开号:CN204465410U
专利名称:一种双面太阳能发电装置
专利附图及技术内容:

一种双面太阳能发电装置特别添加了数块三角形反光板2,所述三角形反光板2分别位于双面太阳能发电板3的下方,依次设置的三角形反光板2分别进行反光,提高了双面太阳能发电板3底面的光照强度,增加了发电的功率。
专利公开号:CN204465410U
专利名称:一种双面太阳能发电装置
专利附图及技术内容:

一种高效集光双面发电装置,包括集光装置、发电装置、和高透光钢化玻璃,其中发电装置和高透光钢化玻璃固定在集光装置的上方;所述的发电装置由双面光伏电池连接组成,所述的集光装置包括一块平面反射板3和两块曲面形反射板4、5,两块曲面形反射板固定在平面反射板的两侧。
其它利用反射板的专利技术


-
其它利用反射镜的专利技术

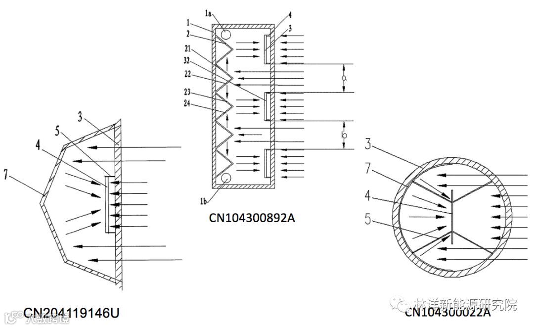
专利公开号:CN102656706A
专利名称:用于具有双面电池的光伏模块的反射装置
专利附图及技术内容:

双面光伏电池(2)下的反射模块(4),其基本与分隔两个相邻电池(2)或两排相邻电池的间隙(22)对齐。反射模块(4)包含:第一部分(41),其面向间隙(22)的表面具有第一曲率以将全部或部分入射光子传送到电池(2)的背面(21);和安装在第一部分(41)上的第二部分(42),其面向间隙(22)的表面具有第二曲率以将全部或部分入射光子传送到电池(2)的背面(21),41、42具有不同的曲率以使全部或部分光子可以被导向电池2的背面21。
长按二维码关注我们 ▶▶▶


