近日,由一建集团迭代研发的轨道焊接机器人2.0在前滩21地块项目正式亮相,成功完成空调水埋弧焊管道的焊接施工,焊接效率提升近2.6倍,弥补了磁吸焊接机器人无法焊接埋弧焊钢管的劣势,推动了一建集团管道焊接机器人体系建设。
轨道焊接机器人2.0
机电安装工程中,空调机房与空调水管道主干线都以大口径埋弧焊钢管为主,因其表面存在螺旋焊缝凸起,磁吸焊接机器人无法在管道表面行走。若使用传统手工焊接方式,焊接难度较大、焊接效率较低、焊接质量较差,且存在一定的安全隐患。
一建集团研发团队借鉴磁吸焊接机器人2.0的迭代研发经验,锁定市面上现有的轨道焊接机器人,展开了迭代研究。
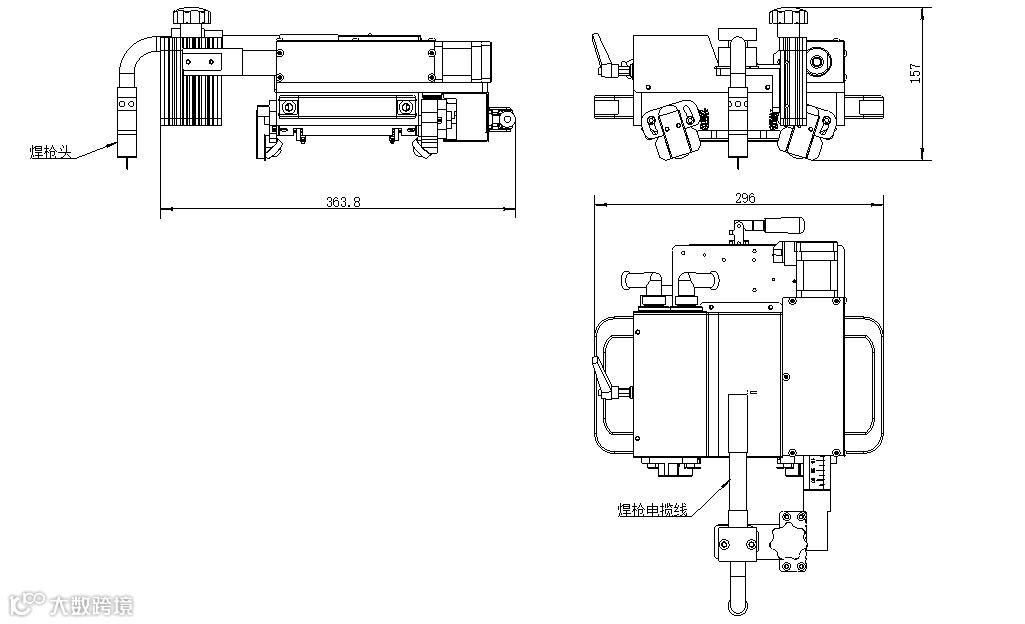
主机设计图
现有的轨道焊接机器人虽然适用不同规格的钢管,但其行走模块高9cm,焊接机器人本体高25cm,总高度达到34cm,难以应用至施工现场,同时要使其行走轨道完美贴合埋弧焊钢管的螺旋凸起焊缝,均需重新改造调整。
改造前的轨道焊接机器人
流畅
原机器人行走导轨未考虑埋弧焊管道表面焊缝,研发团队采用锰钢轨道、铝合金材质的可调节轨道支撑件重新设计轨道,通过调整支撑件上的六角螺丝垫高支撑件,有效避开管道凸起,保持轨道与管道的同心度,确保焊接小车行走流畅。
锰钢轨道
灵巧
为满足机器人行走空间的高度要求,结合磁吸焊接机器人的改版经验,研发团队对机器人焊枪进行扁平化设计。经多次优化建模、改进标高,将其行走空间高度从34厘米压缩至17厘米,迭代研发出轨道焊接机器人2.0,并在前滩21地块项目中成功应用。
高效
以空调水系统DN400埋弧焊管道为例,从焊接工时来看,传统手工焊接一圈需要105分钟,而迭代升级后的轨道焊接机器人2.0仅需40分钟,焊接工时节省约62%。从焊接效率来看,传统手工焊接为6米/天,而轨道式焊接机器人2.0可达到15.8米/天,焊接效率提升近2.6倍。
一体化
考虑到焊接机器人使用配件多、较零散,研发团队设计出“一体式推车”,将焊接机器人本体、附属零配件“化零为整”;对气瓶进行轻量化、小型化升级,并在推车外单独设置混合气瓶固定点,大幅提升了运输灵活性、使用便捷性和安全性。
一体式推车
一年来,两款焊接机器人先后在前滩21地块、新嘉中心、成都交子公园、合肥光源等七个不同项目上得到应用,通过经验数据的总结分析,形成了不同管径及壁厚下所需的焊接参数表,简化了焊接调试步骤,进而编制形成了具有教学指导作用的《焊接机器人作业指导书》。
磁吸焊接机器人2.0与轨道焊接机器人2.0的先后诞生,在空调水管道的焊接工作上形成互补,不仅适用于DN150-350的焊接钢管、无缝钢管,也满足了DN400以上的埋弧焊钢管,充分拓展了焊接机器人的使用场景,为满足空调水管道全自动焊接作业奠定了坚实的基础。一建集团研发团队将继续致力于管道焊接机器人的体系建设,打造覆盖管道焊接全应用场景的智能机器人,高效推进工程建设。
资料来源:安装工程公司
编辑:江彧、罗洋、陈臻灏、严子贵

