搜索
首页
大数快讯
大数活动
服务超市
文章专题
出海平台
流量密码
出海蓝图
产业赛道
物流仓储
跨境支付
选品策略
实操手册
报告
跨企查
百科
导航
知识体系
工具箱
更多
找货源
跨境招聘
DeepSeek
首页
>
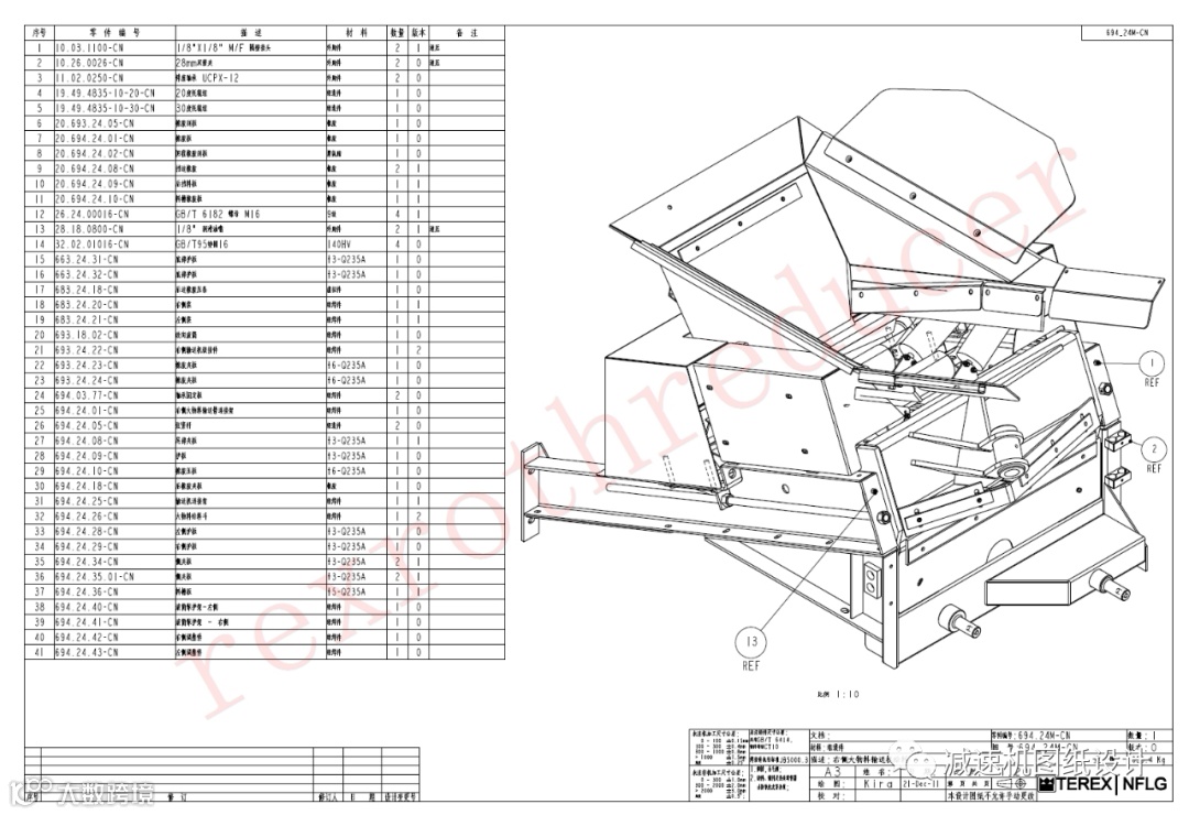
【882】TEREX特雷克斯694履带筛分全套中文版原版生产图纸
>
0
0
【882】TEREX特雷克斯694履带筛分全套中文版原版生产图纸
减速机破碎机图纸设计
2021-05-22
0
导读:专业提供TEREX特雷克斯694履带筛分全套中文版原版生产图纸。因为专业,所以信赖。
专业提供TEREX特雷克斯694履带筛分全套中文版原版生产图纸
因为专业,所以信赖。
有需求请联系作者
因为专业,所以信赖。
更多详情,请点击http://rexrothreducer.com
或点击下面“
阅读原文
”
【声明】内容源于网络
0
0
减速机破碎机图纸设计
专业提供工程机械上用的减速机图纸(主要针对力士乐、布雷维尼、邦飞利、欧开、ZF等国外品牌的减速机)及破碎机图纸(主要针对美卓、特雷克斯、山特等国外品牌破碎机)的技术图纸指导服务。http://rexrothreducer.com
内容
97
粉丝
0
关注
在线咨询
减速机破碎机图纸设计
专业提供工程机械上用的减速机图纸(主要针对力士乐、布雷维尼、邦飞利、欧开、ZF等国外品牌的减速机)及破碎机图纸(主要针对美卓、特雷克斯、山特等国外品牌破碎机)的技术图纸指导服务。http://rexrothreducer.com
总阅读
60
粉丝
0
内容
97
在线咨询
关注