SCHENCK申克香蕉形振动筛图纸SLD3673/4385(双层)
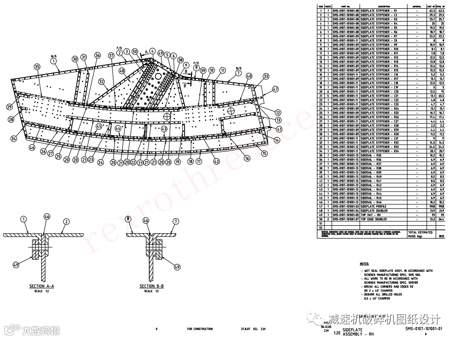
一、以下以申克香蕉筛SLD3673(双层)型号为例,文件展示如下:






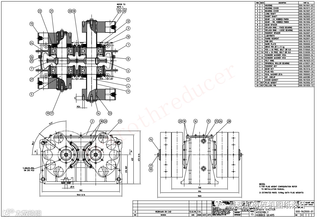
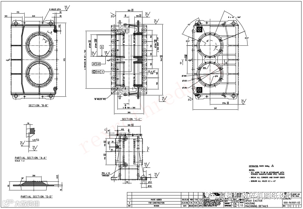
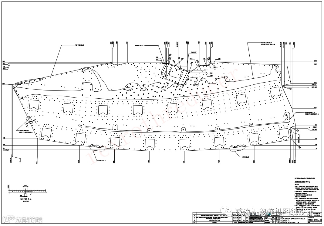
二、以下以申克香蕉筛SLD4385(双层)型号为例,文件展示如下:






三、其它型号不再一一展示,详情请咨询。
有需求请联系作者


因为专业,所以信赖。
减速机破碎机图纸设计SCHENCK申克香蕉形振动筛图纸SLD3673/4385(双层)
一、以下以申克香蕉筛SLD3673(双层)型号为例,文件展示如下:






二、以下以申克香蕉筛SLD4385(双层)型号为例,文件展示如下:






三、其它型号不再一一展示,详情请咨询。
有需求请联系作者


因为专业,所以信赖。