大数跨境
0
0

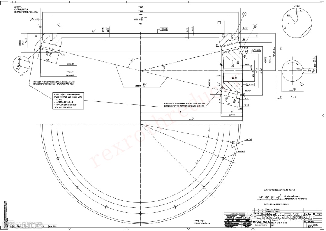
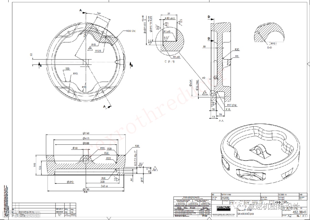
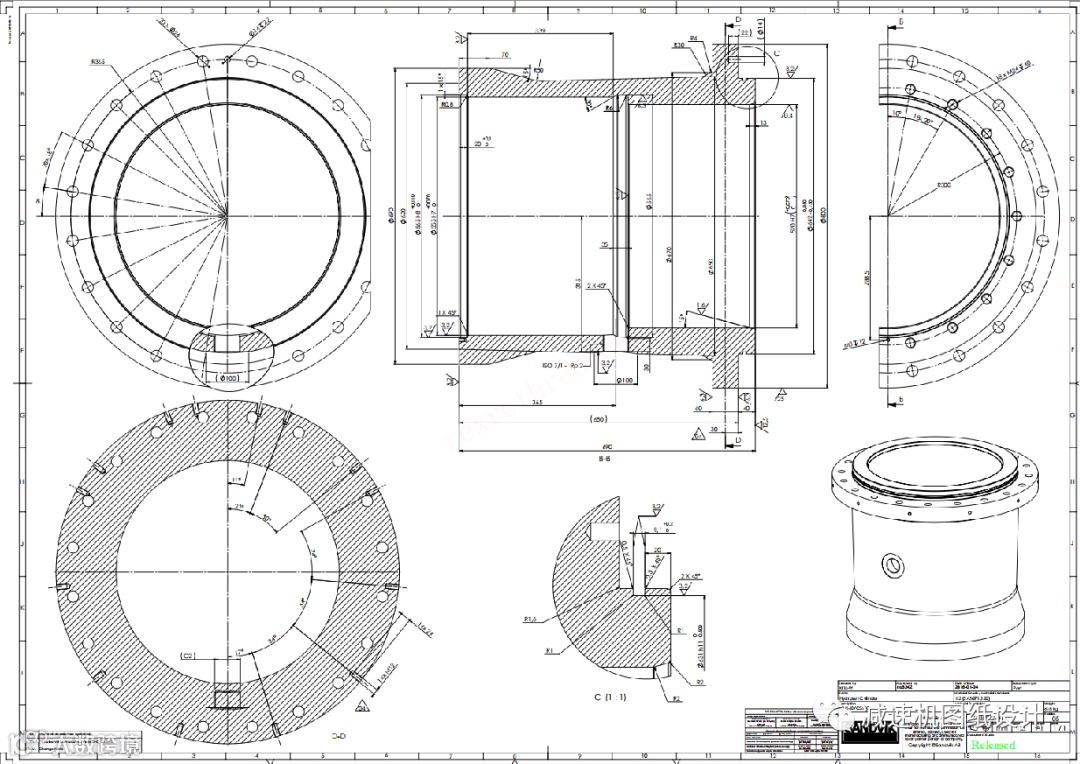
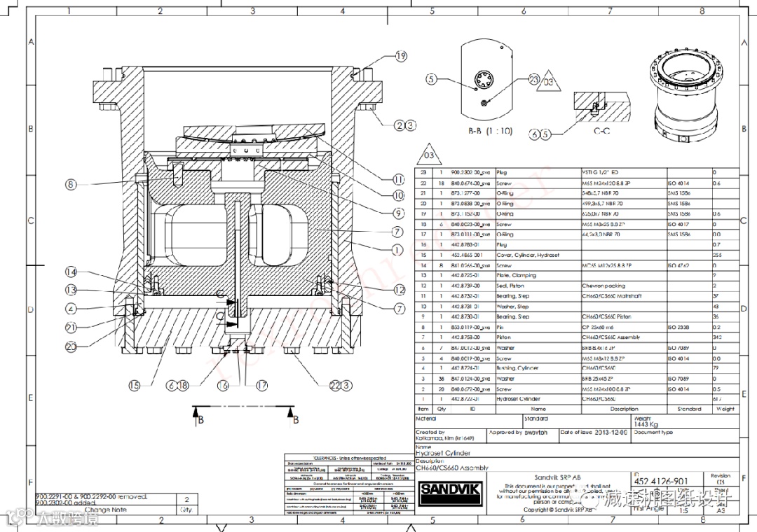
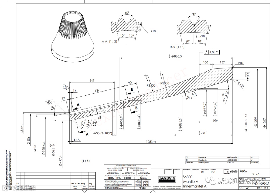
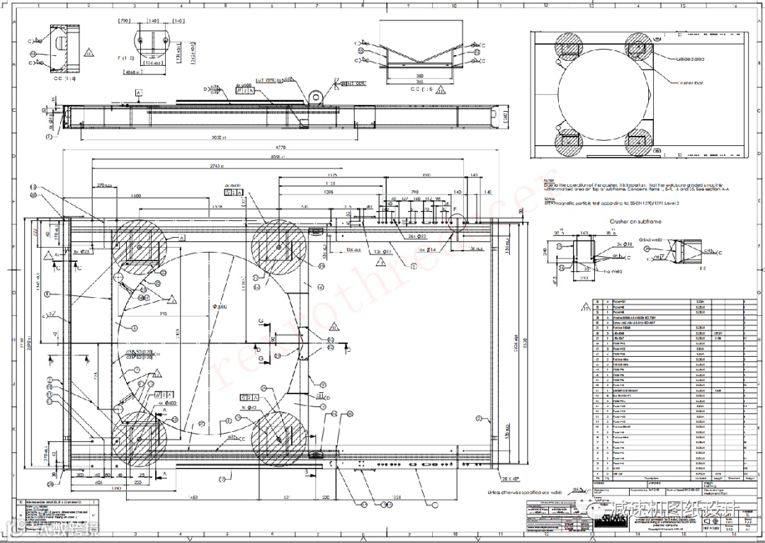
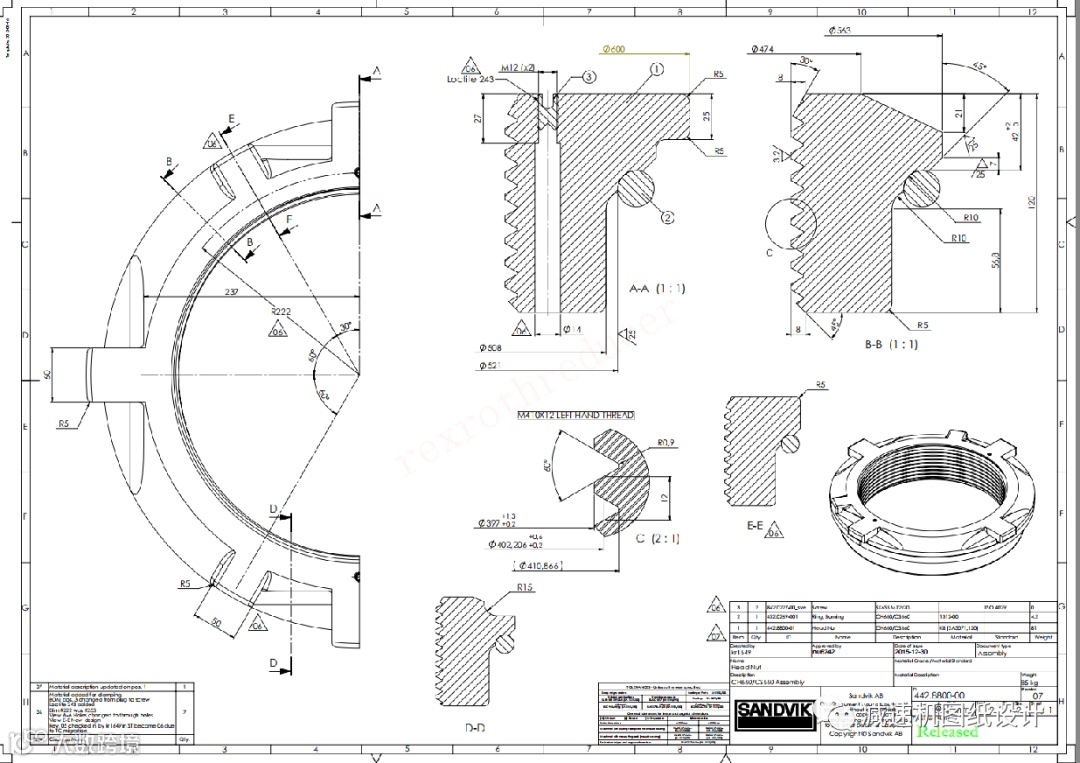
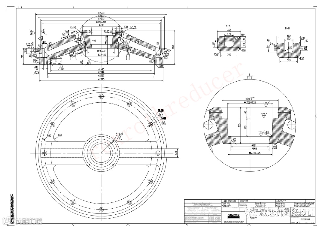
【865】SANDVIK山特维克新款CH.S660破碎机全套欧式原版生产英文图纸

【865】SANDVIK山特维克新款CH.S660破碎机全套欧式原版生产英文图纸 减速机破碎机图纸设计
2021-04-11
0
导读:SANDVIK山特维克新款CH.S660破碎机全套欧式原版生产英文图纸因为专业,所以信赖。有需求请联系作者

SANDVIK山特维克新款CH.S660破碎机全套欧式原版生产英文图纸



因为专业,所以信赖。


有需求请联系作者

 

因为专业,所以信赖。

更多详情,请点击http://rexrothreducer.com

或点击下面“阅读原文

【声明】内容源于网络
0
0
减速机破碎机图纸设计
专业提供工程机械上用的减速机图纸(主要针对力士乐、布雷维尼、邦飞利、欧开、ZF等国外品牌的减速机)及破碎机图纸(主要针对美卓、特雷克斯、山特等国外品牌破碎机)的技术图纸指导服务。http://rexrothreducer.com
内容 97
粉丝 0
减速机破碎机图纸设计 专业提供工程机械上用的减速机图纸(主要针对力士乐、布雷维尼、邦飞利、欧开、ZF等国外品牌的减速机)及破碎机图纸(主要针对美卓、特雷克斯、山特等国外品牌破碎机)的技术图纸指导服务。http://rexrothreducer.com
总阅读60
粉丝0
内容97