专业提供TEREX特雷克斯履带鄂破移动破碎站J1160(J1160CN)和J1175(J1175E)和J1480(J1480E)全套中文版原版生产图纸

一、以下以J1160+J1160CN型号为例,图纸文件展示如下:





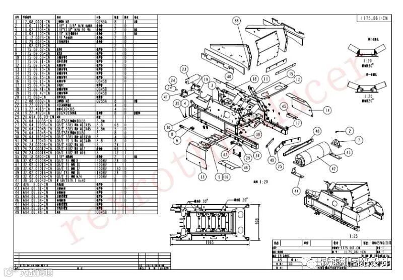
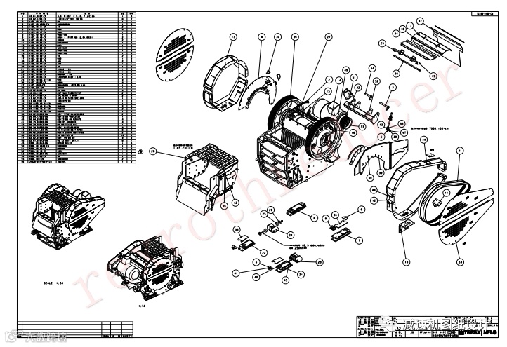
二、以下以J1175+J1175E型号为例,图纸文件展示如下:










三、以下以J1480+J1480E型号为例,图纸文件展示如下:







四、其它型号不再一一展示,详情请咨询。
因为专业,所以信赖。
有需求请联系作者


因为专业,所以信赖。
更多详情,请点击http://rexrothreducer.com
或点击下面“阅读原文”

