
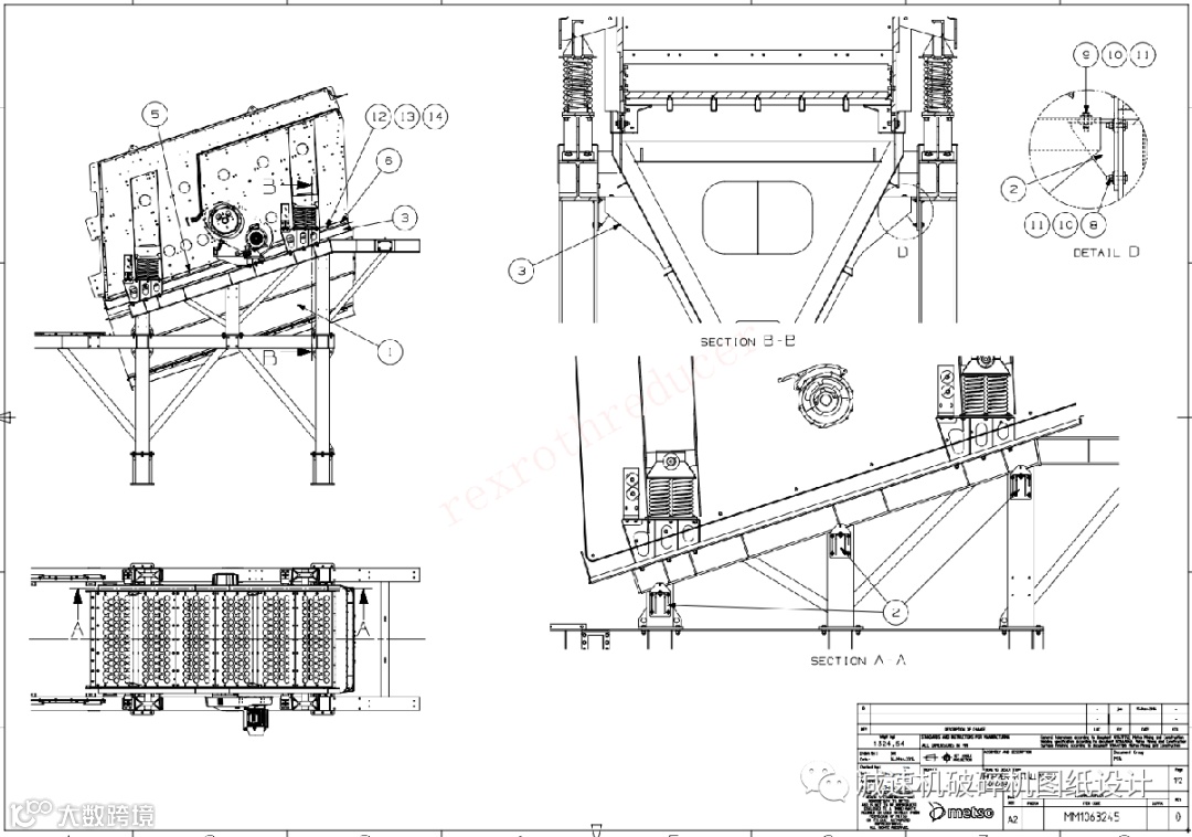
专业提供MESTO美卓斜面振动筛图纸CVB102/103/104/202/203、204/302/303/304/402/403/502/602/603/CVB2060



一、以下以CVB102型号图纸文件展示如下:





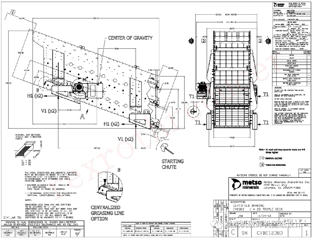
二、以下以CVB103型号图纸文件展示如下:



三、以下以CVB104型号图纸文件展示如下:



四、以下以CVB202型号图纸文件展示如下:



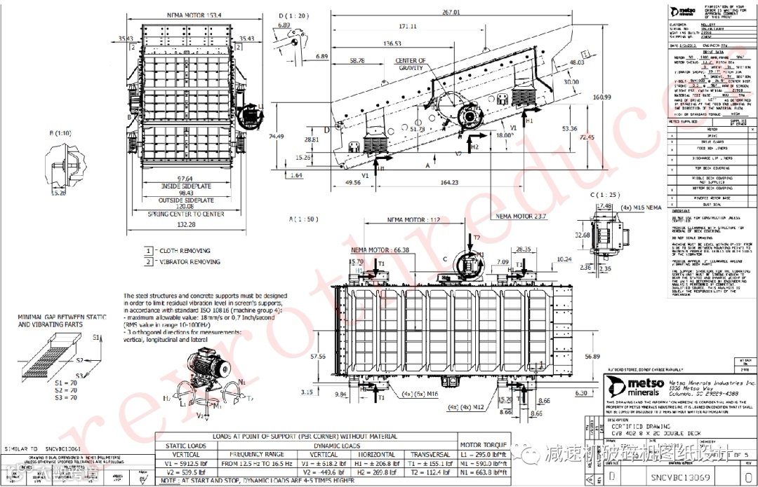
五、以下以CVB203型号图纸文件展示如下:



六、以下以CVB204型号图纸文件展示如下:



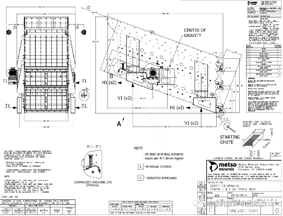
七、以下以CVB302型号图纸文件展示如下:


八、以下以CVB303型号图纸文件展示如下:



九、以下以CVB304型号图纸文件展示如下:


十、以下以CVB402型号图纸文件展示如下:



十一、以下以CVB403型号图纸文件展示如下:




十二、以下以CVB502型号图纸文件展示如下:


十三、以下以CVB602型号图纸文件展示如下:



十四、以下以CVB603型号图纸文件展示如下:





十五、其它型号不再一一介绍,详情请咨询。
有需求请联系作者


因为专业,所以信赖。
更多详情,请点击http://rexrothreducer.com
或点击下面“阅读原文”

