搜索
首页
大数快讯
大数活动
服务超市
文章专题
出海平台
流量密码
出海蓝图
产业赛道
物流仓储
跨境支付
选品策略
实操手册
报告
跨企查
百科
导航
知识体系
工具箱
更多
找货源
跨境招聘
DeepSeek
首页
>
NST10-G1星敏感器接口数据图
>
0
0
NST10-G1星敏感器接口数据图
天银星际
2021-07-09
0
导读:NST10-G1星敏感器是一款全自主、纳型高精度姿态敏感器,高达10°/s的动态性能,满足卫星超高动态要求。
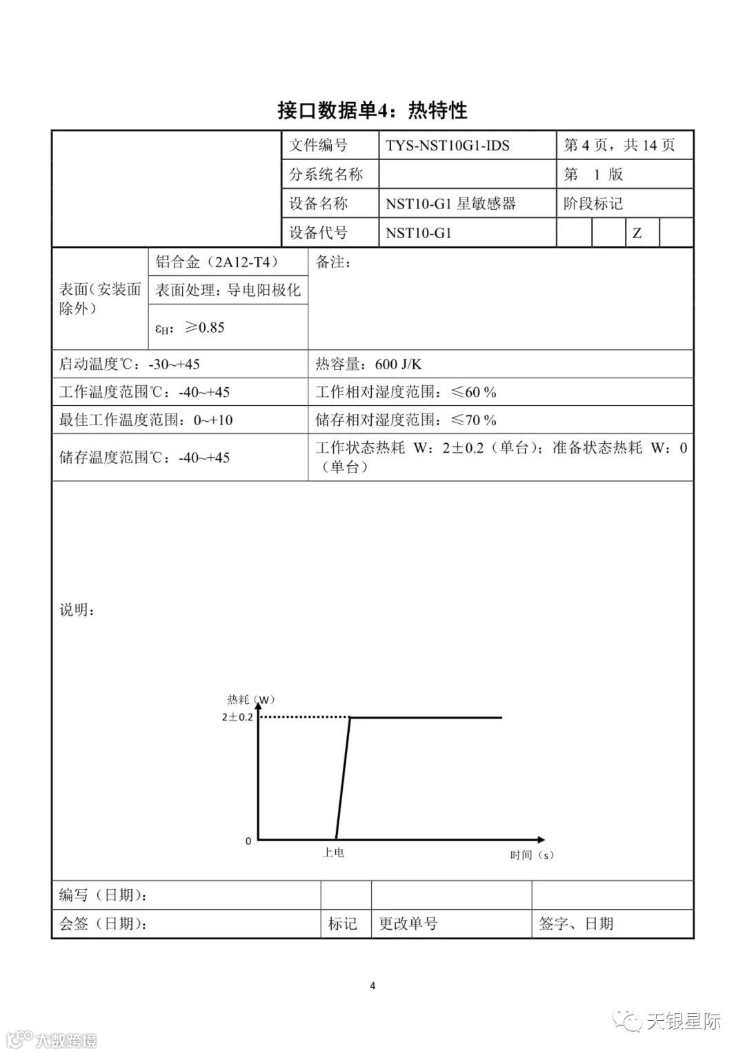
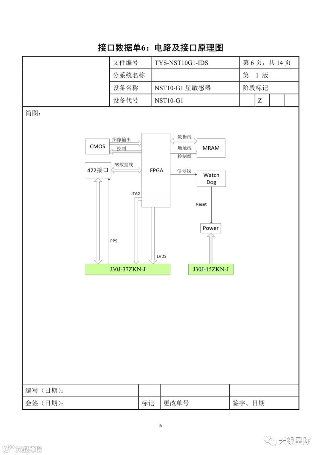
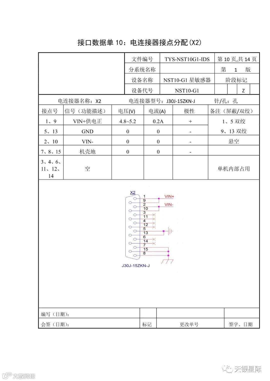
NST10-G1星敏感器
是一款全自主、纳型高精度姿态敏感器,高达
10
°
/s
的动态性能,满足卫星超高动态要求。
长按图片识别二维码
北京
天银星际
关注天银星际公众号获取更多信息
【声明】内容源于网络
0
0
天银星际
北京天银星际官方公众号
内容
166
粉丝
0
关注
在线咨询
天银星际
北京天银星际官方公众号
总阅读
39
粉丝
0
内容
166
在线咨询
关注