搜索
首页
大数快讯
大数活动
服务超市
文章专题
出海平台
流量密码
出海蓝图
产业赛道
物流仓储
跨境支付
选品策略
实操手册
报告
跨企查
百科
导航
知识体系
工具箱
更多
找货源
跨境招聘
DeepSeek
首页
>
HST系列星敏感器——HST-A1
>
0
0
HST系列星敏感器——HST-A1
天银星际
2024-07-11
0
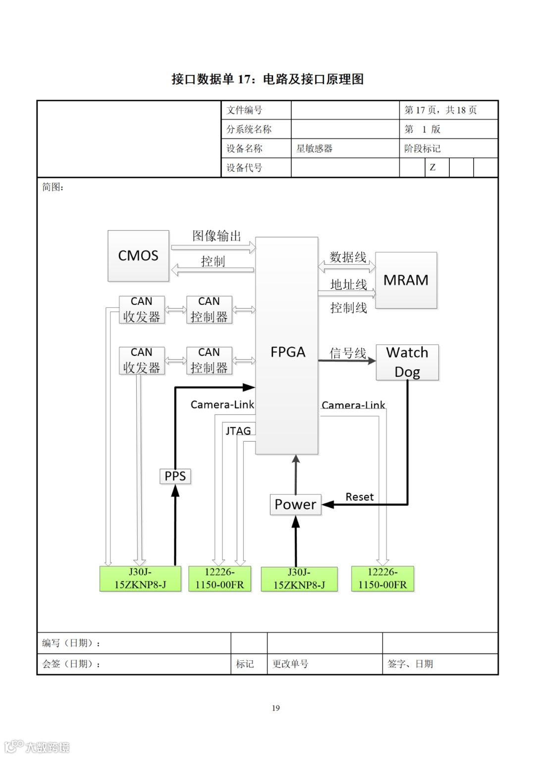
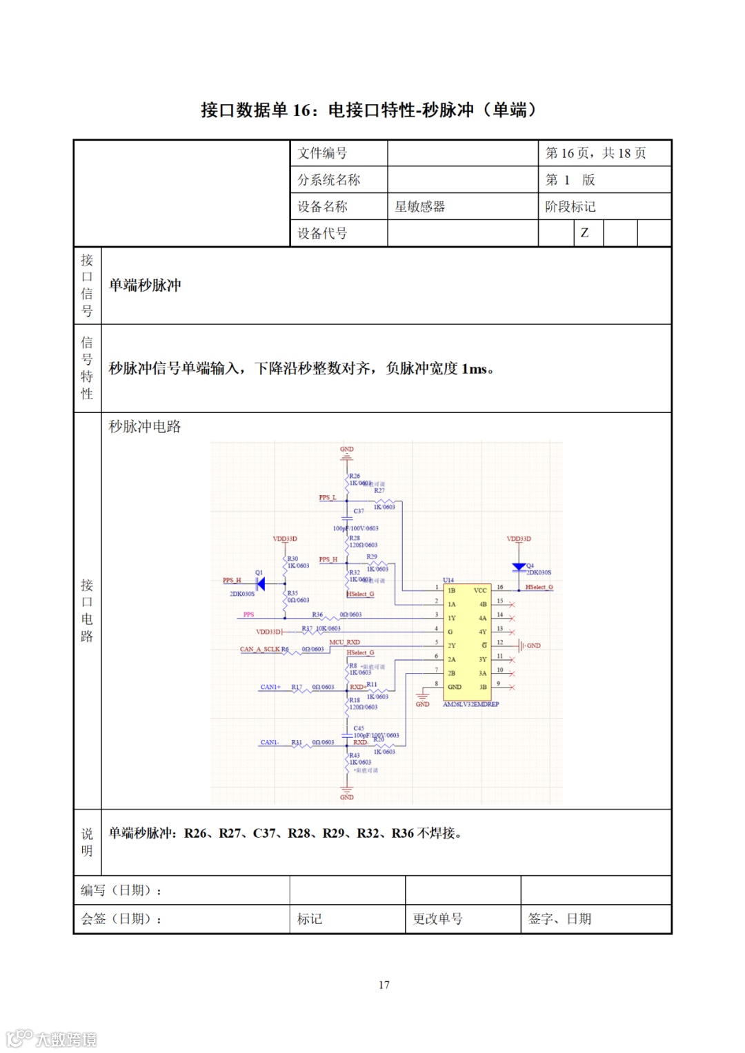
导读:HST-A1 是一款全自主高精度姿态敏感器,精度高达 0.3"[3σ],满足卫星超高精度定姿需求;星敏感器探测
HST-A1 是一款全自主高精度姿态敏感器,精度高达 0.3"[3σ],满足卫星超高精度定姿需求;星敏感器探测星等达到 12Mv,视场 5.5°。
【声明】内容源于网络
0
0
天银星际
北京天银星际官方公众号
内容
166
粉丝
0
关注
在线咨询
天银星际
北京天银星际官方公众号
总阅读
70
粉丝
0
内容
166
在线咨询
关注