
通过安全检查,发现一些安全问题多次重复出现,尤其是悬挑式物料钢平台和卸料平台处的工字钢的埋设问题,为贯彻落实“安全第一、预防为主、综合治理”的方针,进一步提高工程安全管理水平,防范事故的发生,特此进行宣贯 。
一、悬挑式物料钢平台
(一)存在的问题
1、未编制专项施工方案或未经设计计算;
2、悬挑式钢平台的下部支撑系统或上部拉结点, 未设置在建筑结构上;
3、斜拉杆或钢丝绳未按要求在平台两侧各设置两道;
4、 钢平台未按要求设置固定的防护栏杆或挡脚板;
5、钢平台台面铺板不严或钢平台与建筑结构之间铺板不严;
6、未在平台明显处设置荷载限定标牌;
7、钢丝绳未拉紧,钢丝绳连接不规范;
8 、主要是悬挑式物料钢平台处未预埋工字钢,导致悬挑式物料钢平台处外架立杆间距偏大。



(二)防治措施
1、悬挑式物料钢平台的制作、安装应编制专项施工方案,并应进行设计计算;
2、悬挑式物料钢平台的下部支撑系统或上部拉结点,应设置在建筑结构上;
3、斜拉杆或钢丝绳应按规范要求在平台两侧各设置前后两道;
4、钢平台两侧必须安装固定的防护栏杆,并应在平台明显处设置荷载限定标牌;
5、钢平台台面、钢平台与建筑结构间铺板应严密、牢固。
6、在平台明显处设置荷载限定标牌;
7、钢丝绳拉紧,钢丝绳规范连接
8、主要是悬挑式物料钢平台处预埋工字钢,等悬挑式物料钢平台上移以后,再固定预埋处的工字钢,补上外架立杆。















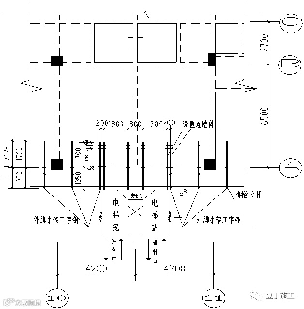
二、施工电梯卸料平台
(一)常见问题
施工升降机卸料平台处常见工字钢埋设不规范,导致卸料平台与外架未分开。




(二)优化措施

施工电梯卸料平台平面布置图













长按下方二维码→识别关注

