大数跨境
0
0

不懂三级配电、二级保护,你安全怎么干?100张工地用电隐患图!附临时用电安全隐患检查汇总PPT!

不懂三级配电、二级保护,你安全怎么干?100张工地用电隐患图!附临时用电安全隐患检查汇总PPT! 工程平台
2020-05-02
2

☞美国彻底慌了!中囯发出最狠反击,全世界一片哗然!

材:建筑安全技术与管理、筑龙论坛

如有侵权,请联系删除


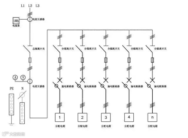
1.三级配电二级漏保总体要求

★ 施工现场配电系统应采用三级配电、二级漏电保护系统;

★ 用电设备必须有各自专用的开关箱;

★ 漏电保护器参数应匹配并灵敏可靠;

★ 总配电箱与开关箱应安装漏电保护器分配电箱与开关箱、开关箱与用电设备的距离应符合规范要求;



三级配电、二级漏电保护系统参考图例
2. 总配电箱设置

★ 箱体结构、箱内电器设置及使用应符合规范要求。

★ 配电箱、开关箱电器可靠、完好,进出线整齐。


设置要求:

1、总配电箱以下可设若干分配电箱,分配电箱以下可设若干开关箱;总配电箱应设在靠近电源的区域,分配电箱应设在用电设备或负荷相对集中的区域,分配电箱与开关箱的距离不得超过30m,开关箱与其控制的固定式用电设备的水平距离不宜超过3m。

2、开关箱中漏电保护器的额定漏电动作电流不应大于30mA,额定漏电动作时间不应大于0.1s;使用于潮湿和有腐蚀介质场所的漏电保护器应采用防溅型产品,其额定漏电动作电流不应大于15mA,额定漏电动作时间不应大于0.1s。

3、总配电箱中漏电保护器的额定漏电动作电流应大于30mA,额定漏电动作时间应大于0.1s,但其额定漏电动作电流与额定漏电动作时间的乘积不应大于30mA•s。

3. 分配电箱、开关箱设置

★ 箱体结构、箱内电器设置及使用应符合规范要求。

★ 配电箱、开关箱电器可靠、完好,进出线整齐。



开关箱示意图

设置要求:

1、配电箱、开关箱应采用冷轧钢板或阻燃绝缘材料制作,钢板厚度应为1.2~2.0mm,其中开关箱箱体钢板厚度不得小于1.2mm,配电箱箱体钢板厚度不得小于1.5mm,箱体表面应做防腐处理。

2、配电箱、开关箱的进、出线口应配置固定线卡,进出线应加绝缘护套并成束卡固在箱体上,不得与箱体直接接触。移动式配电箱、开关箱的进、出线应采用橡皮护套绝缘电缆,不得有接头

3、配电箱、开关箱外形结构应能防雨、防尘。

4、配电箱、开关箱内的电器必须可靠、完好,严禁使用破损不合格的电器。

5、总配电箱的电器具备电源隔离,正常接通与分断电路,以及短路、过载、漏电保护功能。

6、当总路设置总漏电保护器时,还应装设总隔离开关、分路隔离开关以及总断路器、分路断路器或总熔断器、分路熔断器。当所设总漏电保护器同时具备短路过载漏电保护功能的漏电断路器时,可不设总断路器或总熔断器。

7、当各分路设置分路漏电保护器时,还应装设总隔离开关、分路隔离开关以及总断路器、分路断路器或总熔断器、分路熔断器。当分路所设漏电保护器是同时具备短路、过载、漏电保护功能的漏电断路器时,可不设分路断路器或分路熔断器。

8、熔断器应选用具有可靠灭弧分断功能的产品。

9、总开关电器的额定值、动作整定值应与分路开关电器的额定值、动作整定值相适应。

10、总配电箱应装设电压表、总电流表、电度表及其他需要的仪表。装设电流互感器时,其二次回路必须与保护零线有一个连接点,且严禁断开电路。

11、分配电箱应装设总隔离开关、分路隔离开关以及总断路器、分路断路器或总熔断器、分路熔断器。其设置和选择应符合前面总配电箱的要求

12、开关箱必须装设隔离开关、断路器或熔断器,以及漏电保护器。

13、配电箱、开关箱的电源进线端严禁采用插头和插座活动连接。

14、对配电箱,开关箱进行定期检查、维修时,必须将其前一级相应的电源隔离开关分闸断电,并悬挂“禁止合闸、有人工作”停电标志牌,严禁带电作业。

4. 其他安装注意事项

隔离开关箱设置要求:

隔离开关应设置于电源进线端,应采用分断时具有可见分断点,并能同时断开电源所有极的隔离电器。如采用分断时具有可见分断点的断路器,可不另设隔离开关。

★ 配电箱必须分设工作零线零线端子板的设置及连接应符合规范要求。


设置要求:

配电箱的电器安装板上必须设N线端子和PE线端子板。N线端子板必须与金属电器安装板绝缘;PE线端子板必须与金属电器安装板做电器连接。

进出线中的N线必须通过N线端子板连接;PE线必须通过PE线端子板连接。

★ 箱体安装位置、高度及周边通道应符合规范要求。

设置要求:

1、配电箱、开关箱应装设在干燥通风及常温场所。

2、配电箱、开关箱周围应有足够2人同时工作的空间和通道,不得堆放任何妨碍操作、维修的物品;不得有灌木杂草。

3、配电箱、开关箱应装设端正、牢固;固定式配电箱、开关箱的中心点与地面的垂直距离应为1.4~1.6m;移动式配电箱、开关箱应装设在坚固的支架上,其中心点与地面的垂直距离宜为0.8~1.6m。

★ 箱体应设置系统接线图和分路标记;

★ 箱体应设有门、锁及防雨措施。

设置要求:

1、配电箱、开关箱应有名称、用途、分路标记及系统接线图。

2、配电箱、开关箱箱门应配锁,并应由专人负责。

超强整理:100张工地用电安全隐患图丨附依据,全部看懂你就是专家!


图一


1、配电箱内主线混乱,有并联现象 

2、分闸一闸多接 

3、左侧接线不合理,不符合接线要求 

4、接地线颜色不符合用地按要求,非PE线  

参考标准:GB50484- 4.4.4用电设备应执行“一机一闸一保护”控制保护的规定。严禁一个开关控制两台(条)及以上用电设备(线路);更多关于临时用电:【临时用电】关于临时用电,你看这里就够用了!



图二


1、无防雨措施,缺少配电箱,直接放在地面

2、不符合一机一闸一保护要求

3、刀闸不符合安全用电要求,主要原因铜片部分露在外面

4、右侧刀闸缺少保护罩,左侧刀闸接线不符合规范要求

5、接线无主开关

6、配电盘的绝缘板非电木板

7、无PE线连接点

8、整体配电盘不符合要求,属报废性质

参考标准:GB50484-4.4.2分配电箱应装设总隔离电器、总断路器和分路隔离电器、分路漏电断路器。4.4.9其外形结构应能防雨。4.4.4用电设备应执行“一机一闸一保护”控制保护的规定。 根据GB 50054-1995的规定,刀闸存有铜芯外露,不得在工业上使用。



图三


1、电缆线为架设离地面或者埋地保护 

2、PE线使用附加线,拖拉电缆线时强度不够  

参考标准:GB50484-4.3.8电缆穿越道路时应采用坚固的保护管,管径不得小于电缆外径的1.5倍,管口应密封。4.3.4电缆线路不得沿地面直接敷设,不得浸泡在水中


图四


1、电缆线未加过路防护  

2、钢板压在电缆线上  

3、基坑无防护 

参考标准:GB50484-4.3.8电缆穿越道路时应采用坚固的保护管,管径不得小于电缆外径的1.5倍,管口应密封。4.3.4电缆线路不得沿地面直接敷设,不得浸泡在水中


图五


1、电缆线使用铁丝固定  

2、电缆线和钢结构在一起无隔离措施  

3、电缆线直接在钢梁上铺设  

参考GB50484-4.3.5电缆与支架之间应采用绝缘物可靠隔离,绑扎线应采用绝缘线。



图六


1、电机缺少防雨罩,无绝缘措施  

2、三条相线直接和电机线绕在一起,固定不牢  

3、无外壳接地  

参考标准:GB50484-4.3.9电缆接头应进行绝缘包扎,并应采取防雨和保护措施。电缆接头不得设置于地下。


图七


1、配电箱门板损坏  

2、主漏保缺少隔离开关  

3、分漏保缺少隔离开关  

4、使用民用插座插头  

5、主漏保一闸多接  

6、PE线未接  

7、主漏保未控制分漏保 

8、电源线不能从箱门口进入    

参考标准:GB50484-4.4.2分配电箱应装设总隔离电器、总断路器和分路隔离电器、分路漏电断路器。4.4.9其外形结构应能防雨。

4.4.4用电设备应执行“一机一闸一保护”控制保护的规定。严禁一个开关控制两台(条)及以上用电设备(线路)

图八


1、电焊机接地线未固定  

2、使用螺纹钢做接地极  

3、焊机一次线外皮破损  

4、接地线非PE线   

参考标准:GB50484-4.5.14 垂直接地体应采用角钢、钢管或圆钢。接地线与垂直接地体连接方法可采用焊接、压接或螺栓连接,螺栓连接应用镀锌螺栓并有镀锌平垫及弹簧垫,螺栓不得埋入地面下。 接地极参考标准:JGJ46-5.3.4


图九


1、电源线直接和碘钨灯管接在一起  

2、草坪灯使用铁丝固定在角钢上,无绝缘措施  

参考标准:JGJ46-10.3.5碘钨灯及钠、铊、铟等金属卤化物灯具的安装高度宜在3m以上,灯线应固定在接线柱上,不得靠近灯具表面。


图十


1、使用民用插盘  

2、插线盘缺少漏电保护器  

3、民用插盘有触电的火花斑迹 

4、以上图片的用电插盘不适用于施工现场  

参考标准:GB50484-4.1.9临时用电设备应进行检查和试验,确认合格并标识后方可使用;更多关于临时用电:【临时用电】关于临时用电,你看这里就够用了!



建筑工程精品公众号推荐

长按下方二维码→识别关注

【声明】内容源于网络
0
0
工程平台
工程人交流、学习、发布工程信息平台
内容 4185
粉丝 0
工程平台 工程人交流、学习、发布工程信息平台
总阅读2.5k
粉丝0
内容4.2k