
源自 | 中南资料
一、深化思路
针对模板分项工程中易出现的质量通病以及施工过程中暴露出的各种质量问题,进行重要节点的深化。
将二次结构与主体结构施工相结合,经过深化,将部分过梁、构造柱等二次构件融入到主体结构中一次成型,以达到加快二次结构工期、降本增效的目的。
料具配备:竖向配1套、水平配2套(冬施配2.5套)、侧模配1套,采用模板早拆体系,实现梁不拆、板拆除,减少模板投入,提高周转率。
结合公司颁布的“质量工艺标准化手册”,将质量工艺落到实处。
通过对绘制配模图,做到模板工厂化加工,使模板配置达到工厂化、标准化、节约化的目的。
二、材料选型
模板
剪力墙、柱、梁及平板模板建议选用绿模板或黑模板。

龙骨
剪力墙、柱模板竖楞及板模板下方应采用50方管或50×100mm的木方加固。

支撑架
楼板支撑体系推荐采用碗扣架或插销式轮扣架作为模板支撑体系,不得使用门式架作为支撑体系。

加固料具
优先采用高强、高效加固支撑体系,减少常规木方、钢管用量,降低涨模、跑模风险,提升结构成型质量和经济效益。

定型模板
三小间吊模——型钢拼装式定型吊模
用50mm×100mm槽钢拼制定型模板,并用对拉螺杆连接成一个整体。拐角部位槽钢均切割成45°和135°角进行连接,直三角钢板与槽钢螺栓连接固定。

三、加工准备
深化要点
施工前应按设计图及专项方案进行图纸深化,绘制柱、墙、梁板配模图,经项目总工审核无误后,将配模图张贴在模板加工场指导模板加工。
模板设计时尽可能用整板,因开间尺寸原因不可避免需采用小板时,应控制小板短边尺寸不得小于100mm,且小板应排在中间位置,避开边、角部位用小板。
模板分割排版时,应充分考虑余料的利用,减少加工损耗率。
梁底应考虑梁侧模夹梁底模,板底模压梁侧模,梁底模宜比设计尺寸小3mm,以抵消混凝土浇筑过程中微胀模引起的误差。
柱、墙模板配制时必须是长边包短边,短边封头模板宜比设计尺寸小3mm, 以抵消混凝土浇筑过程中微胀模引起的误差。长边模板宜比封头模板长50mm,安装时封头模板两竖向边平钉木方作背楞,长边模板钉在封头模板背楞上,保护封头模板边不被定坏,提高封头模板周转次数。
配模图(墙柱)
模板拼接排版图:确定模板平面布置,纵横龙骨规格、数量、排列尺寸,柱箍选用的型式和间距,梁板支撑间距,梁、柱节点、主次梁节点大样。

配模图(板)

早拆图
早拆体系:采用“可调型组装式模板早拆柱头”与模板支撑体系组成的独立支撑体系,独立支撑体系与其余模板体系分离,实现模板早拆。

交底培训
作业前组织作业人员进行交底培训,使班组及工人了解施工要求和标准。

机械设备
采用精密木工机床裁切模板,确保加工尺寸,减少模板偏差。

集中钻孔
墙柱模板在集中加工场统一弹线钻洞,统一对拉螺杆间距,模板尺寸为1830×915×18,每张板为8个孔,板中孔间距为45.7cm,孔距板边为22.8cm。

尺寸统一
旧木方或者规格不统一的木方使用前应过刨,保证截面尺寸一致。

四、深化工艺
深化清单


阴阳角模
阴角部位宜采用阴角模或山型卡加固,有效的防止胀模,禁止使用扣件加固;转角模板内两侧均匀设置水泥内撑条,控制模板截面尺寸。

梁墙节点
跨梁部位模板安装加固时,水平方木或槽钢应通长或伸入梁侧模100~150mm,确保跨梁部位模板平整度。

扫地杆、剪刀撑
模板支架必须设置扫地杆;纵横5~8m设置连续竖向剪刀撑(高支模时必须设置水平剪刀撑,距离架体底部≤8m)

深梁模板优化
当梁深(宽)较大时,应待梁钢筋绑扎完成后封闭梁两侧模板,提高梁钢筋绑扎质量,同时应避免采用塔吊落梁而发生安全事故。

外墙模板下包
外围墙柱模板安装时须下挂200mm,距楼层面以下100mm 处预埋螺杆,待上部支模前,先贴好双面胶,底部与外接螺杆连接,拧紧加固,防止错台现象,防止漏浆。

剪力墙端模板加固
当采用普通钢管体系时,剪力墙的封头板易胀模,通过以下方法可形成加固体系,增强模板刚度。

后浇带优化
当有止水钢板时采用快易收口网加固后浇带,后浇带浇筑前进行全封闭。

无止水钢板时,后浇带模板上部支设侧模与钢筋位置锯槽吻合,安装牢固。


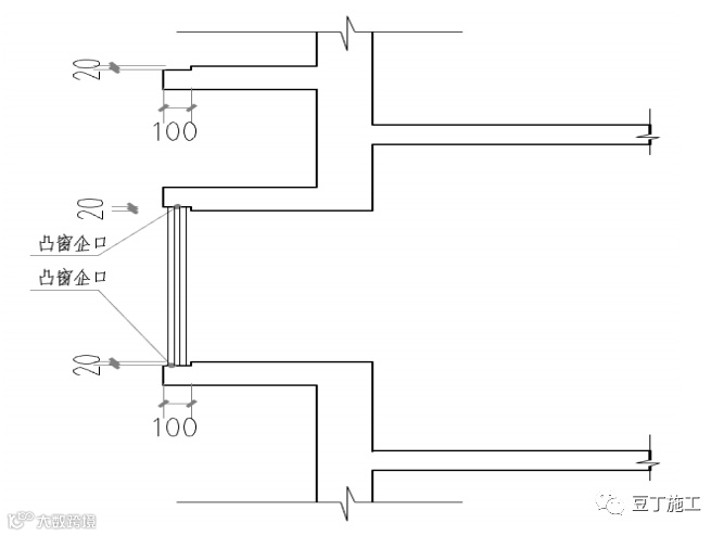
窗安装企口优化
飘窗结构施工中,预留20mm企口,用于窗框安装,减小渗水风险。

梁侧模加固
梁高> 600mm 时, 侧模板安装先安装一边, 等梁钢筋绑扎完毕后再进行另一侧梁模板的安装;加设对拉螺杆固定模板。

导墙模板
防水导墙模板支设采用定型夹具,间距 600mm ,夹具上口用模板条进行宽度限位。

封闭楼梯模板
封闭式楼梯支模:在踏面上进行模板封闭以确保踏步的几何尺寸准确、不变形,同时也保证了楼梯钢筋不被踩坏、混凝土的振捣充分,但模板必须开排气口。

吊模
楼面高差部位:在高低跨处焊定型马凳,控制水平标高及轴线位置,根据不同的高度选用不同的马凳,吊模采用50mm×100mm槽钢制作。

烟、风道模板
烟、风道预留洞口采用封盖模板,并在拆模时保留,避免产生二次防护工作。

构造柱及过梁优化
对二次结构的部分构造柱、距梁底小于300mm的过梁,提前做好图纸深化,与结构一次浇筑成型,以提高成型质量及减少二次结构工作量,提高施工效率。


长按下方二维码→识别关注




