
来源:每日安全生产等
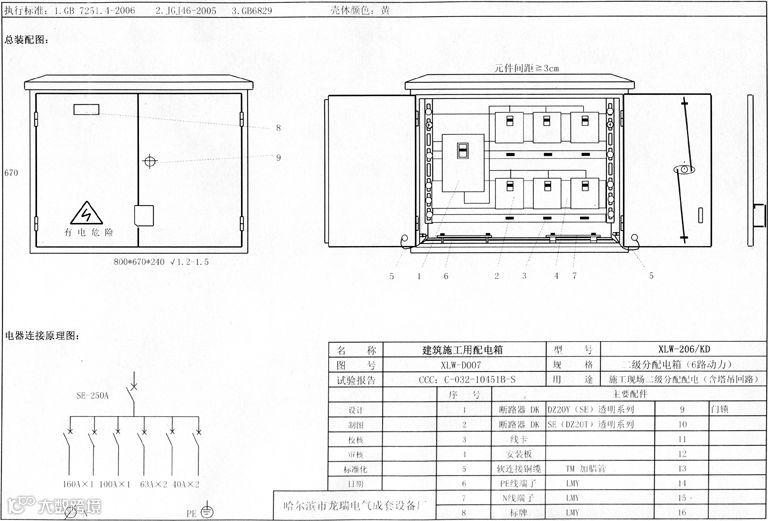
配电箱(柜)适用于施工现场及户外临时用电,应满足“三级配电二级漏保、一机一闸一漏一箱”配电及保护的使用要求。配电箱(柜)、开关箱的材质选用、制作工艺、箱内电气元件的选择、配置应符合国家相关标准,产品应通过CCC认证。配电箱(柜)的壳体采用冷轧钢板制作,防雨、防尘、户外型,采用钢板厚度符合标准要求,经久耐用。
配电箱(柜)、开关箱应分设N线、PE线端子板,进出线必须通过端子板做可靠连接。N线端子板必须与金属电器安装板绝缘;PE线端子板必须与金属电器安装板做电气连接。进出线中的N线必须通过N线端子板连接;PE线必须通过PE线端子板连接。PE线与端子板连接必须采用电气连接,电气连接点的数量应比箱体内回路数量多2个,1个为PE线进箱体的连接点,1个为重复接地的连接点。
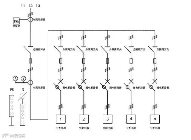
三级配电设置示例
一
总配电箱(柜)
内设400A-630A具有隔离功能的DZ20型透明塑壳断路器作为主开关,分路设置4-8路采用具有隔离功能的DZ20系列160A-250A透明塑壳断路器,配备DZ20L(DZ15L)透明漏电开关或LBM-1系列作为漏电保护装置,使之具有欠压、过载、短路、漏电、断相保护功能,同时配备电度表、电压表、电流表、两组电流互感器。漏电保护装置的额定漏电动作电流与额定漏电动作时间的乘积不大于30mA.S。最好选用额定漏电动作电流75-150mA,额定漏电动作时间大于0.1S小于等于0.2S,其动作时间为延时动作型。

总配电柜示意图

总配电柜端子板接点图

总配电柜柜门电气连接点图

四回路配电柜电气系统图

六回路配电柜电气系统图

八回路配电柜电气系统图
二
分配电箱
1
含照明回路分配电箱 (动力回路与照明回路分路配电)
内设200A-250A具有隔离功能的DZ20系列透明塑壳断路器作为主开关(与总配电箱分路设置断路器相适应);采用DZ20或 KDM-1型透明塑壳断路器作为动力分路、照明分路控制开关;各配电回路采用DZ20或KDM-1透明塑壳断路器作为控制开关;PE线连线螺栓、N线接线螺栓根据实际需要配置。

分配电箱示意图

分配电箱N线端子板接点图
分配电箱PE线端子板接点图

分配电箱电气系统图

含塔吊回路分配电箱示意图
(端子板接点及电气连接点图同上)

含塔吊回路分配电箱系统图
2
不含照明回路分配电箱

6-8回路分配电箱示意图
6回路分配电箱含塔吊回路
(端子板接点及电气连接点图同上)

8回路分配电箱系统图

6回路含塔吊回路分配电箱系统图
三
开关箱(一机一闸一漏一箱)
1
地泵等大型设备动力开关箱
内设KDM1或DZ20(160A以上380V)系列透明塑壳断路器作为控制开关,配置DZ20L系列透明漏电断路器或LBM-1系列漏电断路器;PE线端子排为3个接线螺栓。

地泵等大型设备开关箱示意图

地泵等大型设备电气系统图
2
塔式起重机等设备动力开关箱
内设KDM1或DZ20(160A以上380V)系列透明塑壳断路器作为控制开关,配置DZ20L系列透明漏电断路器或LBM-1系列漏电断路器;PE线端子排为3个接线螺栓。

塔式起重机等设备动力开关箱示意图

塔式起重机等动力设备开关箱系统图
3
3.0KW以下用电设备开关箱
内设DZ20(20-40A、380V)或SE,KDMI系列透明塑壳断路器作为控制开关,配置DZ15LE(20-40A)或LBM1系列透明漏电断路器,PE线端子排为4个接线螺栓。

40A以下动力开关箱示意图

动力开关箱端子接点及电气接点连接图

40A以下设备用电开关箱电气系统图
4
5.5KW以上用电设备开关箱
根据所控制设备额定容量选择控制开关及漏电断路器。控制开关为DZ20(SE或KDM1)系列透明塑壳断路器,漏电断路器为DZ15L系列透明系列漏电断路器;PE线接线螺栓为3个。

5.5KW以上设备开关箱示意图

5.5KW以上设备开关箱电气系统图
5
照明开关箱
内设KDM1—T/2(20-40A)断路器,配置DZ15L—20-40/290漏电断路器,PE线螺栓为3个。

照明开关箱示意图

照明开关箱电气系统图
注:开关箱中漏电断路器必须选择额定漏电动作电流不大于30mA,额定漏电动作时间不大于0.1S,电流速断、电磁式电动机保用产品。
总配电箱中漏电断路器应选用配电保护用产品。
配电室布置应符合下列要求
(四)配电室的棚顶与地面的距离不低于3m。
配电箱架设应符合下列要求
(二)配电箱、开关箱在建筑物坠落半径或塔吊臂旋转半径内的必须做双层防护棚,并采取隔离措施。
【附】施工临时用电管理要点
一
临时用电管理
(八)室外220V灯具距地面不得低于3m,室内不得低于2.5m。
二
强制性条文
(十一)对夜间影响飞机或车辆通行的在建工程及机械设备,必须设置醒目的红色信号灯,其电源应设在施工现场总电源开关的前侧,并应设置外电线路停止供电时的应急自备电源。
三级配电二级漏保总体要求
★ 施工现场配电系统应采用三级配电、二级漏电保护系统;
★ 用电设备必须有各自专用的开关箱;
★ 漏电保护器参数应匹配并灵敏可靠;
★ 总配电箱与开关箱应安装漏电保护器分配电箱与开关箱、开关箱与用电设备的距离应符合规范要求;

三级配电、二级漏电保护系统参考图例
2. 总配电箱设置
★ 箱体结构、箱内电器设置及使用应符合规范要求。
★ 配电箱、开关箱电器可靠、完好,进出线整齐。



设置要求:
1、总配电箱以下可设若干分配电箱,分配电箱以下可设若干开关箱;总配电箱应设在靠近电源的区域,分配电箱应设在用电设备或负荷相对集中的区域,分配电箱与开关箱的距离不得超过30m,开关箱与其控制的固定式用电设备的水平距离不宜超过3m。
2、开关箱中漏电保护器的额定漏电动作电流不应大于30mA,额定漏电动作时间不应大于0.1s;使用于潮湿和有腐蚀介质场所的漏电保护器应采用防溅型产品,其额定漏电动作电流不应大于15mA,额定漏电动作时间不应大于0.1s。
3、总配电箱中漏电保护器的额定漏电动作电流应大于30mA,额定漏电动作时间应大于0.1s,但其额定漏电动作电流与额定漏电动作时间的乘积不应大于30mA•s。
3. 分配电箱、开关箱设置
★ 箱体结构、箱内电器设置及使用应符合规范要求。
★ 配电箱、开关箱电器可靠、完好,进出线整齐。





开关箱示意图设置要求:
1、配电箱、开关箱应采用冷轧钢板或阻燃绝缘材料制作,钢板厚度应为1.2~2.0mm,其中开关箱箱体钢板厚度不得小于1.2mm,配电箱箱体钢板厚度不得小于1.5mm,箱体表面应做防腐处理。
2、配电箱、开关箱的进、出线口应配置固定线卡,进出线应加绝缘护套并成束卡固在箱体上,不得与箱体直接接触。移动式配电箱、开关箱的进、出线应采用橡皮护套绝缘电缆,不得有接头
3、配电箱、开关箱外形结构应能防雨、防尘。
4、配电箱、开关箱内的电器必须可靠、完好,严禁使用破损不合格的电器。
5、总配电箱的电器具备电源隔离,正常接通与分断电路,以及短路、过载、漏电保护功能。
6、当总路设置总漏电保护器时,还应装设总隔离开关、分路隔离开关以及总断路器、分路断路器或总熔断器、分路熔断器。当所设总漏电保护器同时具备短路过载漏电保护功能的漏电断路器时,可不设总断路器或总熔断器。
7、当各分路设置分路漏电保护器时,还应装设总隔离开关、分路隔离开关以及总断路器、分路断路器或总熔断器、分路熔断器。当分路所设漏电保护器是同时具备短路、过载、漏电保护功能的漏电断路器时,可不设分路断路器或分路熔断器。
8、熔断器应选用具有可靠灭弧分断功能的产品。
9、总开关电器的额定值、动作整定值应与分路开关电器的额定值、动作整定值相适应。
10、总配电箱应装设电压表、总电流表、电度表及其他需要的仪表。装设电流互感器时,其二次回路必须与保护零线有一个连接点,且严禁断开电路。
11、分配电箱应装设总隔离开关、分路隔离开关以及总断路器、分路断路器或总熔断器、分路熔断器。其设置和选择应符合前面总配电箱的要求
12、开关箱必须装设隔离开关、断路器或熔断器,以及漏电保护器。
13、配电箱、开关箱的电源进线端严禁采用插头和插座活动连接。
14、对配电箱,开关箱进行定期检查、维修时,必须将其前一级相应的电源隔离开关分闸断电,并悬挂“禁止合闸、有人工作”停电标志牌,严禁带电作业。
4. 其他安装注意事项

隔离开关箱设置要求:
隔离开关应设置于电源进线端,应采用分断时具有可见分断点,并能同时断开电源所有极的隔离电器。如采用分断时具有可见分断点的断路器,可不另设隔离开关。
★ 配电箱必须分设工作零线零线端子板的设置及连接应符合规范要求。

设置要求:
配电箱的电器安装板上必须设N线端子和PE线端子板。N线端子板必须与金属电器安装板绝缘;PE线端子板必须与金属电器安装板做电器连接。
进出线中的N线必须通过N线端子板连接;PE线必须通过PE线端子板连接。
★ 箱体安装位置、高度及周边通道应符合规范要求。

设置要求:
1、配电箱、开关箱应装设在干燥通风及常温场所。
2、配电箱、开关箱周围应有足够2人同时工作的空间和通道,不得堆放任何妨碍操作、维修的物品;不得有灌木杂草。
3、配电箱、开关箱应装设端正、牢固;固定式配电箱、开关箱的中心点与地面的垂直距离应为1.4~1.6m;移动式配电箱、开关箱应装设在坚固的支架上,其中心点与地面的垂直距离宜为0.8~1.6m。
★ 箱体应设置系统接线图和分路标记;
★ 箱体应设有门、锁及防雨措施。

设置要求:
1、配电箱、开关箱应有名称、用途、分路标记及系统接线图。
2、配电箱、开关箱箱门应配锁,并应由专人负责。
第一部分:常见用电隐患排查



























































临时用电:

































































































