
不同的房企有不同的核心竞争力,但都绕不开同一个重要环节——成本管理。
除了合约规划、采招管理等需要严格管控外,瓷砖损耗等细节成本在一定程度上同样可控。比如,在不影响美观的前提下,对瓷砖定样、排砖等进行更加周全的考虑,也能为企业省下不少开支。
下文将分享一份万科瓷砖铺贴方式的成本控制研究,看看如何缩小精装房中的瓷砖铺贴的损耗率。
以南通三建在四季花城二期A区3B户型、H户型的瓷砖铺贴为例,其具体分项损耗率如下表:

根据统计显示,该项目平均铺贴损耗率为12.78%。有其他数据表明,瓷砖铺贴时的一般损耗率应该为1%至3%左右,房型比较特殊的情况下,损耗率应合理控制在5%—8%范围内,与之相比,四季花城二期A区的瓷砖损耗率过高。
损耗原因
瓷砖铺贴损耗的原因有三个,一是建筑本身尺寸不符合瓷砖模数,导致瓷砖需要切割,造成损耗;二是运输、保管、管理、切割过程中出现浪费和破损;三是从美观角度考虑进行瓷砖排布。第三个原因主要在项目施工中产生,也是降低瓷砖损耗率的“发力点”。
1、结合建筑尺寸选择瓷砖规格
a、瓷砖竖向规格的选择
以城市花园为例,其厨房、洗手间窗离地面的设计高度为900mm。采用的瓷砖竖向规格尺寸是300mm。理论上3块瓷砖刚好够贴窗台以下部分,但在实际操作过程中,由于施工偏差以及厨房、洗手间标高的降低,必须切割4块瓷砖才能贴出窗台以下部分,从而造成窗台以下部分瓷砖损耗率为25%,并且出现两块大半瓷砖,影响美观。

解决这一问题,可以采用竖向规格330mm的瓷砖,3块完全能贴满窗台以下部分,瓷砖损耗率几乎为0,并且无大半砖。
b、瓷砖横向规格的选择
为配合瓷砖模数,横向瓷砖规格可选择250mm 。
c、综合建议
由于厨房、洗手间窗户宽度为400mm、600mm,从最经济的角度出发,瓷砖规格应选用200mm*330mm。考虑美观性及瓷砖模数,推荐采用250mm*330mm瓷砖。
250mm宽与200mm宽瓷砖相比,不利方面在于窗口上下的瓷砖出现大半块砖,美观性降低。如图:

2、 改变铺贴方式
a、考虑从下往上贴,充分利用吊顶的存在,避免瓷砖的损耗。

用3B户型公共卫生间墙面进行分析

优点:节约瓷砖,减少损耗。
缺点:在窗下沿会出现窄条瓷砖,有碍美观。
b、考虑瓷砖横贴
对于墙面,周长是大于墙高的,从理论上考虑,横贴能够使得瓷砖长的一边在周长上充分运用,能节省损耗。下图为3B户型厨房内墙立面。


横贴、竖贴效果对比

3、踢脚线
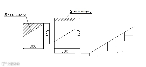
问题一:平台踢脚线为100mm高,须由300*300地砖切割而成。理论上一块地砖可以切除3块踢脚线;但由于切割导致的切口损失,一块地砖只能切出2块踢脚线。损耗率为33%。如图所示:

解决上述问题,可以将踢脚线高度定为95mm或90mm,那么同样一块可以切除3块踢脚线,损耗率几乎为0。
问题二:楼梯段踢脚线,现在采用的是300*300型号,但是未使用面积接近一半,浪费很大(见阴影面积),损耗率约35%。

解决方案1:可以选用与300*450规格地砖,可以让使用率明显加大。(注:此解决方案为理论上可行,实际上市场上无300*450规格的地砖。)

解决方案2:可以考虑取消在踢脚的位置铺贴瓷砖,以抹水泥沙浆外刷涂料的方式,在建筑上也有令人惊喜的效果。
由于楼梯踏步踢脚线砖在瓷砖的总量中用量不大,沿用目前的切割方式也不会有太多损失。
根据上述研究,如果能够把瓷砖铺贴的损耗率控制为5%,那么就可以节省7.78个百分点的损耗。假设万科精装修住宅项目总面积为50万平方米(精装铺贴率约为55.5%,瓷砖价格按40元/M2计),可节省成本共计500000×40×7.78%×0.555=8635800元。
往期回顾





